LEMON Manuals: Even more car manuals for everyone
Home >> Infiniti >> 2004 >> FX45 >> Repair and Diagnosis >> Engine Performance >> Engine Control System >> Snow Mode Switch >> Diagnostic Procedure

Diagnostic Procedure

  1. Check Snow Mode Switch Overall Function-I 
    1. Turn ignition switch ON.
    2. Select SNOW MODE SW in DATA MONITOR mode with CONSULT-II.
    3. Check SNOW MODE SW indication under the following conditions.
      Fig 1: Monitoring SNOW MODE SW (CONSULT-II)
      G00345618Courtesy of NISSAN MOTOR CO., U.S.A.
      Fig 2: Snow Mode Switch Specifications
      G00345617Courtesy of NISSAN MOTOR CO., U.S.A.

    OK or NG

    1. OK : go to 2.
    2. NG : go to  3 .

  2. Check Snow Mode Switch Overall Function-II 
    1. Turn ignition switch ON.
    2. Start engine.
    3. Check the snow mode indicator in the combination meter under the following condition. For Specifications, see Fig 2 .

    OK or NG

    1. OK : Inspection end 
    2. NG : go to 3.

  3. Check Ground Connections 
    1. Turn ignition switch OFF.
    2. Loosen and retighten three ground screws on the body. See Figure .

      Refer to GROUND INSPECTION  .

    OK or NG

    1. OK : go to 4.
    2. NG : Repair or replace ground connections.

  4. Check Power Supply Circuit-I 
    1. Turn ignition switch OFF.
    2. Disconnect unified meter and A/C amp. harness connector.
    3. Turn ignition switch ON.
    4. Check voltage between unified meter and A/C amp. terminal 12 and ground under the following conditions with CONSULT-II or tester.
      Fig 3: Testing Unified Meter And A/C Amp Signal To Snow Mode Switch (W/DVOM)
      G00345622Courtesy of NISSAN MOTOR CO., U.S.A.
      Fig 4: Snow Mode Switch Voltage Specifications
      G00345621Courtesy of NISSAN MOTOR CO., U.S.A.

    OK or NG

    1. OK : go to  8 .
    2. NG : go to 5.

  5. Check Power Supply Circuit-II 
    1. Turn ignition switch OFF.
    2. Disconnect snow mode switch.
    3. Turn ignition switch ON.
    4. Check voltage between snow mode switch terminal 1 and ground with CONSULT-II or tester.
      Fig 5: Testing Snow Mode Switch Circuit (W/DVOM)
      G00345623Courtesy of NISSAN MOTOR CO., U.S.A.
      1. Voltage: Battery voltage  .

    OK or NG

    1. OK : go to  7 .
    2. NG : go to 6.

  6. Detect Malfunctioning Part 

    Check the following.

    • 10A fuse
    • Harness for open or short between snow mode switch and fuse.

    1. Repair open circuit or short to ground or short to power in harness or connectors.
  7. Check Snow Mode Switch Out Put Signal Circuit For Open And Short 
    1. Turn ignition switch OFF.
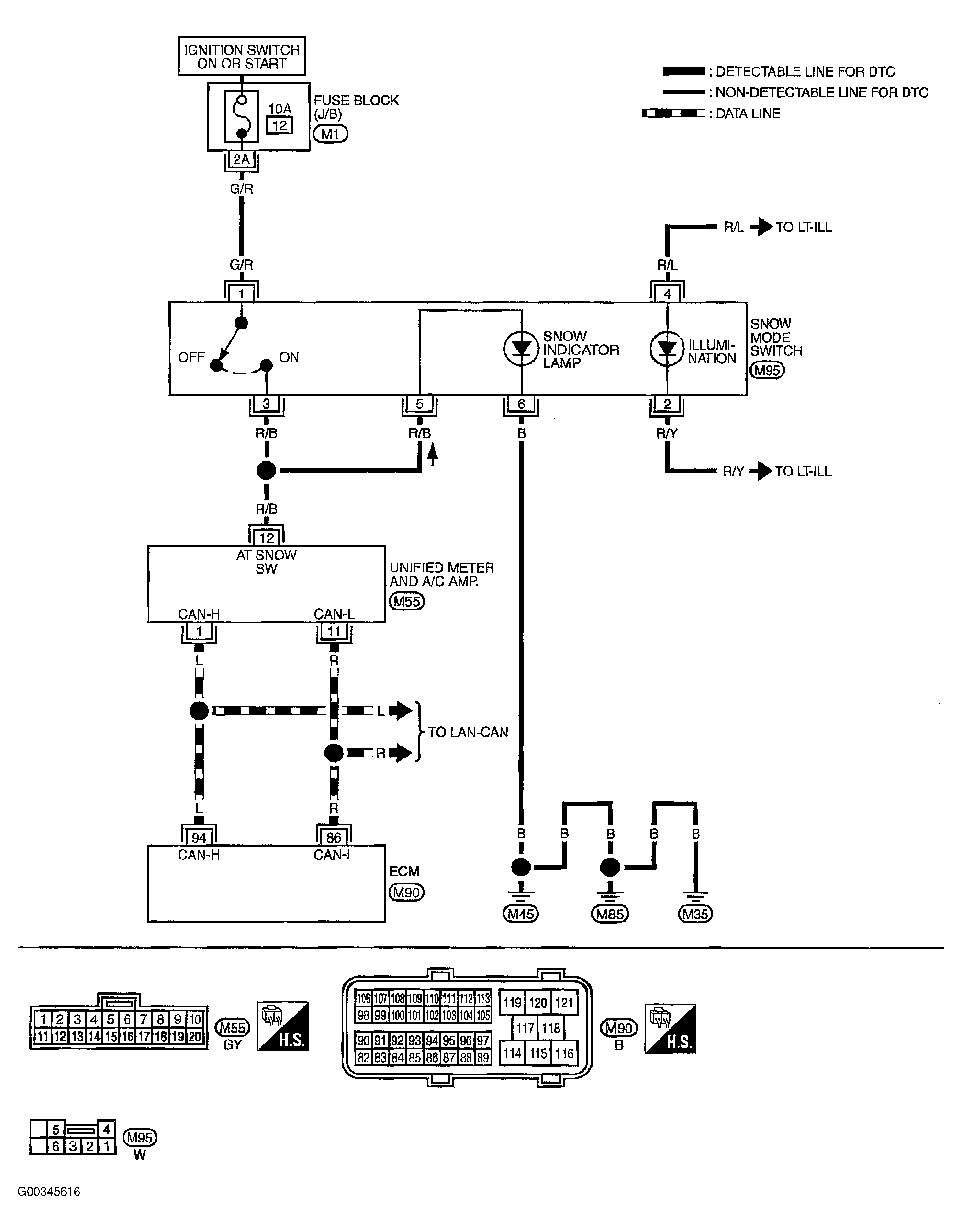
    2. Check harness continuity between snow mode switch terminal 3 and unified meter and A/C amp. terminal 12. Refer to wiring diagram. See Figure .
      1. Continuity should exist  .
    3. Also check harness for short to ground and short to power.

    OK or NG

    1. OK : go to 8.
    2. NG : Repair open circuit or short to ground or short to power in harness or connectors.

  8. Check Snow Mode Indicator Lamp Input Signal Circuit For Open And Short 
    1. Turn ignition switch OFF.
    2. Disconnect snow mode switch harness connector.
    3. Check harness continuity between snow mode switch terminal 5 and unified meter and A/C amp. terminal 12. Refer to wiring diagram. See Figure .
      1. Continuity should exist  .
    4. Also check harness for short to ground and short to power.

    OK or NG

    1. OK : go to 9.
    2. NG : Repair open circuit or short to ground or short to power in harness or connectors.

  9. Check Snow Mode Indicator Lamp Ground Circuit For Open And Short 
    1. Check harness continuity between snow mode switch terminal 6 and ground. Refer to wiring diagram. See Figure .
      1. Continuity should exist  .
    2. Also check harness for short to power.

    OK or NG

    1. OK : go to 10.
    2. NG : Repair open circuit or short to power in harness or connectors.

  10. Check Snow Mode Indicator Lamp 

    Check harness continuity between snow mode switch terminals 5 and 6 under the following conditions.

    Fig 6: Testing Snow Indicator Lamp Diode
    G00345624Courtesy of NISSAN MOTOR CO., U.S.A.
    Fig 7: Snow Indicator Lamp Diode Specifications
    G00345625Courtesy of NISSAN MOTOR CO., U.S.A.

    OK or NG

    1. OK : go to 11.
    2. NG : Replace snow mode switch.

  11. Check Snow Mode Switch 

    Refer to COMPONENT INSPECTION  .

    OK or NG

    1. OK : go to 12.
    2. NG : Replace snow mode switch.

  12. Check Unified Meter And A/C AMP 

    Refer to UNIFIED METER AND A/C AMP .

    OK or NG

    1. OK : go to 13.
    2. NG : Replace unified meter and A/C amp..

  13. Check Intermittent Incident 

    Refer to TROUBLE DIAGNOSIS FOR INTERMITTENT INCIDENT  .

    1. Inspection end