LEMON Manuals: Even more car manuals for everyone
Home >> Infiniti >> 2004 >> FX45 >> Repair and Diagnosis >> Engine Performance >> Engine Control System >> Refrigerant Pressure Sensor >> Diagnostic Procedure

Diagnostic Procedure

  1. Check Refrigerant Pressure Sensor Overall Function 
    1. Start engine and warm it up to normal operating temperature.
    2. Turn A/C switch and blower switch ON.
    3. Check voltage between ECM terminal 70 and ground with CONSULT-II or tester.
      Fig 1: Testing ECM To Refrigerant Pressure Sensor Signal (W/DVOM)
      G00345559Courtesy of NISSAN MOTOR CO., U.S.A.
      1. Voltage: 1.0 - 4.0V 

    OK or NG

    1. OK : Inspection end 
    2. NG : go to 2.

  2. Check Ground Connections 
    1. Turn ignition switch OFF.
    2. Loosen and retighten three ground screws on the body. See Figure .

      Refer to GROUND INSPECTION  .

    OK or NG

    1. OK : go to 3.
    2. NG : Repair or replace ground connections.

  3. Check Refrigerant Pressure Sensor Power Supply Circuit 
    1. Turn A/C switch and blower switch OFF.
    2. Stop engine.
    3. Disconnect refrigerant pressure sensor harness connector. See Figure .
    4. Turn ignition switch ON.
    5. Check voltage between refrigerant pressure sensor terminal 1 and ground with CONSULT-II or tester.
      Fig 2: Testing Refrigerant Pressure Sensor Circuit (W/DVOM)
      G00345562Courtesy of NISSAN MOTOR CO., U.S.A.
      1. Voltage: Approximately 5V 

    OK or NG

    1. OK : go to  5 .
    2. NG : go to 4.

  4. Detect Malfunctioning Part 

    Check the following.

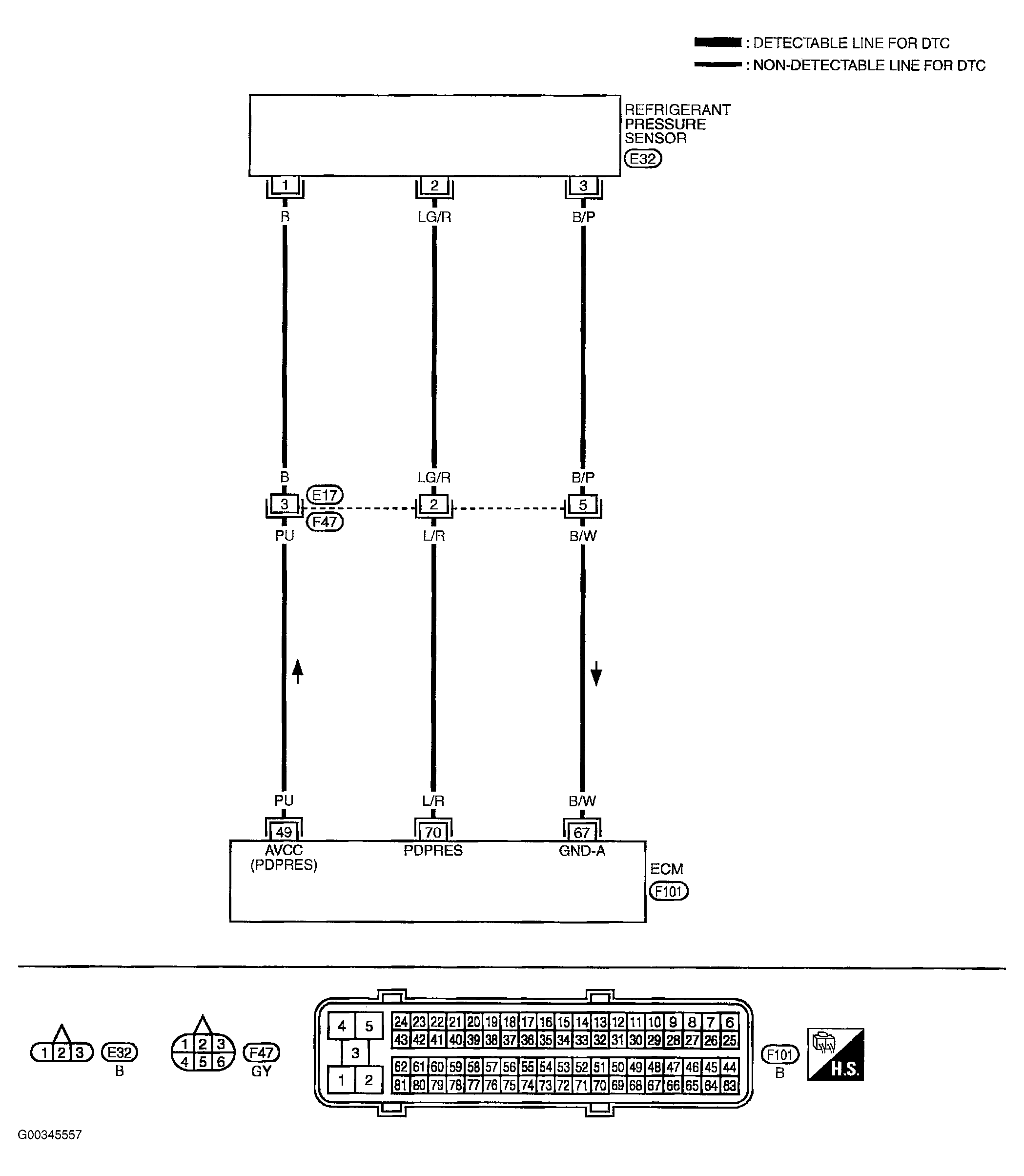
    • Harness connectors E17, F47
    • Harness for open or short between ECM and refrigerant pressure sensor

    1. Repair open circuit or short to ground or short to power in harness or connectors.
  5. Check Refrigerant Pressure Sensor Ground Circuit For Open And Short 
    1. Turn ignition switch OFF.
    2. Disconnect ECM harness connector.
    3. Check harness continuity between refrigerant pressure sensor terminal 3 and ECM terminal 67. Refer to wiring diagram. See Figure .
      1. Continuity should exist  .
    4. Also check harness for short to ground and short to power.

    OK or NG

    1. OK : go to  7 .
    2. NG : go to 6.

  6. Detect Malfunctioning Part 

    Check the following.

    • Harness connectors E17, F47
    • Harness for open or short between ECM and refrigerant pressure sensor

    1. Repair open circuit or short to ground or short to power in harness or connectors.
  7. Check Refrigerant Pressure Sensor Input Signal Circuit For Open And Short 
    1. Check harness continuity between ECM terminal 70 and refrigerant pressure sensor terminal 2.
      1. Continuity should exist  .
    2. Also check harness for short to ground and short to power.

    OK or NG

    1. OK : go to  9 .
    2. NG : go to 8.

  8. Detect Malfunctioning Part 

    Check the following.

    • Harness connectors E17, F47
    • Harness for open or short between ECM and refrigerant pressure sensor.

    1. Repair open circuit or short to ground or short to power in harness or connectors.
  9. Check Intermittent Incident 

    Refer to TROUBLE DIAGNOSIS FOR INTERMITTENT INCIDENT  .

    OK or NG

    1. OK : Replace refrigerant pressure sensor.
    2. NG : Repair or replace.