LEMON Manuals: Even more car manuals for everyone
Home >> Infiniti >> 2004 >> FX45 >> Repair and Diagnosis >> Engine Performance >> Engine Control System >> Fuel Pump Circuit >> Diagnostic Procedure

Diagnostic Procedure

  1. Check Overall Function 
    1. Turn ignition switch ON.
    2. Pinch fuel feed hose with two fingers.

      Fuel pressure pulsation should be felt on the fuel feed hose for 1 second after ignition switch is turned ON  .

      Fig 1: Identifying Location To Pinch Fuel Feed Hose
      G00345546Courtesy of NISSAN MOTOR CO., U.S.A.

    OK or NG

    1. OK : Inspection end 
    2. NG : go to 2.

  2. Check Fuel Pump Power Supply Circuit-I 
    1. Turn ignition switch OFF.
    2. Disconnect ECM harness connector.
    3. Turn ignition switch ON.
    4. Check voltage between ECM terminal 113 and ground with CONSULT-II or tester.
      1. Voltage: Battery voltage 
      Fig 2: Testing Fuel Pump Power Circuit (W/DVOM)
      G00345547Courtesy of NISSAN MOTOR CO., U.S.A.

    OK or NG

    1. OK : go to  5 .
    2. NG : go to 3.

  3. Check Fuel Pump Power Supply Circuit-II 
    1. Turn ignition switch OFF.
    2. Disconnect IPDM E/R harness connector E8.
    3. Turn ignition switch ON.
    4. Check voltage between IPDM E/R terminal 40 and ground with CONSULT-II or tester.
      Fig 3: Testing Fuel Pump Circuit At IPDM E/R (W/DVOM)
      G00345548Courtesy of NISSAN MOTOR CO., U.S.A.
      1. Voltage: Battery voltage 

    OK or NG

    1. OK : go to 4.
    2. NG : go to  13 .

  4. Detect Malfunctioning Part 

    Check the following.

    • Harness connectors E211, M41
    • Harness for open or short between IPDM E/R and ECM

    1. Repair open circuit or short to ground or short to power in harness or connectors.
  5. Check Condenser Power Supply Circuit 
    1. Turn ignition switch OFF.
    2. Reconnect all harness connectors disconnected.
    3. Disconnect condenser harness connector. See Figure .
    4. Turn ignition switch ON.
    5. Check voltage between condenser terminal 1 and ground with CONSULT-II or tester. See Figure .
      1. Voltage: Battery voltage should exist for 1 second after ignition switch is turned ON  .
    6. Also check harness for short to ground and short to power.

    OK or NG

    1. OK : go to  9 .
    2. NG : go to 6.

  6. Check 15A Fuse 
    1. Turn ignition switch OFF.
    2. Disconnect 15A fuse.
    3. Check 15A fuse.

    OK or NG

    1. OK : go to 7.
    2. NG : Replace fuse.

  7. Check Condenser Power Supply Circuit-II For Open And Short 
    1. Disconnect IPDM E/R harness connector E8.
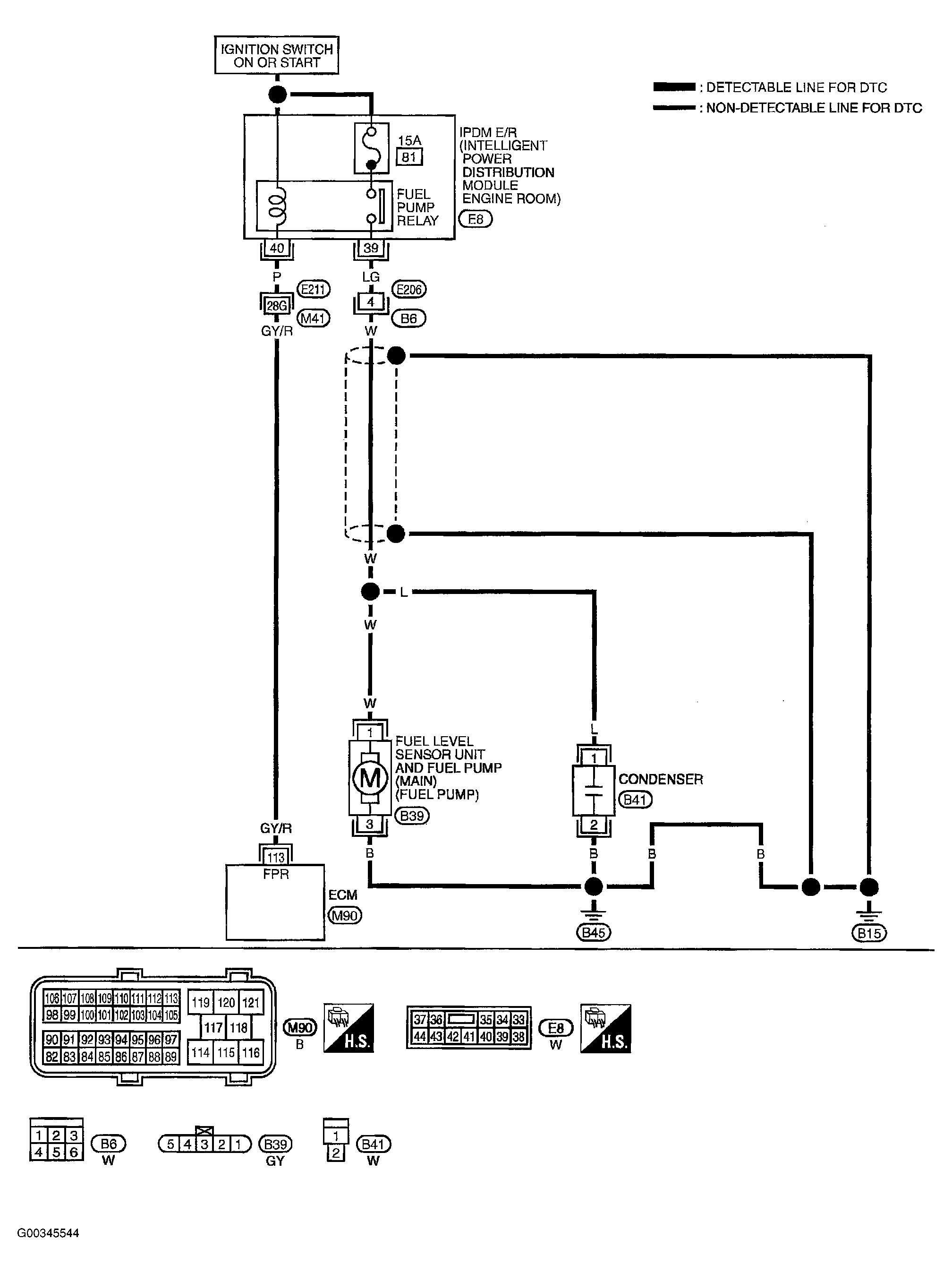
    2. Check harness continuity between IPDM E/R terminal 39 and condenser terminal 1. Refer to wiring diagram. See Figure .
      1. Continuity should exist  .
    3. Also check harness for short to ground and short to power.

    OK or NG

    1. OK : go to  13 .
    2. NG : go to 8.

  8. Detect Malfunctioning Part 

    Check the following.

    • Harness connectors E206, B6
    • Harness for open or short between IPDM E/R and condenser.

    1. Repair harness or connectors.
  9. Check Condenser Ground Circuit For Open And Short 
    1. Check harness continuity between condenser terminal 2 and ground. Refer to wiring diagram. See Figure .
      1. Continuity should exist  .
    2. Also check harness for short to power.

    OK or NG

    1. OK : go to 10.
    2. NG : Repair open circuit or short to power in harness or connectors.

  10. CHECK CONDENSER 

    Refer to COMPONENT INSPECTION  .

    OK or NG

    1. OK : go to 11.
    2. NG : Replace condenser.

  11. Check Fuel Pump Power Supply And Ground Circuit For Open And Short 
    1. Turn ignition switch OFF.
    2. Disconnect fuel level sensor unit and fuel pump harness connector.
    3. Disconnect harness connector E206, B6.
    4. Check harness continuity between fuel level sensor unit and fuel pump terminal 1 and harness connector B6 terminal 4, fuel level sensor unit and fuel pump terminal 3 and the ground. See Figure . Refer to wiring diagram. See Figure .
      1. Continuity should exist 
    5. Also check harness for short to ground and short to power.

    OK or NG

    1. OK : go to  13 .
    2. NG : go to 12.

  12. Detect Malfunctioning Part 

    Check the following.

    • Harness connector B6
    • Harness for open or short between fuel level sensor unit and fuel pump and harness connector B6
    • Harness for open or short between fuel level sensor unit and fuel pump and ground

    1. Repair open circuit or short to ground or short to power in harness or connectors.
  13. Check Intermittent Incident 

    Refer to TROUBLE DIAGNOSIS FOR INTERMITTENT INCIDENT  .

    OK or NG

    1. OK : Replace IPDM E/R.
    2. NG : Repair or replace harness or connectors.