LEMON Manuals: Even more car manuals for everyone
Home >> Infiniti >> 2004 >> FX45 >> Repair and Diagnosis >> Engine Performance >> Engine Control System >> DTC P0172 & P0175 Fuel Injection System Function >> Diagnostic Procedure

Diagnostic Procedure

  1. Check Exhaust Gas Leak 
    1. Start engine and run it at idle.
    2. Listen for an exhaust gas leak before three way catalyst (manifold). See Figure .

    OK or NG

    1. OK: go to 2.
    2. NG: Repair or replace.

  2. Check For Intake Air Leak 

    Listen for an intake air leak after the mass air flow sensor.

    OK or NG

    1. OK: go to 3.
    2. NG: Repair or replace.

  3. Check Heated Oxygen Sensor 1 Circuit For Open And Short 
    1. Turn ignition switch OFF.
    2. Disconnect corresponding heated oxygen sensor 1 (HO2S1) harness connector. See Figure .
    3. Disconnect ECM harness connector.
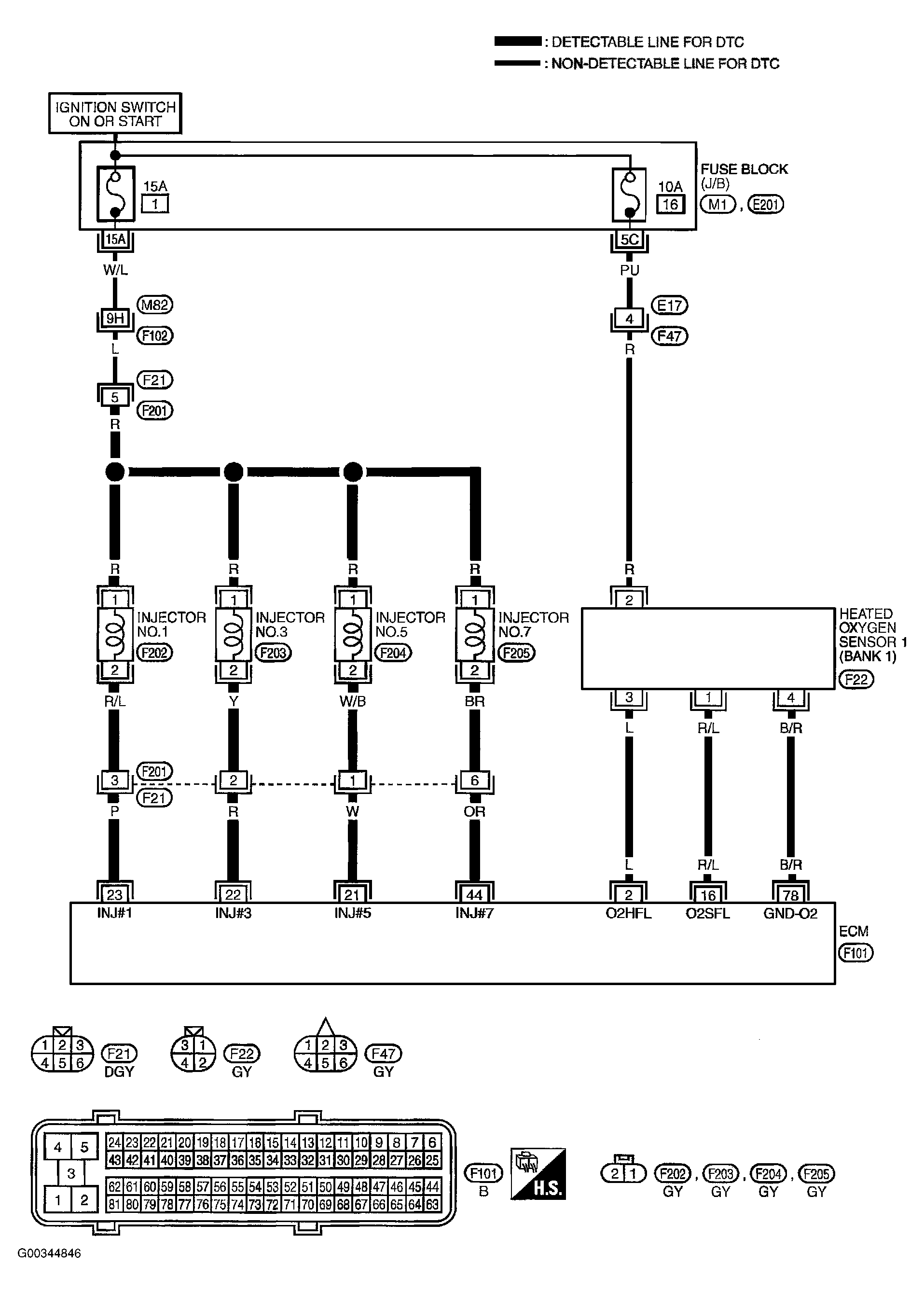
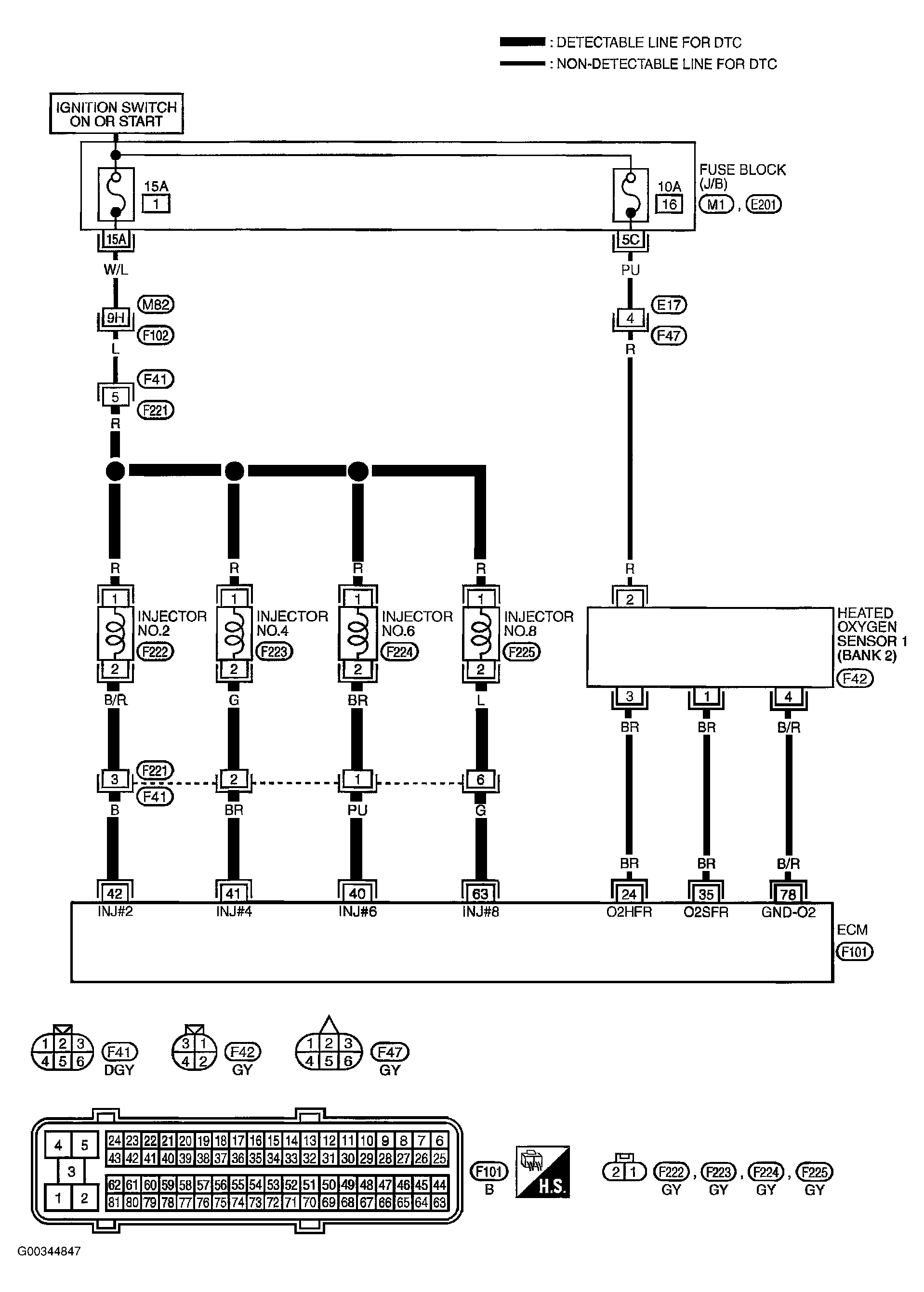
    4. Check harness continuity between ECM terminal and HO2S1 terminal as follows. See Fig 1 .

      Refer to wiring diagram. See Figure or Figure .

      Fig 1: Identifying ECM & Sensor Terminals W/Bank Locations For DTC P0172 & P0175 Testing
      G00344850Courtesy of NISSAN MOTOR CO., U.S.A.
      1. Continuity should exist  .
    5. Check harness continuity between the following terminals and ground. See Fig 1 .

      Refer to wiring diagram. See Figure or Figure .

      1. Continuity should not exist  .
    6. Check harness continuity between HO2S1 terminal 4 and ECM terminal 78.
      1. Continuity should exist  .
    7. Also check harness for short to ground and short to power.

    OK or NG

    1. OK: go to 4.
    2. NG: Repair open circuit or short to ground or short to power in harness or connectors.

  4. Check Fuel Pressure 
    1. Release fuel pressure to zero. Refer to FUEL PRESSURE RELEASE  .
    2. Install fuel pressure gauge and check fuel pressure. Refer to FUEL PRESSURE CHECK  .
      1. At idling: 350 kPa (3.57 kg/cm2  , 51 psi) 

    OK or NG

    1. OK: go to  6 .
    2. NG: go to 5.

  5. Detect Malfunctioning Part 

    Check the following.

  6. Check Mass Air Flow Sensor 

    With CONSULT-II 

    1. Install all removed parts.
    2. Check MASS AIR FLOW in DATA MONITOR mode with CONSULT-II.
      1. 2.0 - 6.0 g.m/sec: at idling 
      2. 7.0 - 20.0 g.m/sec: at 2,500 RPM 

    With GST 

    1. Install all removed parts.
    2. Check mass air flow sensor signal in MODE 1 with GST.
      1. 2.0 - 6.0 g.m/sec: at idling 
      2. 7.0 - 20.0 g.m/sec: at 2,500 RPM 

    OK or NG

    1. OK: go to 7.
    2. NG: Check connectors for rusted terminals or loose connections in the mass air flow sensor circuit or ground. Refer to DTC P0101 MAF SENSOR  .

  7. Check Function Of Injectors 

    With CONSULT-II 

    1. Start engine.
    2. Perform POWER BALANCE in ACTIVE TEST mode with CONSULT-II. See Figure .
    3. Make sure that each circuit produces a momentary engine speed drop.

    Without CONSULT-II 

    1. Start engine.
    2. Listen to each injector operating sound.

      Clicking noise should be heard  .

    OK or NG

    1. OK: go to 8.
    2. NG: Perform trouble diagnosis for INJECTOR CIRCUIT  .

  8. Check Injector 
    1. Remove injector assembly. Refer to FUEL INJECTOR AND FUEL TUBE .

      Keep fuel hose and all injectors connected to injector gallery.

    2. Confirm that the engine is cooled down and there are no fire hazards near the vehicle.
    3. Disconnect all injector harness connectors.
    4. Disconnect all ignition coil harness connectors.
    5. Prepare pans or saucers under each injectors.
    6. Crank engine for about 3 seconds.

      Make sure fuel does not drip from injector.

    OK or NG

    1. OK (Does not drip.): go to 9.
    2. NG (Drips.): Replace the injectors form which fuel is dripping. Always replace "O" ring with new one.

  9. Check Intermittent Incident 

    Refer to TROUBLE DIAGNOSIS FOR INTERMITTENT INCIDENT  .

    1. Inspection end