LEMON Manuals: Even more car manuals for everyone
Home >> Infiniti >> 2004 >> FX35 AWD >> Repair and Diagnosis >> Engine Performance >> Engine Control System >> DTC P0181 FTT Sensor >> Diagnostic Procedure

Diagnostic Procedure

  1. Check Ground Connections 
    1. Turn ignition switch OFF.
    2. Loosen and retighten three ground screws on the body. See Figure. Refer to GROUND INSPECTION .

    OK or NG

    1. OK: Go to 2.
    2. NG: Repair or replace ground connections.

  2. Check DTC With Unified Meter And A/C AMP  .

    Refer to SELF-DIAGNOSTIC RESULTS .

    OK or NG

    1. OK: Go to 3.
    2. NG: Go to FUEL LEVEL SENSOR SIGNAL INSPECTION .

  3. Check Fuel Tank Temperature Sensor Power Supply Circuit 
    1. Turn ignition switch OFF.
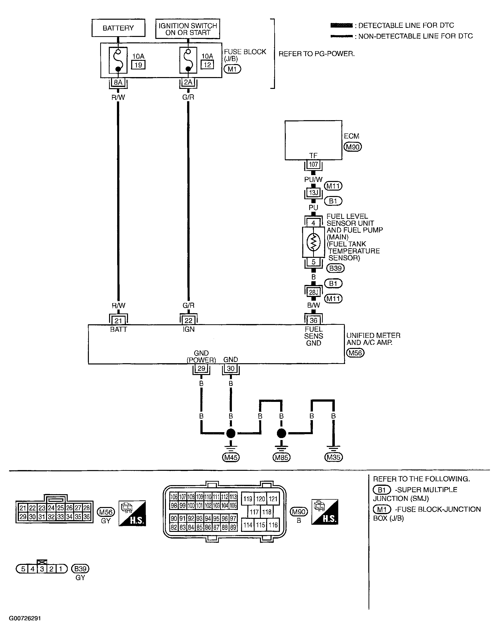
    2. Disconnect fuel level sensor unit and fuel pump harness connector. See Figure.
    3. Turn ignition switch ON.
    4. Check voltage between fuel level sensor unit and fuel pump terminal 4 and ground with CONSULT-II or tester.
      Fig 1: Verifying Fuel Level Sensor Unit Reference Voltage (DVOM)
      G00726305Courtesy of NISSAN MOTOR CO., U.S.A.

      Voltage: Approximately 5V 

    OK or NG

    1. OK: Go to  5.
    2. NG: Go to 4.

  4. Detect Malfunctioning Part 

    Check the following.

    • Harness connectors B1, M11
    • Harness for open or short between ECM and fuel level sensor unit and fuel pump

    1. Repair harness or connector.
  5. Check Fuel Tank Temperature Sensor Ground Circuit For Open And Short 
    1. Turn ignition switch OFF.
    2. Disconnect unified meter and A/C amp. harness connector.
    3. Check harness continuity between fuel level sensor unit and fuel pump terminal 5 and unified meter and A/C amp. terminal 36. Refer to wiring diagram. See Figure.

      Continuity should exist  .

    4. Also check harness for short to ground or short to power.

    OK or NG

    1. OK: Go to  7.
    2. NG: Go to 6.

  6. Detect Malfunctioning Part 

    Check the following.

    • Harness connectors B1, M11
    • Harness for open or short between fuel level sensor unit and fuel pump and unified meter and A/C amp.

    1. Repair open circuit or short to ground or short to power in harness or connector.
  7. Check Fuel Tank Temperature Sensor 

    Refer to COMPONENT INSPECTION .

    OK or NG

    1. OK: Go to 8.
    2. NG: Replace fuel level sensor unit.

  8. Check Intermittent Incident 

    Refer to TROUBLE DIAGNOSIS FOR INTERMITTENT INCIDENT .

    1. Inspection end