LEMON Manuals: Even more car manuals for everyone
Home >> Infiniti >> 2004 >> FX35 AWD >> Repair and Diagnosis >> Engine Performance >> Engine Control System >> Circuit Diagram

Circuit Diagram

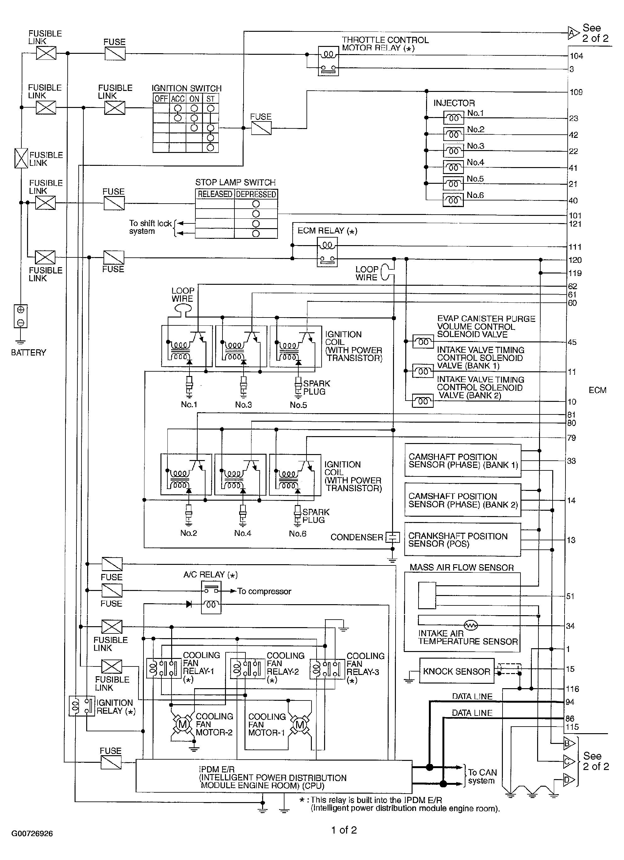
Fig 1: Engine Control Circuit (1 Of 2)
G00726926Courtesy of NISSAN MOTOR CO., U.S.A.
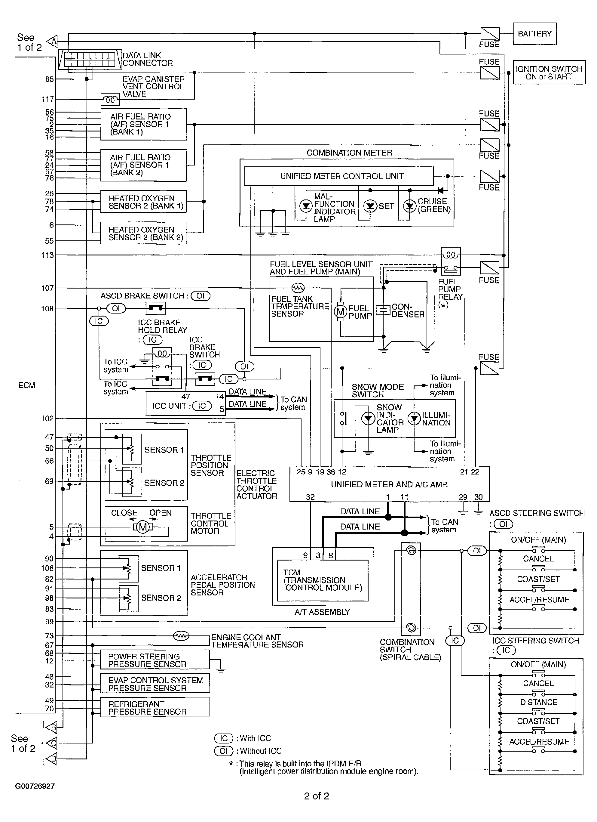
Fig 2: Engine Control Circuit (2 Of 2)
G00726927Courtesy of NISSAN MOTOR CO., U.S.A.