LEMON Manuals: Even more car manuals for everyone
Home >> Infiniti >> 2004 >> FX35 AWD >> Repair and Diagnosis >> Engine Performance >> Engine Control System >> ASCD Brake Switch >> Diagnostic Procedure

Diagnostic Procedure

  1. Check Overall Function-I 

    With CONSULT-II 

    1. Turn ignition switch ON.
    2. Select BRAKE SW1 in DATA MONITOR mode with CONSULT-II. See Figure.
    3. Check BRAKE SW1 indication under the following conditions. See Figure.

    Without CONSULT-II 

    1. Turn ignition switch ON.
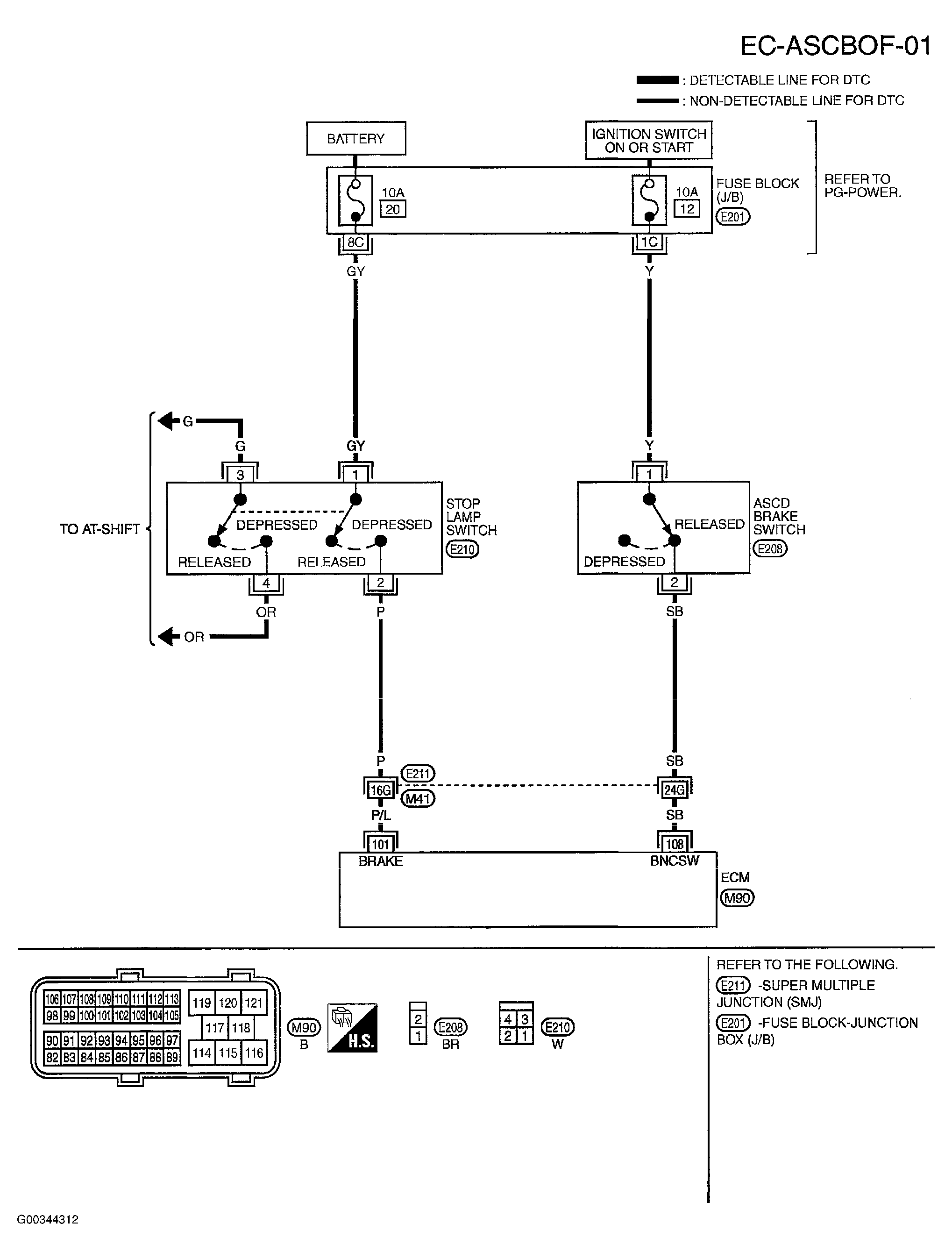
    2. Check voltage between ECM terminal 108 and ground under the following conditions. See Figure and Figure.

    OK or NG

    1. OK: Go to 2.
    2. NG: Go to  3.

  2. Check Overall Function-II 

    With CONSULT-II 

    Check BRAKE SW2 indication in DATA MONITOR mode. See Figure and Figure.

    Fig 1: Brake SW2 Condition & Indication Table
    G00344318Courtesy of NISSAN MOTOR CO., U.S.A.
    Fig 2: Brake SW2 Data Monitor Mode Display
    G00344319Courtesy of NISSAN MOTOR CO., U.S.A.

    Without CONSULT-II 

    Check voltage between ECM terminal 101 and ground under the following conditions. See Figure and Figure.

    OK or NG

    1. OK: Inspection end 
    2. NG: Go to 8.

  3. Check ASCD Brake Switch Power Supply Circuit 
    1. Turn ignition switch OFF.
    2. Disconnect ASCD brake switch harness connector. See Figure.
    3. Turn ignition switch ON.
    4. Check voltage between ASCD brake switch terminal 1 and ground with CONSULT-II or tester.
      Fig 3: Testing ASCD Brake Switch Operation (W/DVOM)
      G00344323Courtesy of NISSAN MOTOR CO., U.S.A.
      1. Voltage: Battery voltage 

    OK or NG

    1. OK: Go to 5.
    2. NG: Go to 4.

  4. Detect Malfunctioning Part 

    Check the following.

    • Fuse block (J/B) connector E201
    • 10A fuse
    • Harness for open or short between ASCD brake switch and fuse
      1. Repair open circuit or short to ground in harness or connectors.

  5. Check ASCD Brake Switch Input Signal Circuit For Open And Short 
    1. Turn ignition switch OFF.
    2. Disconnect ECM harness connector.
    3. Check harness continuity between ECM terminal 108 and ASCD brake switch terminal 2.

      Refer to wiring diagram. See Figure.

      1. Continuity should exist  .

    4. Also check harness for short to ground or short to power.

    OK or NG

    1. OK: Go to 7.
    2. NG: Go to 6.

  6. Detect Malfunctioning Part 

    Check the following.

    • Harness connectors E211, M41
    • Harness for open or short between ECM and ASCD brake switch
      1. Repair open circuit or short to ground in harness or connectors.

  7. Check ASCD Brake Switch 

    Refer to COMPONENT INSPECTION 

    OK or NG

    1. OK: Go to 13.
    2. NG: Replace ASCD brake switch.

  8. Check Stop Lamp Switch Power Supply Circuit 
    1. Turn ignition switch OFF.
    2. Disconnect stop lamp switch harness connector. See Figure.
    3. Check voltage between stop lamp switch terminal 1 and ground with CONSULT-II or tester. See Figure.
      1. Voltage: Battery voltage 

    OK or NG

    1. OK: Go to 10.
    2. NG: Go to 9.

  9. Detect Malfunctioning Part 

    Check the following.

    • Fuse block (J/B) connector E201
    • 10A fuse
    • Harness for open or short between stop lamp switch and battery
      1. Repair open circuit or short to ground or short to power in harness or connectors.

  10. Check Stop Lamp Switch Input Signal Circuit For Open And Short 
    1. Disconnect ECM harness connector.
    2. Check harness continuity between ECM terminal 101 and stop lamp switch terminal 2.

      Refer to wiring diagram. See Figure.

      1. Continuity should exist  .

    3. Also check harness for short to ground and short to power.

    OK or NG

    1. OK: Go to  12.
    2. NG: Go to 11.

  11. Detect Malfunctioning Part 

    Check the following.

    • Harness connectors E211, M41
    • Harness for open or short between ECM and stop lamp switch
      1. Repair open circuit or short to ground or short to power in harness or connectors.

  12. Check Stop Lamp Switch 

    Refer to COMPONENT INSPECTION 

    OK or NG

    1. OK: Go to 13.
    2. NG: Replace stop lamp switch.

  13. Check Intermittent Incident 

    Refer to TROUBLE DIAGNOSIS FOR INTERMITTENT INCIDENT .

    1. Inspection end