LEMON Manuals: Even more car manuals for everyone
Home >> Infiniti >> 2003 >> M45 >> Repair and Diagnosis >> Body & Frame >> Windows >> Power Window System >> Power Window System >> Schematic

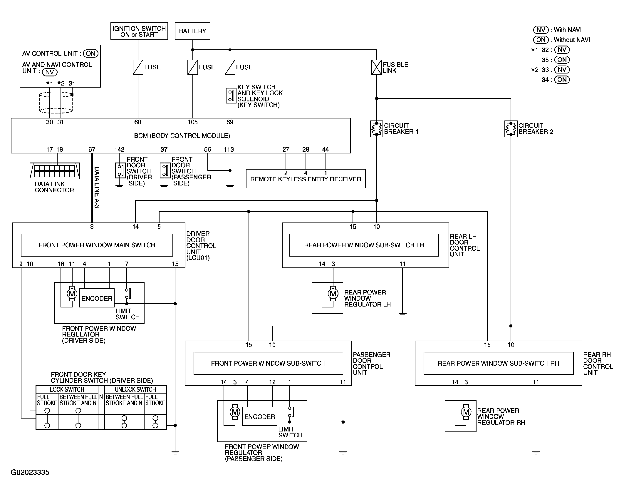
Power Window System: Schematic

Fig 1: Power Window System Schematic Diagram
G02023335Courtesy of NISSAN MOTOR CO., U.S.A.