LEMON Manuals: Even more car manuals for everyone
Home >> Infiniti >> 2003 >> FX45 >> Repair and Diagnosis >> External Pages >> Different car >> Section 703 (Engine Control System - System And Component Testing) >> Injector Circuit >> Wiring Diagram

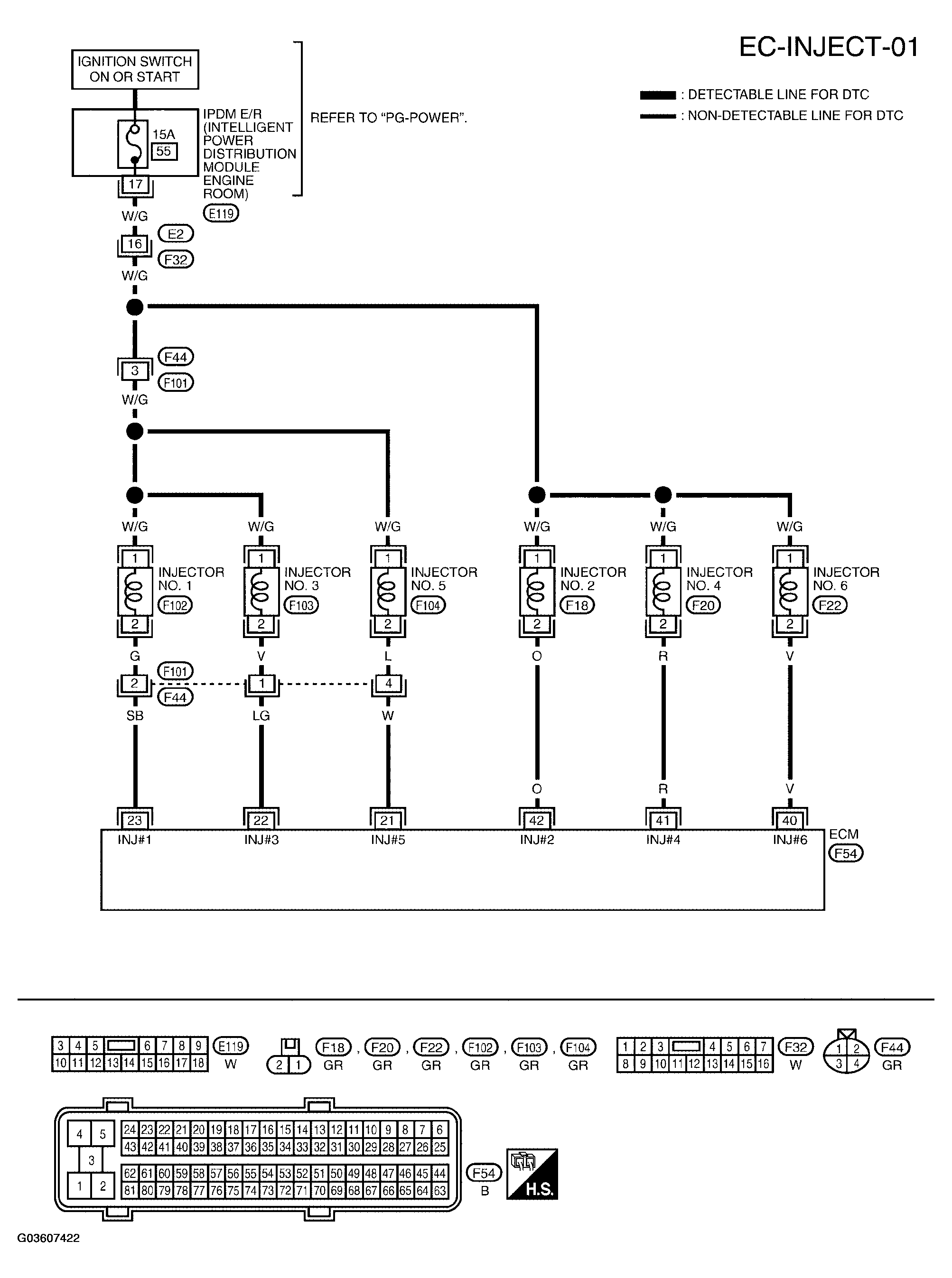
Injector Circuit: Wiring Diagram

WARNING: This page is about a different car, the 2005 Nissan Xterra. However, it is still accessible from the selected car via links, so may be relevant.
Fig 1: Wiring Diagram - EC-INJECT-01
G03607422Courtesy of NISSAN MOTOR CO., U.S.A.

Specification data are reference values and are measured between each terminal and ground. Pulse signal is measured by CONSULT-II.

CAUTION: Do not use ECM ground terminals when measuring input/output voltage. Doing so may result in damage to the ECM's transistor. Use a ground other than ECM terminals, such as the ground.
Fig 2: Pulse Signal Table
G03607423Courtesy of NISSAN MOTOR CO., U.S.A.