LEMON Manuals: Even more car manuals for everyone
Home >> Infiniti >> 2003 >> FX45 >> Repair and Diagnosis >> Engine Performance >> System >> Engine Controls - Self-Diagnostics >> Diagnostic Tests >> DTC P1140: Intake Valve Timing Control Position Sensor Circuit (Bank 1) Or DTC P1145: Intake Valve Timing Control Position Sensor Circuit (Bank 2) >> Diagnostic Procedure

Diagnostic Procedure

For wiring diagrams, see Fig 1 and Fig 2 . For diagnostic procedure, see Fig 3 and Fig 4 .

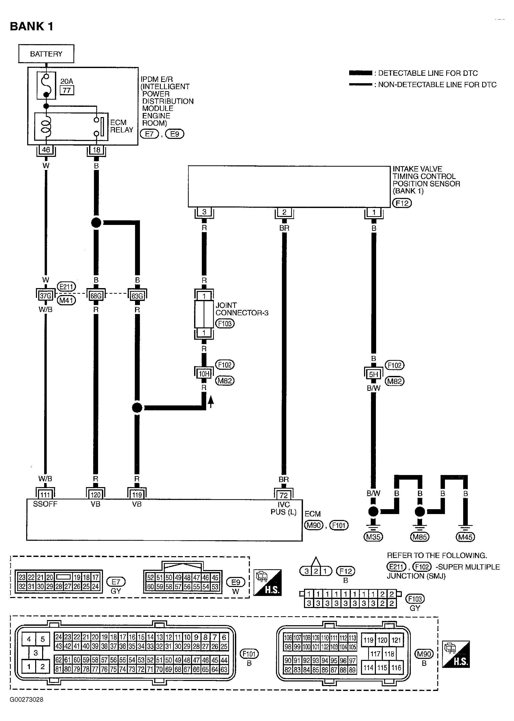
Fig 1: Intake Valve Timing Control Position Sensor Wiring Diagram (Bank 1)
G00273028Courtesy of NISSAN MOTOR CO., U.S.A.
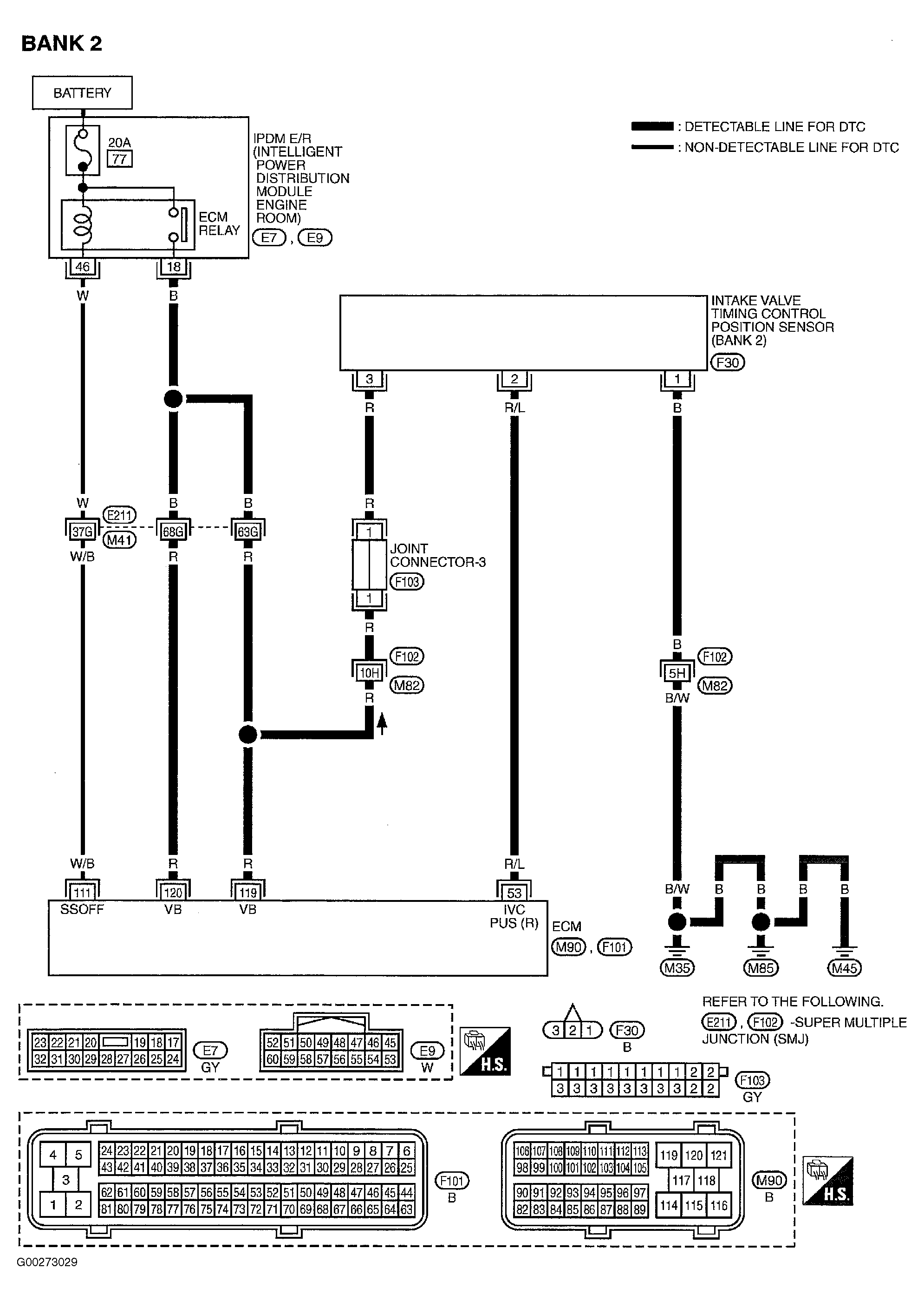
Fig 2: Intake Valve Timing Control Position Sensor Wiring Diagram (Bank 2)
G00273029Courtesy of NISSAN MOTOR CO., U.S.A.
Fig 3: Diagnostic Procedure For Intake Valve Timing Control Position Sensor (Step 1-3)
G00273030Courtesy of NISSAN MOTOR CO., U.S.A.
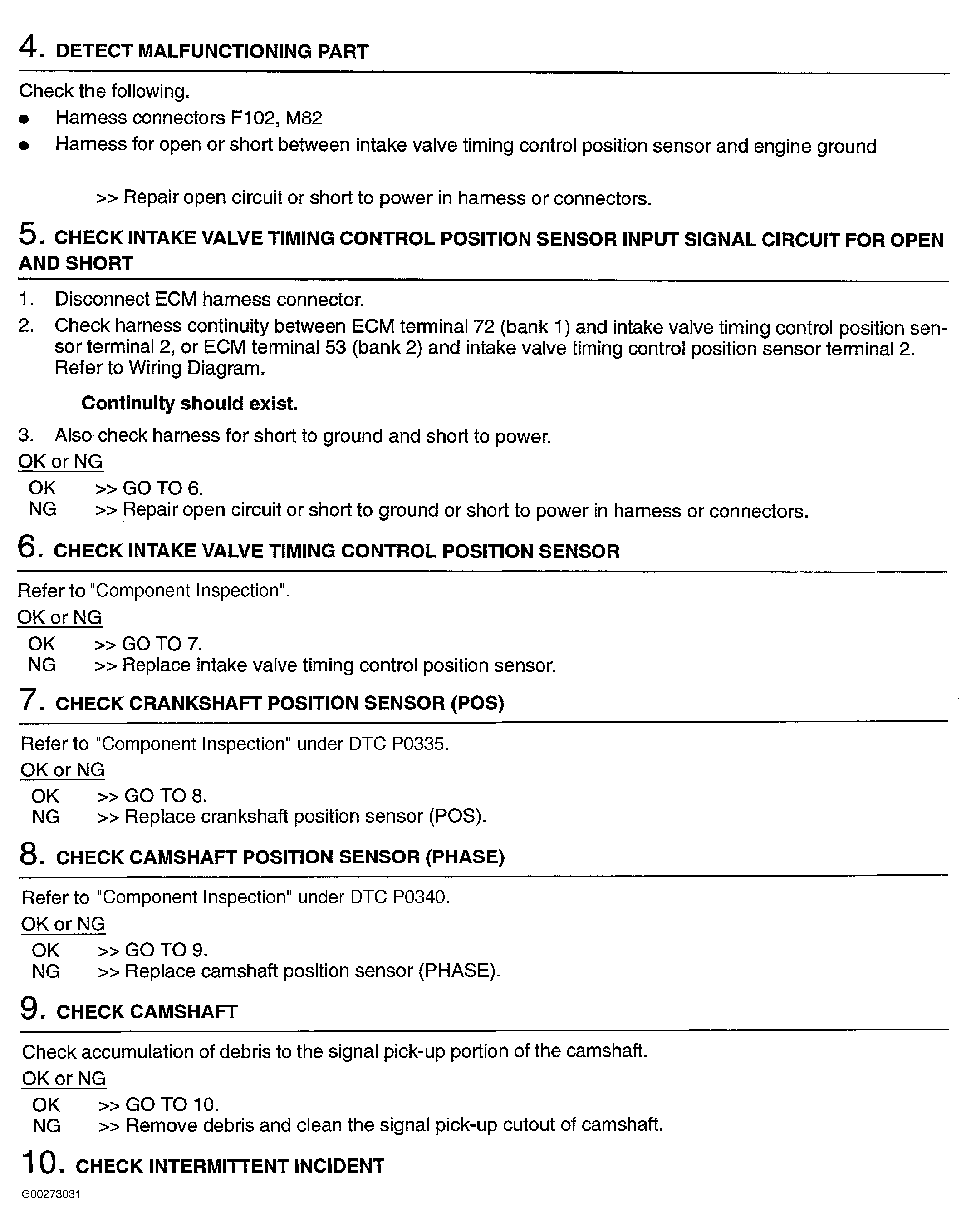
Fig 4: Diagnostic Procedure For Intake Valve Timing Control Position Sensor (Step 4-10)
G00273031Courtesy of NISSAN MOTOR CO., U.S.A.