LEMON Manuals: Even more car manuals for everyone
Home >> Infiniti >> 2003 >> FX45 >> Repair and Diagnosis >> Engine Performance >> System >> Engine Controls - Self-Diagnostics >> Diagnostic Tests >> DTC P0222: Throttle Position Sensor 1 Circuit Low Input Or DTC P0223: Throttle Position Sensor 1 Circuit High Input >> Diagnostic Procedure

Diagnostic Procedure

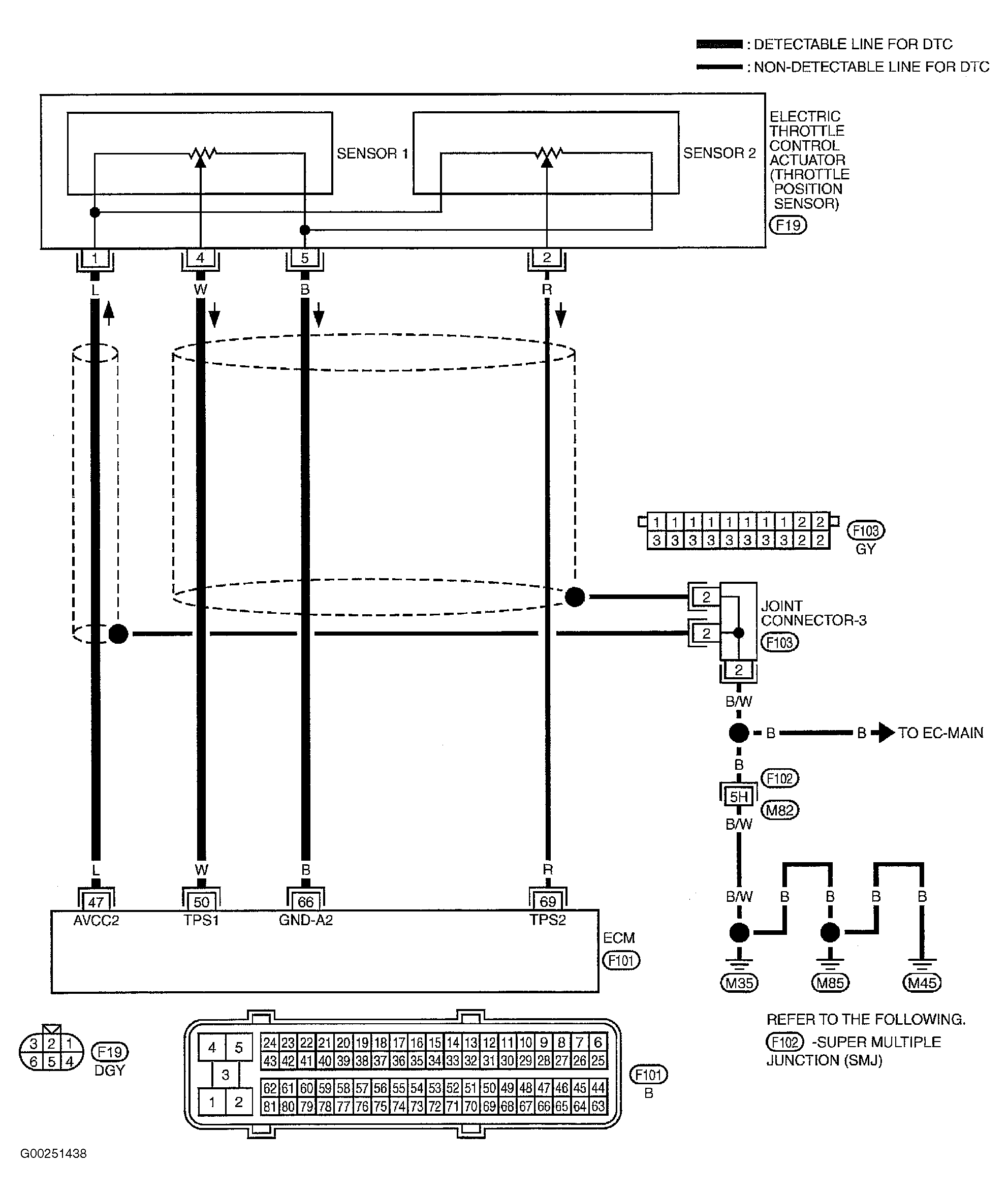
For wiring diagram, see Fig 1 . For diagnostic procedure, see Fig 2 and Fig 3 .

Fig 1: Throttle Position Sensor Wiring Diagram
G00251438Courtesy of NISSAN MOTOR CO., U.S.A.
Fig 2: Diagnostic Procedure For Throttle Position Sensor (Step 1-3)
G00251439Courtesy of NISSAN MOTOR CO., U.S.A.
Fig 3: Diagnostic Procedure For Throttle Position Sensor (Step 4-7)
G00251440Courtesy of NISSAN MOTOR CO., U.S.A.