LEMON Manuals: Even more car manuals for everyone
Home >> Infiniti >> 2003 >> FX45 >> Repair and Diagnosis >> Engine Performance >> System >> Engine Controls - Self-Diagnostics >> Diagnostic Tests >> DTC P0102: Mass Air Flow Sensor Circuit Low Input Or DTC P0103: Mass Air Flow Sensor Circuit High Input >> Diagnostic Procedure

Diagnostic Procedure

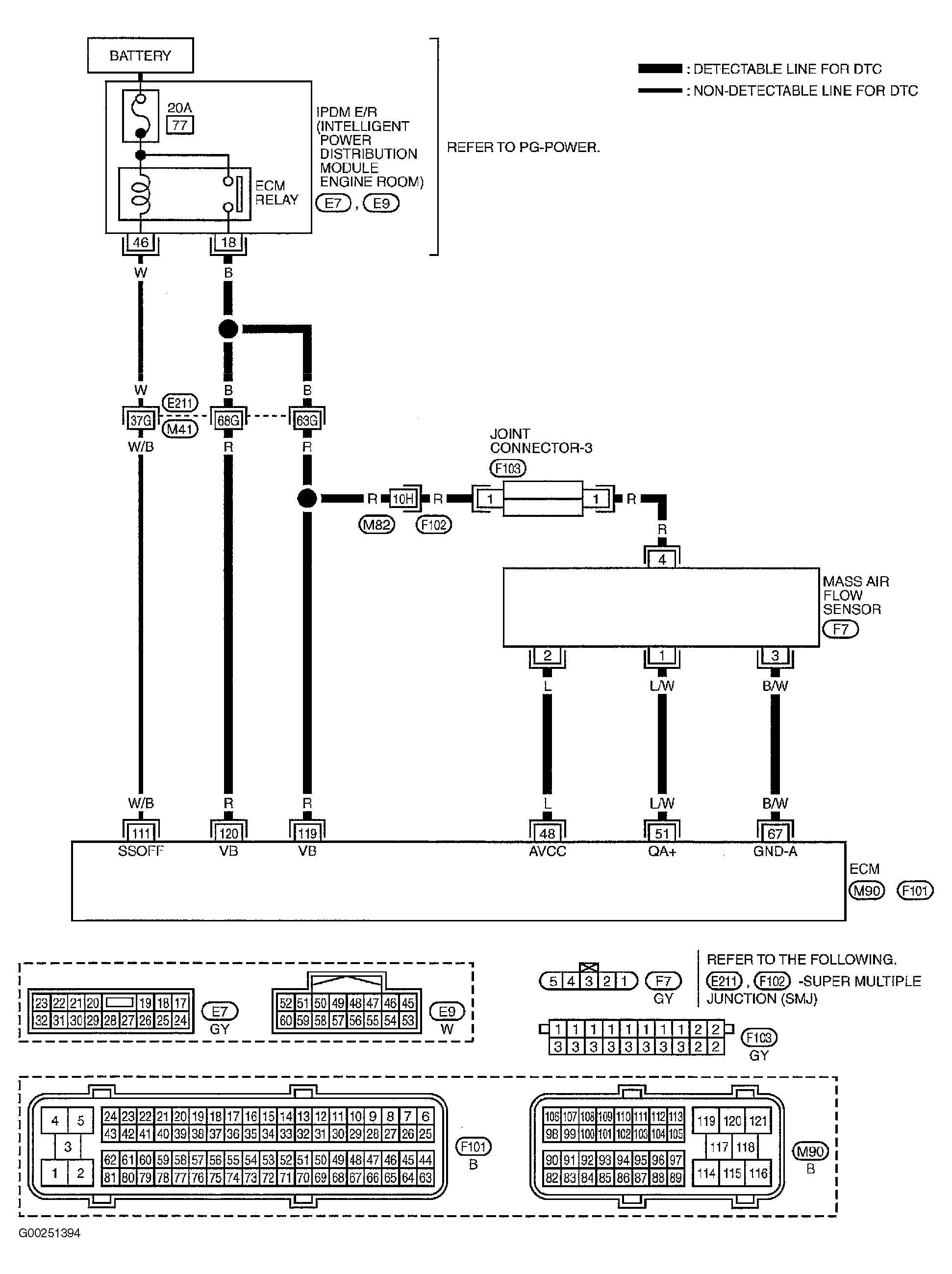
For wiring diagram, see Figure . For diagnostic procedure, see Fig 1 and Fig 2 .

Fig 1: Diagnostic Procedure For MAF Sensor (Step 1-4)
G00251397Courtesy of NISSAN MOTOR CO., U.S.A.
Fig 2: Diagnostic Procedure For MAF Sensor (Step 5-9)
G00251398Courtesy of NISSAN MOTOR CO., U.S.A.