LEMON Manuals: Even more car manuals for everyone
Home >> Infiniti >> 2003 >> FX35 AWD >> Repair and Diagnosis >> Engine Performance >> System >> Engine Controls - Self-Diagnostics >> Diagnostic Tests >> DTC P0327: Knock Sensor Circuit Low Input & DTC P0328: Knock Sensor Circuit High Input >> Diagnostic Procedure

Diagnostic Procedure

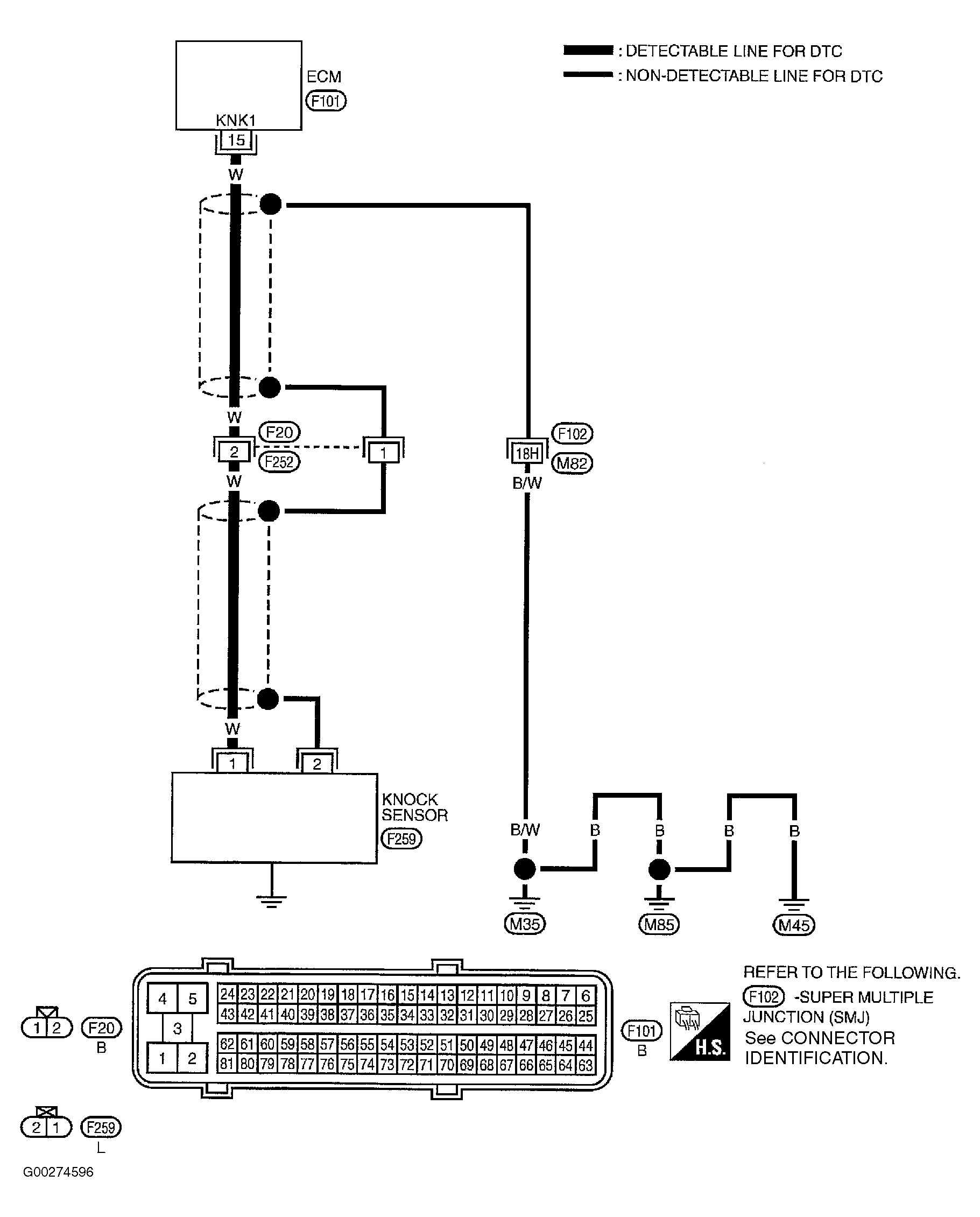
For DTC P0327 and P0328 diagnostic procedure, related circuits and connectors, see Fig 1-Fig 4 .

Fig 1: Identifying Knock Sensor Related Circuits & Connectors
G00274596Courtesy of NISSAN MOTOR CO., U.S.A.
Fig 2: Identifying Knock Sensor Circuit Specification Data
G00274597Courtesy of NISSAN MOTOR CO., U.S.A.
Fig 3: DTCs P0327 & P0328 Diagnostic Procedure (1 Of 2)
G00266038Courtesy of NISSAN MOTOR CO., U.S.A.
Fig 4: DTCs P0327 & P0328 Diagnostic Procedure (2 Of 2)
G00266039Courtesy of NISSAN MOTOR CO., U.S.A.