LEMON Manuals: Even more car manuals for everyone
Home >> Infiniti >> 1991 >> Q45 Base >> Repair and Diagnosis >> Engine Performance >> System >> Engine Controls - Tests W/Codes >> Diagnostic Code Charts >> Code 46: Secondary Throttle Sensor

Code 46: Secondary Throttle Sensor

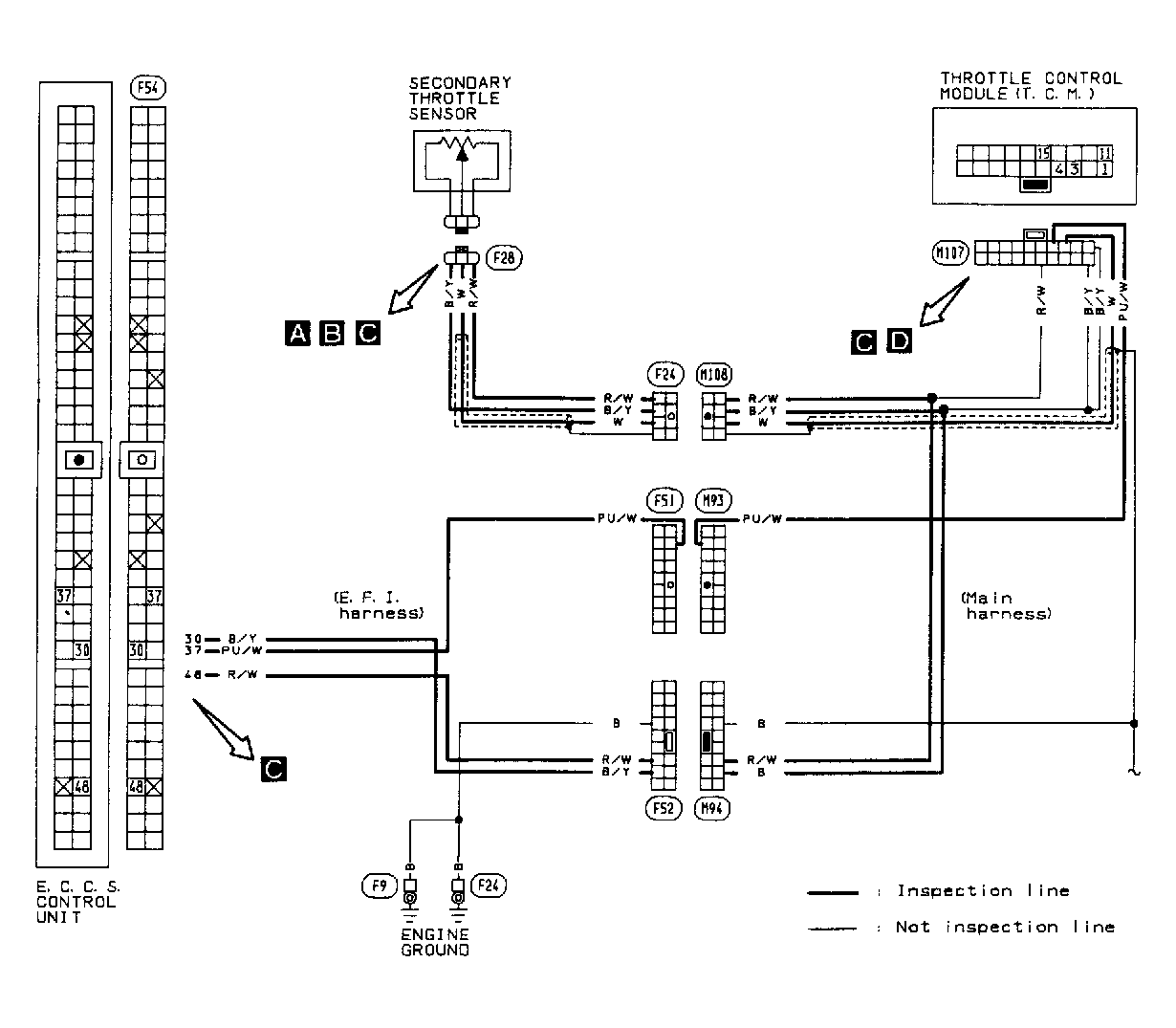
Fig 1: Code 46: Secodary Throttle Sensor Circuit Diagram
G91B17393Courtesy of NISSAN MOTOR CO., U.S.A.
Fig 2: Code 46: Secodary Throttle Sensor & ECU Harness Location
G91C17394Courtesy of NISSAN MOTOR CO., U.S.A.
Fig 3: Code 46: Secondary Throttle Sensor Flow Chart (1 of 3)
G91D17395Courtesy of NISSAN MOTOR CO., U.S.A.
Fig 4: Code 46: Secondary Throttle Sensor Flow Chart (2 of 3)
G91E17396Courtesy of NISSAN MOTOR CO., U.S.A.
Fig 5: Code 46: Secondary Throttle Sensor Flow Chart (3 of 3)
G91F17397Courtesy of NISSAN MOTOR CO., U.S.A.