LEMON Manuals: Even more car manuals for everyone
Home >> Infiniti >> 1991 >> Q45 Base >> Repair and Diagnosis >> Engine Performance >> System >> Engine Controls - Tests W/Codes >> Diagnostic Code Charts >> Code 11: Crank Angle Sensor

Code 11: Crank Angle Sensor

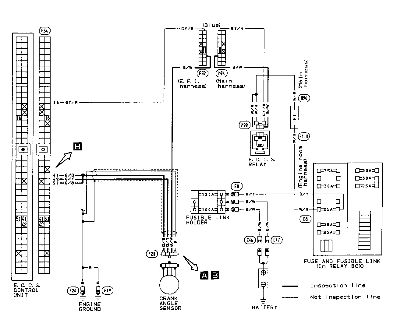
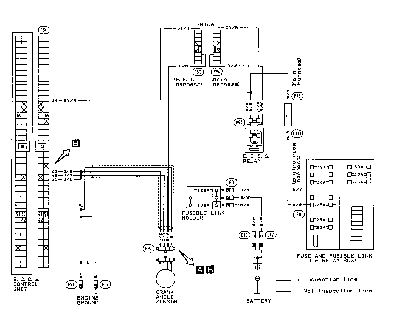
Fig 1: Code 11: Crank Angle Sensor Circuit Diagram
G91D17312Courtesy of NISSAN MOTOR CO., U.S.A.
Fig 2: Code 11: Crank Angle Sensor & ECU Harness Location
G91E17313Courtesy of NISSAN MOTOR CO., U.S.A.
Fig 3: Code 11: Crank Angle Sensor Flow Chart
G91I17366Courtesy of NISSAN MOTOR CO., U.S.A.