LEMON Manuals: Even more car manuals for everyone
Home >> Hyundai >> 2017 >> Azera Base >> Repair and Diagnosis (Single Page) >> Transmission >> Automatic Trans >> Automatic Transaxle Control System >> Transaxle Control Module (TCM) >> Schematic Diagrams >> Circuit Diagram

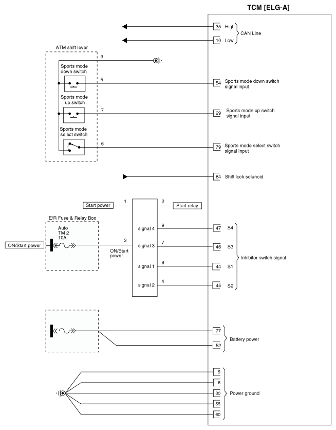
Circuit Diagram

Fig 1: TCM Circuit (1 Of 2)
G12088705Courtesy of HYUNDAI MOTOR AMERICA
Fig 2: TCM Circuit (2 Of 2)
G12088706Courtesy of HYUNDAI MOTOR AMERICA