LEMON Manuals: Even more car manuals for everyone
Home >> Hyundai >> 2017 >> Accent Value Edition >> Repair and Diagnosis >> Engine Performance >> Engine Control Systems >> Engine Control System >> Engine Control Module (ECM) >> Schematic Diagrams >> Circuit Diagram >> M/T

Circuit Diagram: M/T

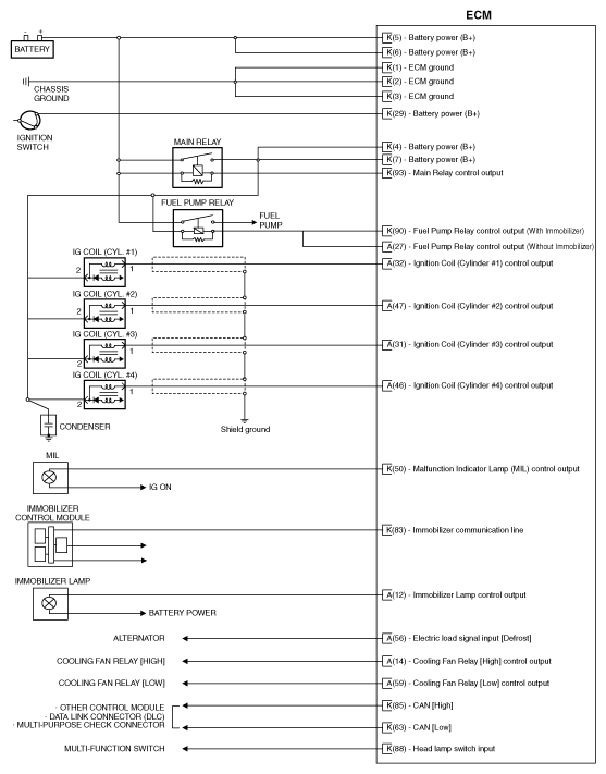
Fig 1: Engine Control Module Diagram - M/T (1 Of 4)
G12016357Courtesy of HYUNDAI MOTOR AMERICA
Fig 2: Engine Control Module Diagram - M/T (2 Of 4)
G12016358Courtesy of HYUNDAI MOTOR AMERICA
Fig 3: Engine Control Module Diagram - M/T (3 Of 4)
G12016359Courtesy of HYUNDAI MOTOR AMERICA
Fig 4: Engine Control Module Diagram - M/T (4 Of 4)
G12016360Courtesy of HYUNDAI MOTOR AMERICA