LEMON Manuals: Even more car manuals for everyone
Home >> Hyundai >> 2016 >> Genesis 3.8, AWD >> Repair and Diagnosis >> Engine Performance >> Engine Control Systems >> Engine Control System - 3.8L >> Engine Control Module (ECM) >> Schematic Diagrams >> Circuit Diagram

Circuit Diagram

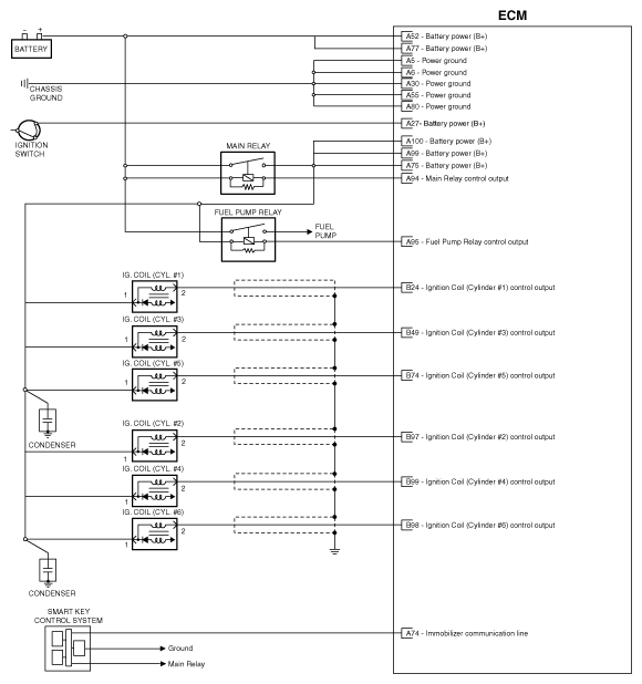
Fig 1: ECM Circuit Diagram (1 Of 5)
G10452174Courtesy of HYUNDAI MOTOR AMERICA
Fig 2: ECM Circuit Diagram (2 Of 5)
G10452175Courtesy of HYUNDAI MOTOR AMERICA
Fig 3: ECM Circuit Diagram (3 Of 5)
G10452176Courtesy of HYUNDAI MOTOR AMERICA
Fig 4: ECM Circuit Diagram (4 Of 5)
G10452177Courtesy of HYUNDAI MOTOR AMERICA
Fig 5: ECM Circuit Diagram (5 Of 5)
G10452178Courtesy of HYUNDAI MOTOR AMERICA