LEMON Manuals: Even more car manuals for everyone
Home >> Hyundai >> 2016 >> Elantra GT Automatic Trans >> Repair and Diagnosis >> Engine Performance >> Engine Control Systems >> Engine Control System >> Engine Control Module (ECM) >> Schematic Diagrams >> Circuit Diagram >> (M/T)

Circuit Diagram: (M/T)

Fig 1: ECM Circuit Diagram (M/T) (1 Of 4)
G10749835Courtesy of HYUNDAI MOTOR AMERICA
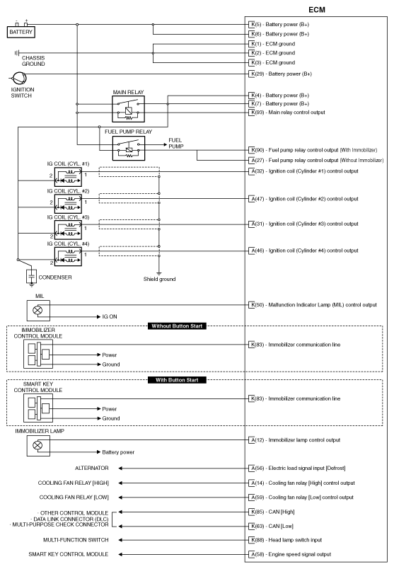
Fig 2: ECM Circuit Diagram (M/T) (2 Of 4)
G10749836Courtesy of HYUNDAI MOTOR AMERICA
Fig 3: ECM Circuit Diagram (M/T) (3 Of 4)
G10749837Courtesy of HYUNDAI MOTOR AMERICA
Fig 4: ECM Circuit Diagram (M/T) (4 Of 4)
G10749838Courtesy of HYUNDAI MOTOR AMERICA