LEMON Manuals: Even more car manuals for everyone
Home >> Hyundai >> 2016 >> Azera Base >> Repair and Diagnosis (Single Page) >> Transmission >> Transmission Control Systems >> Automatic Transaxle Control System >> Transaxle Control Module (TCM) >> Schematic Diagrams >> Circuit Diagram

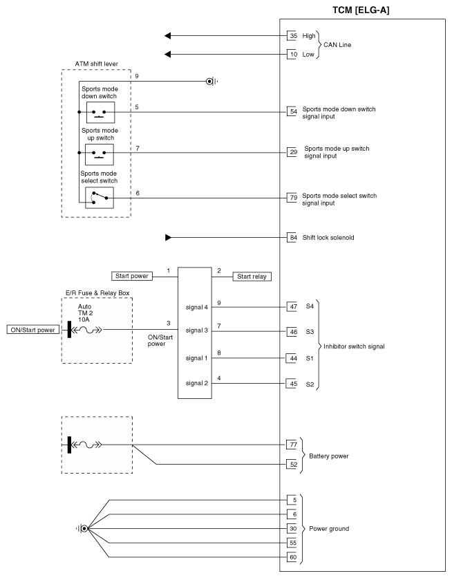
Circuit Diagram

Fig 1: TCM - Circuit Diagram
G10367671Courtesy of HYUNDAI MOTOR AMERICA
Fig 2: ATM Solenoid Valve - Circuit Diagram
G10367672Courtesy of HYUNDAI MOTOR AMERICA