LEMON Manuals: Even more car manuals for everyone
Home >> Hyundai >> 2013 >> Veloster Base, Standard Trans >> Repair and Diagnosis >> External Pages >> Different variant/trim >> Section 16 (Automatic Transaxle Control System) >> Transaxle Control Module (TCM) >> Schematic Diagrams >> Circuit Diagram

Circuit Diagram

WARNING: This page is about a different variant/trim than selected.
Fig 1: ATM Solenoid Valve And TCM - Circuit Diagram (1 Of 2)
G09150593Courtesy of HYUNDAI MOTOR AMERICA
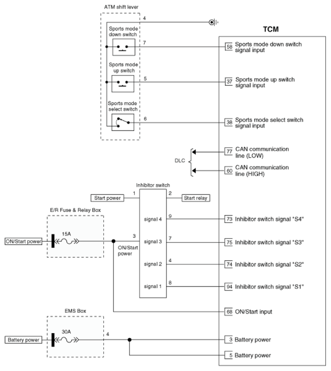
Fig 2: ATM Solenoid Valve And TCM - Circuit Diagram (2 Of 2)
G09150594Courtesy of HYUNDAI MOTOR AMERICA