LEMON Manuals: Even more car manuals for everyone
Home >> Hyundai >> 2013 >> Elantra Limited >> Repair and Diagnosis >> Engine Performance >> Engine Control Systems >> Engine Control System >> Engine Control Module (ECM) >> Schematic Diagrams >> Circuit Diagram >> (M/T)

Circuit Diagram: (M/T)

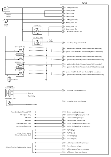
Fig 1: M/T - Circuit Diagram (1 Of 4)
G10234838Courtesy of HYUNDAI MOTOR AMERICA
Fig 2: M/T - Circuit Diagram (2 Of 4)
G10234839Courtesy of HYUNDAI MOTOR AMERICA
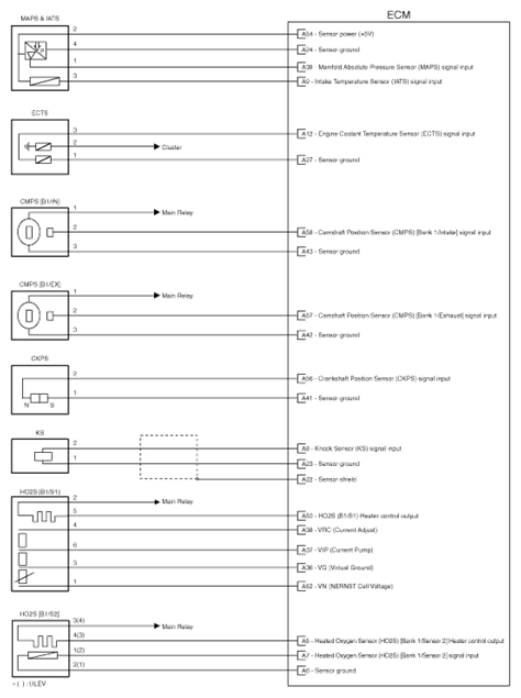
Fig 3: M/T - Circuit Diagram (3 Of 4)
G10234840Courtesy of HYUNDAI MOTOR AMERICA
Fig 4: M/T - Circuit Diagram (4 Of 4)
G10234841Courtesy of HYUNDAI MOTOR AMERICA