LEMON Manuals: Even more car manuals for everyone
Home >> Hyundai >> 2012 >> Accent GLS, Automatic Trans >> Repair and Diagnosis >> Engine Performance >> Engine Control Systems >> Engine Control System >> Engine Control Module (ECM) >> Schematic Diagrams >> Circuit Diagram >> (M/T)

Circuit Diagram: (M/T)

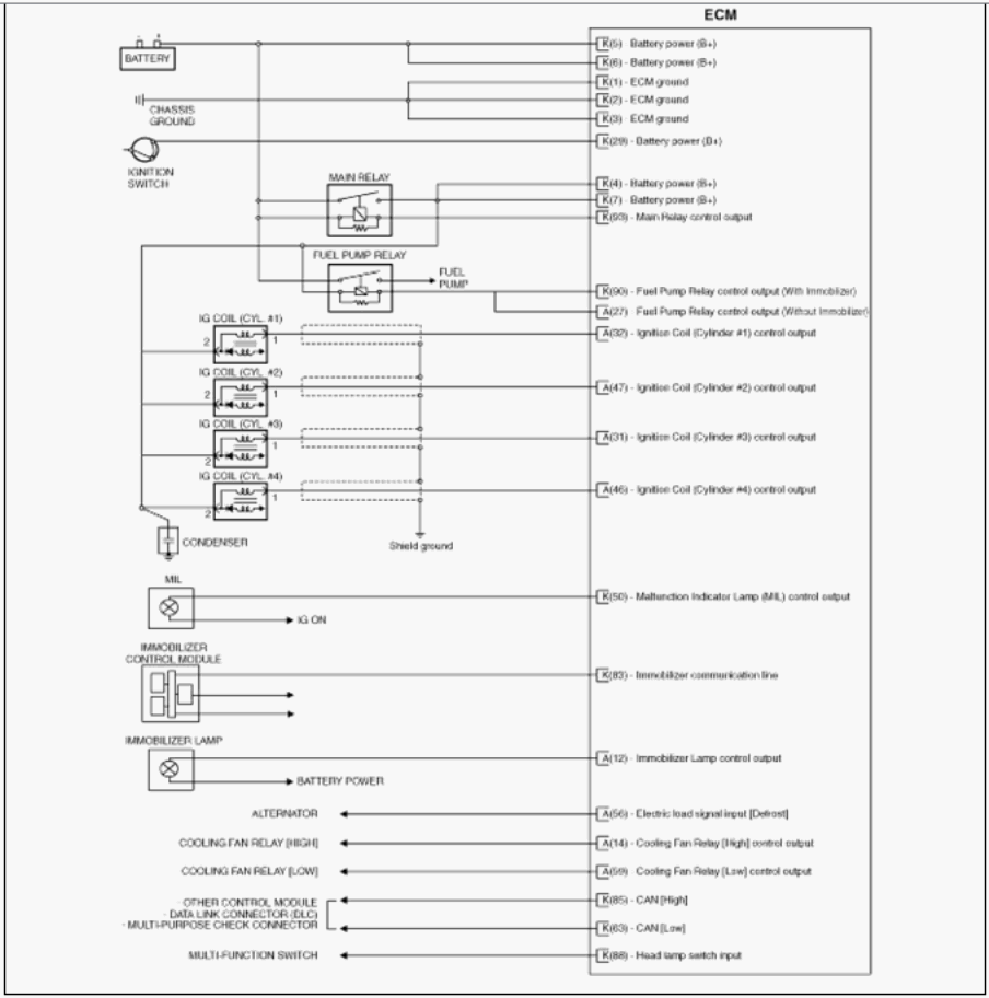
Fig 1: ECM - (M/T) Circuit Diagram (1 Of 4)
G08804397Courtesy of HYUNDAI MOTOR AMERICA
Fig 2: ECM - (M/T) Circuit Diagram (2 Of 4)
G08804398Courtesy of HYUNDAI MOTOR AMERICA
Fig 3: ECM - (M/T) Circuit Diagram (3 Of 4)
G08804399Courtesy of HYUNDAI MOTOR AMERICA
Fig 4: ECM - (M/T) Circuit Diagram (4 Of 4)
G08804400Courtesy of HYUNDAI MOTOR AMERICA