LEMON Manuals: Even more car manuals for everyone
Home >> Hyundai >> 2004 >> XG350 Base >> Repair and Diagnosis >> Engine Performance >> System >> Emissions Control System >> Evaporative Emission Control System >> Components

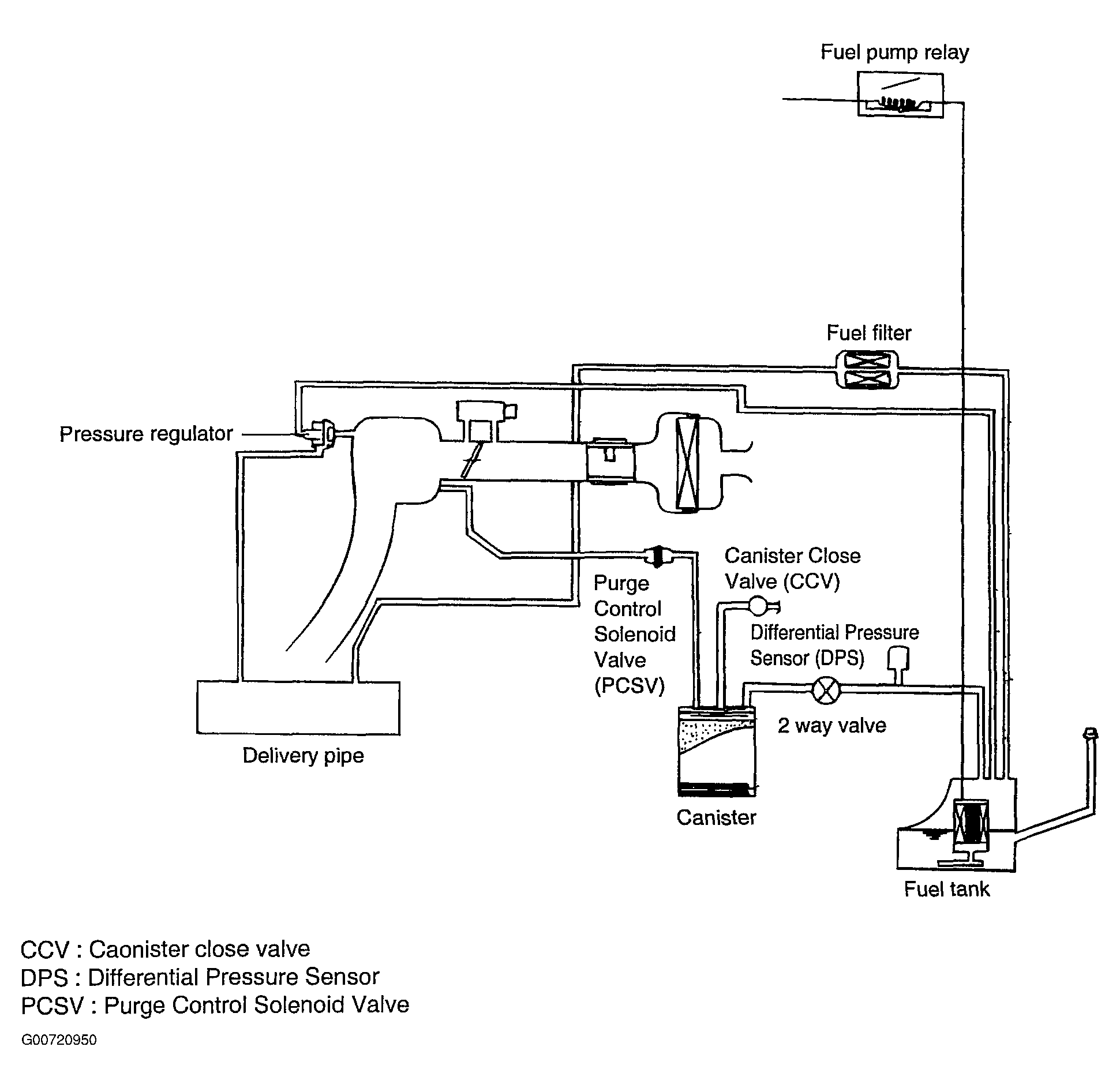
Evaporative Emission Control System: Components

Fig 1: Identifying Evaporative Emission Control System Components
G00720950Courtesy of HYUNDAI MOTOR CO.