LEMON Manuals: Even more car manuals for everyone
Home >> Hyundai >> 2003 >> XG350 Base >> Repair and Diagnosis >> Electrical >> Starters >> Overhaul >> Notes

Repair and Diagnosis: Electrical: Starters: Overhaul: Notes

CAUTION: DO NOT immerse starter components in cleaning solvent. Immersing yoke and field coil assembly and/or armature will damage insulation. Wipe these components with a cloth only. DO NOT immerse drive unit in cleaning solvent. Overrunning clutch is factory lubricated and solvent will wash lubrication from clutch. Drive unit may be cleaned with a brush moistened with cleaning solvent and wiped dry using a cloth.
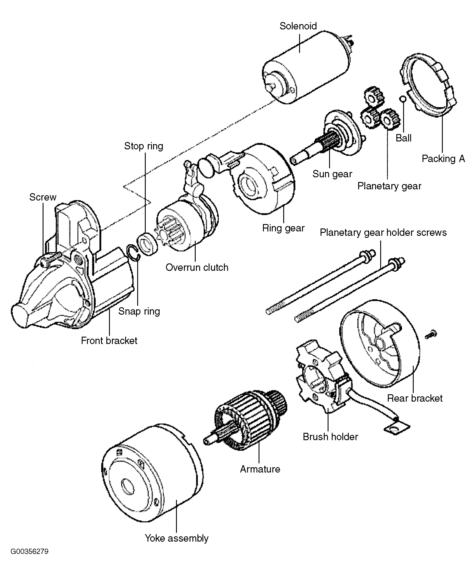
NOTE: Use exploded view of starter for disassembly/assembly. See Fig 1 .
Fig 1: Exploded View Of Starter Assembly
G00356279Courtesy of HYUNDAI MOTOR CO.