LEMON Manuals: Even more car manuals for everyone
Home >> Hummer >> 2010 >> H3 Base, Automatic >> Repair and Diagnosis >> External Pages >> Different car >> Section 38 (Data Communication System) >> Schematic and Routing Diagrams >> Data Communication Schematics

Data Communication Schematics

WARNING: This page is about a different car, the 2010 GMC Canyon and 2010 Chevrolet Colorado. However, it is still accessible from the selected car via links, so may be relevant.
Fig 1: Class 2 Serial Data
GM2242668Courtesy of GENERAL MOTORS CORP.
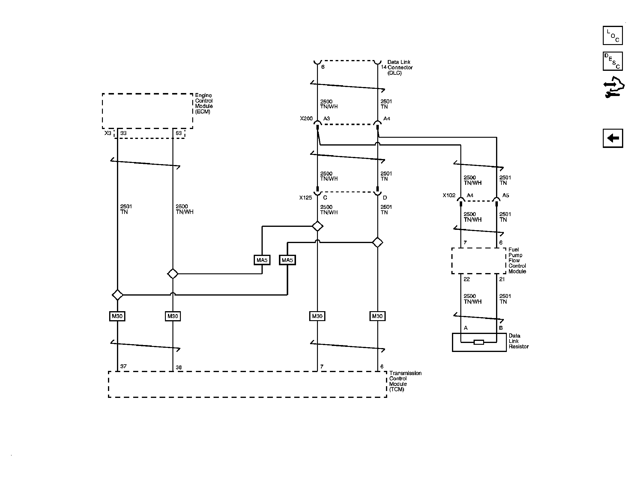
Fig 2: High Speed GMLAN Serial Data
GM2242669Courtesy of GENERAL MOTORS CORP.