LEMON Manuals: Even more car manuals for everyone
Home >> Hummer >> 2009 >> H3 Base, Automatic >> Repair and Diagnosis >> Transmission >> Transfer Case >> Schematic and Routing Diagrams >> Transfer Case Control Schematics

Transfer Case Control Schematics

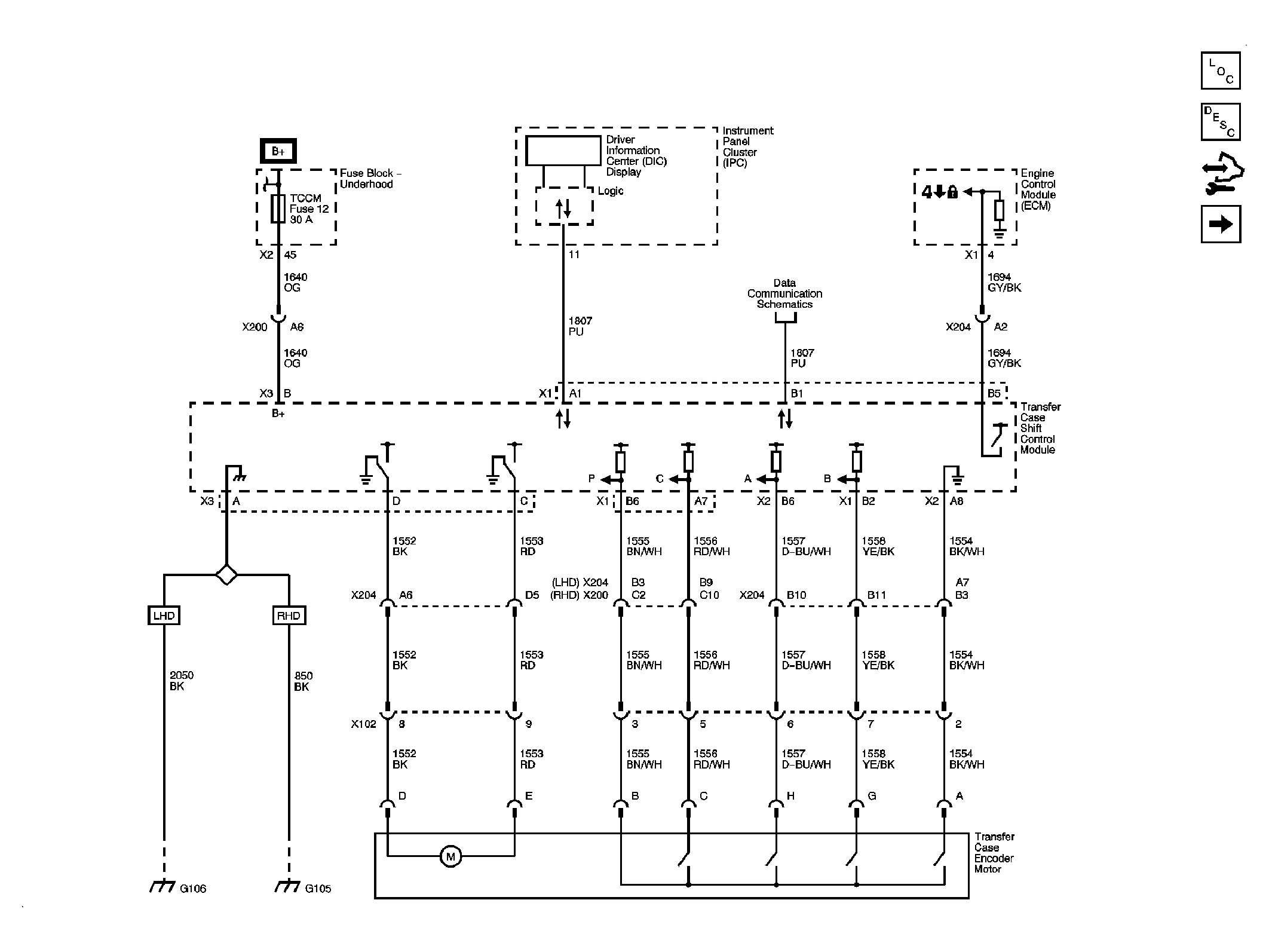
Fig 1: Power, Ground, Serial Data, and Front Axle Control Schematic
GM2080209Courtesy of GENERAL MOTORS CORP.
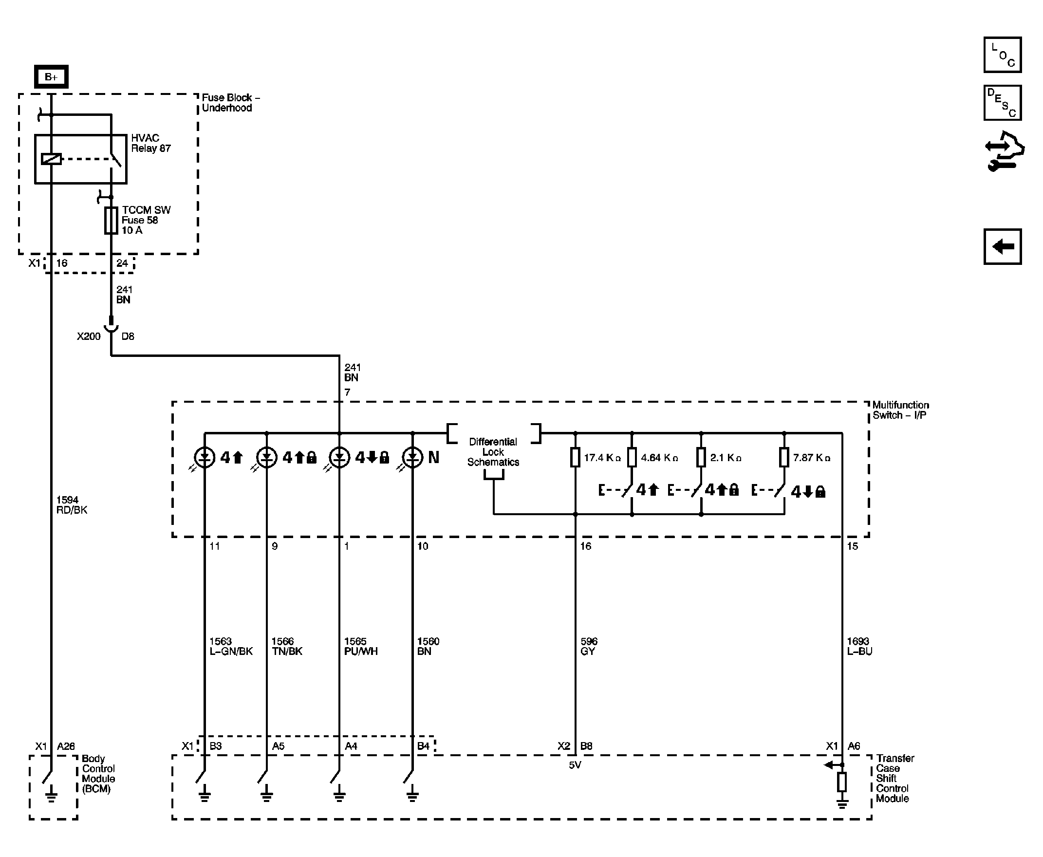
Fig 2: Shift Controls Schematic
GM2080214Courtesy of GENERAL MOTORS CORP.