LEMON Manuals: Even more car manuals for everyone
Home >> Hummer >> 2009 >> H3 Alpha >> Repair and Diagnosis >> External Pages >> Different car >> Section 8 (Cellular System, Entertainment System, And Navigation System) >> Schematic and Routing Diagrams >> Video System Schematics

Video System Schematics

WARNING: This page does not describe the selected car, but rather 8 other vehicles, including the 2007 GMC Yukon XL, 2007 GMC Yukon, 2007 Chevrolet Tahoe, 2007 Chevrolet Suburban, and 2007 Chevrolet Avalanche. However, it is still accessible from the selected car via links, so may be relevant.
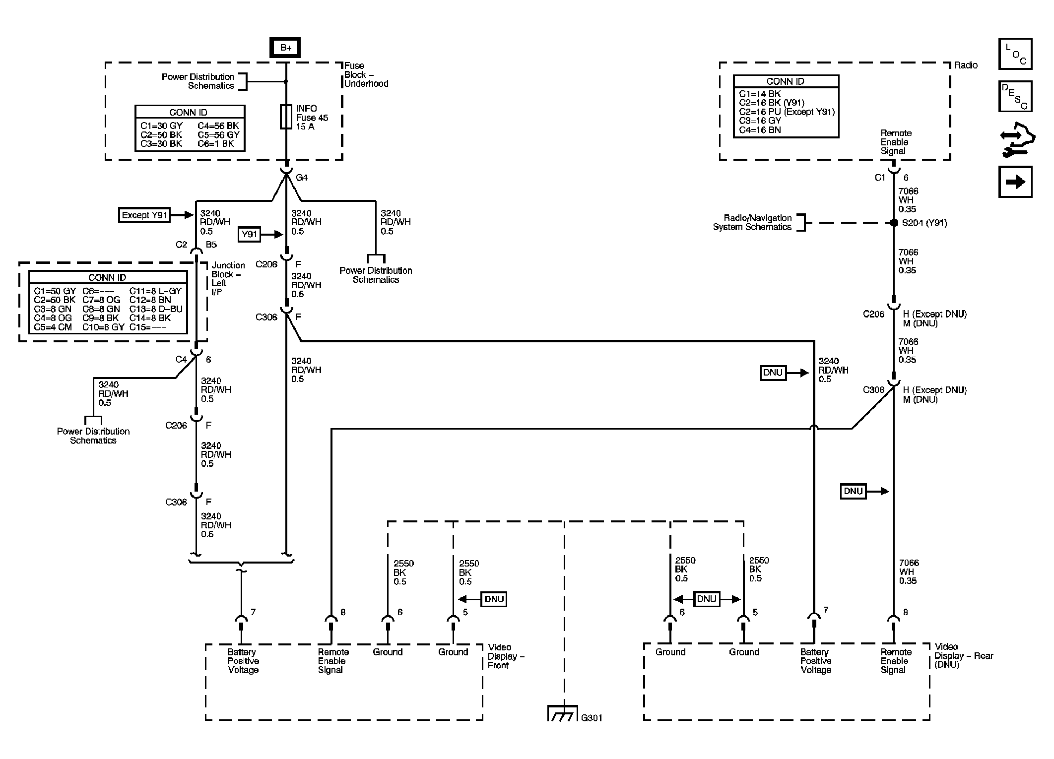
Fig 1: Display Power & Ground Schematic
GM1706134Courtesy of GENERAL MOTORS CORP.
Fig 2: Video Signals Schematic
GM1706137Courtesy of GENERAL MOTORS CORP.
Fig 3: Audio Signals Schematic
GM1706140Courtesy of GENERAL MOTORS CORP.