LEMON Manuals: Even more car manuals for everyone
Home >> Hummer >> 2009 >> H3 Alpha >> Repair and Diagnosis >> External Pages >> Different car >> Section 37 (Data Communication System) >> Schematic and Routing Diagrams >> Body Control System Schematics

Body Control System Schematics

WARNING: This page does not describe the selected car, but rather 8 other vehicles, including the 2007 GMC Yukon XL, 2007 GMC Yukon, 2007 Chevrolet Tahoe, 2007 Chevrolet Suburban, and 2007 Chevrolet Avalanche. However, it is still accessible from the selected car via links, so may be relevant.
Fig 1: Power, Ground, and Serial Data Schematic
GM1740517Courtesy of GENERAL MOTORS CORP.
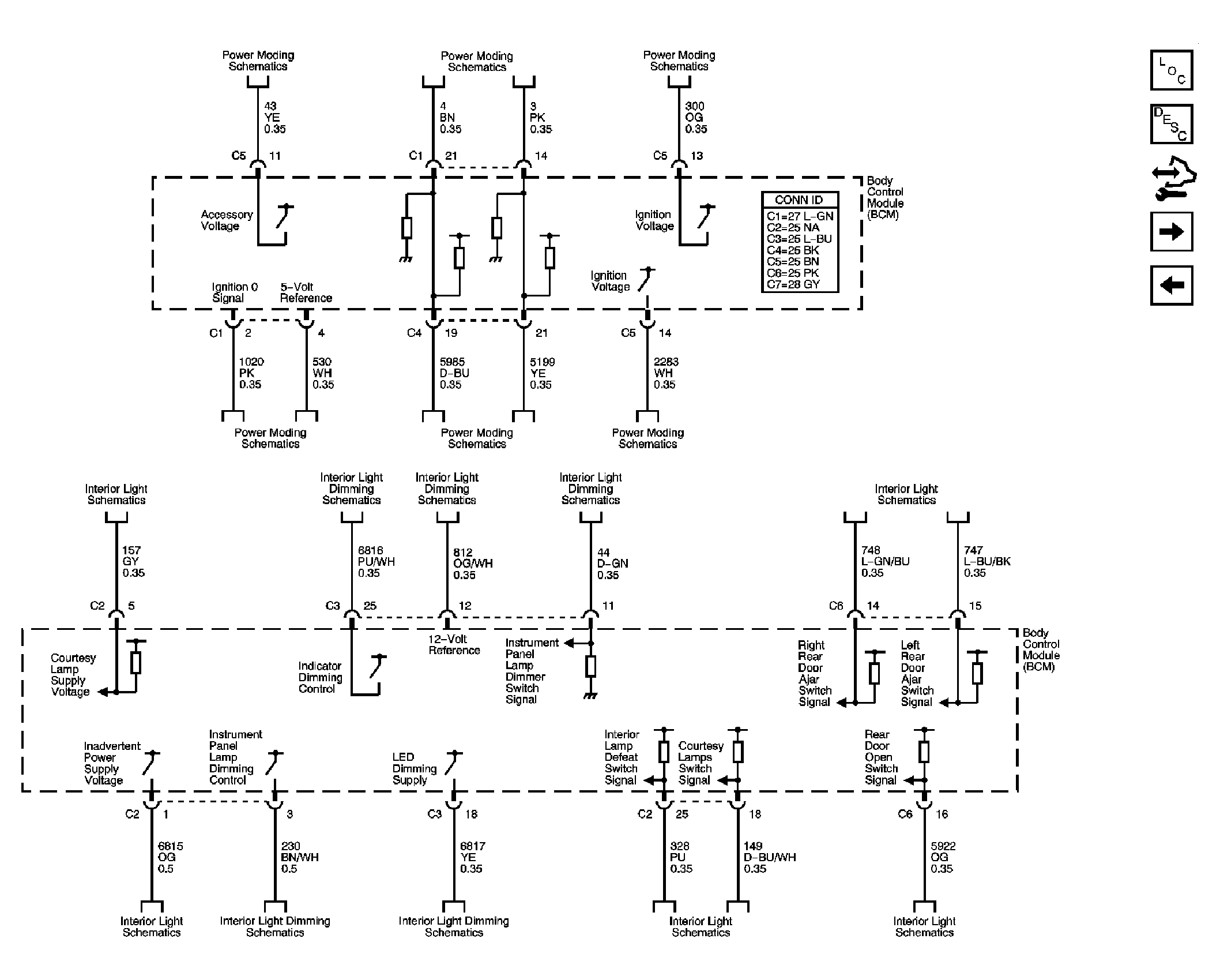
Fig 2: Power Moding and Interior Light References Schematic
GM1740519Courtesy of GENERAL MOTORS CORP.
Fig 3: Exterior Light References Schematic
GM1740521Courtesy of GENERAL MOTORS CORP.
Fig 4: Vehicle Access and Wiper References Schematic
GM1740523Courtesy of GENERAL MOTORS CORP.
Fig 5: Brake, Horn, Transmission, Theft, and Secondary Configurable Control References Schematic
GM1740524Courtesy of GENERAL MOTORS CORP.