LEMON Manuals: Even more car manuals for everyone
Home >> Hummer >> 2009 >> H3 Alpha >> Repair and Diagnosis >> External Pages >> Different car >> Section 233 (Cellular System, Entertainment System, And Navigation System) >> Wiring Schematics >> Video System Schematics >> Dual DVD Headrest System (AYE)

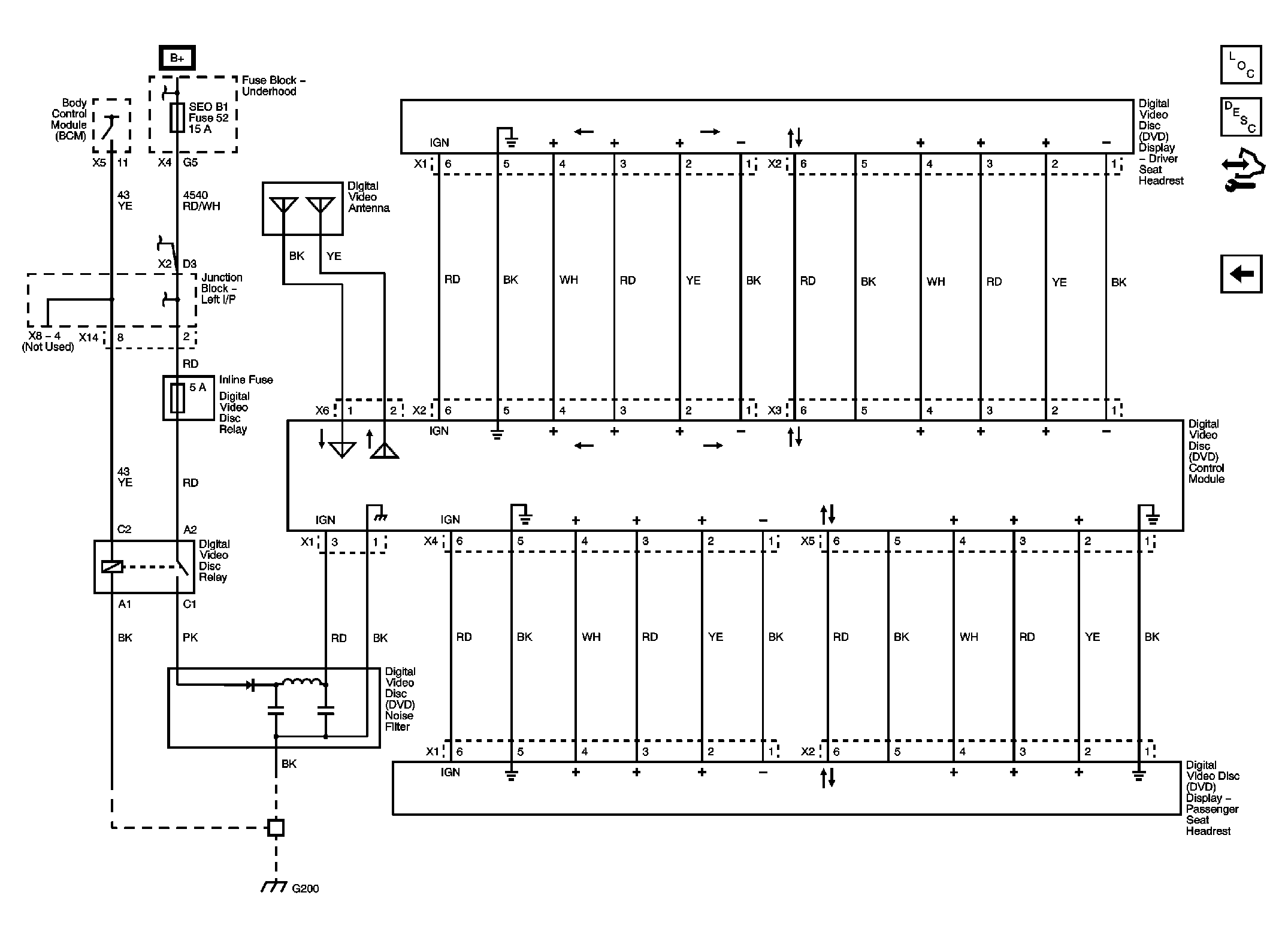
Dual DVD Headrest System (AYE)

WARNING: This page does not describe the selected car, but rather 8 other vehicles, including the 2011 GMC Yukon XL, 2011 GMC Yukon, 2011 Chevrolet Tahoe, 2011 Chevrolet Suburban, and 2011 Chevrolet Avalanche. However, it is still accessible from the selected car via links, so may be relevant.
Fig 1: Dual DVD Headrest System (AYE) Wiring Schematic
GM2399400Courtesy of GENERAL MOTORS CORP.