LEMON Manuals: Even more car manuals for everyone
Home >> Hummer >> 2008 >> H3 Base, Standard >> Repair and Diagnosis >> External Pages >> Different car >> Section 36 (Engine Control System & Fuel System - 2.9L - Introduction (2 Of 2)) >> Schematic and Routing Diagrams >> Engine Controls Schematics

Engine Controls Schematics

WARNING: This page is about a different car, the 2008 Isuzu i-290, 2008 GMC Canyon, and 2008 Chevrolet Colorado. However, it is still accessible from the selected car via links, so may be relevant.
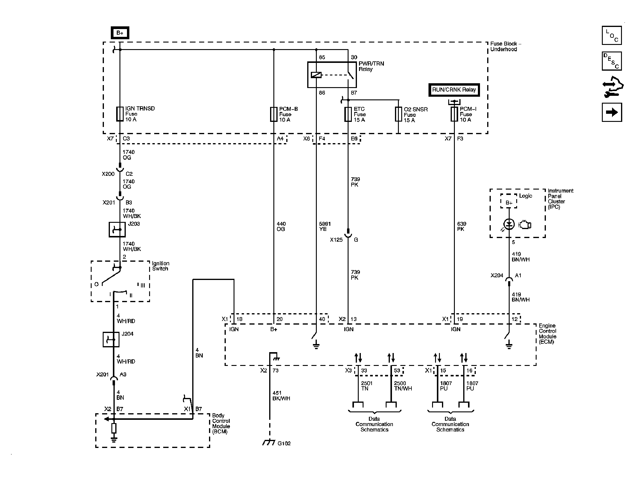
Fig 1: Module Power, Ground, Serial Data, and MIL
GM1907018Courtesy of GENERAL MOTORS CORP.
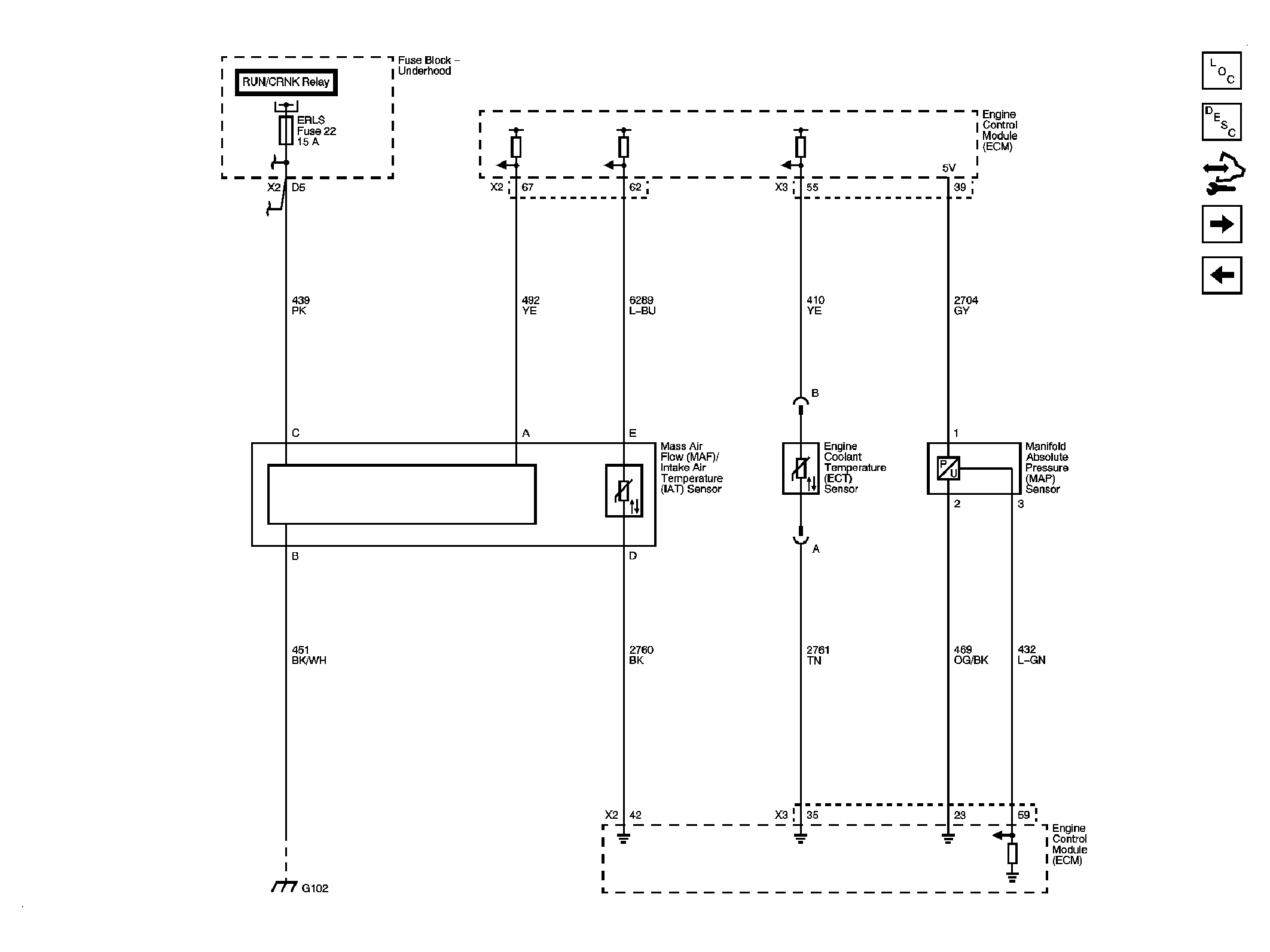
Fig 2: Engine Data Sensors - 5-Volt and Low Reference
GM1907022Courtesy of GENERAL MOTORS CORP.
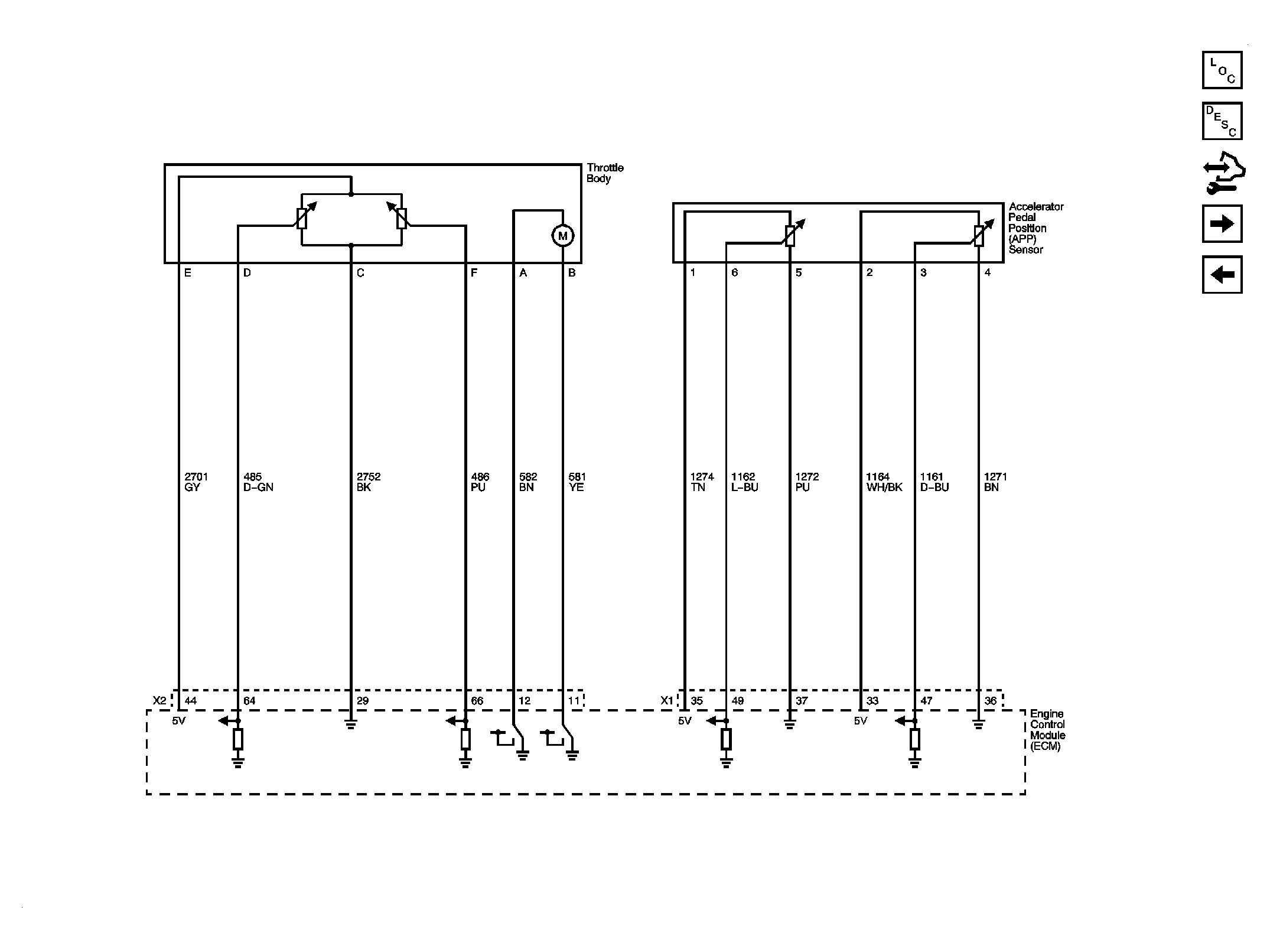
Fig 3: Engine Data Sensors - Pressure, Temperature, and Throttle Controls
GM1907024Courtesy of GENERAL MOTORS CORP.
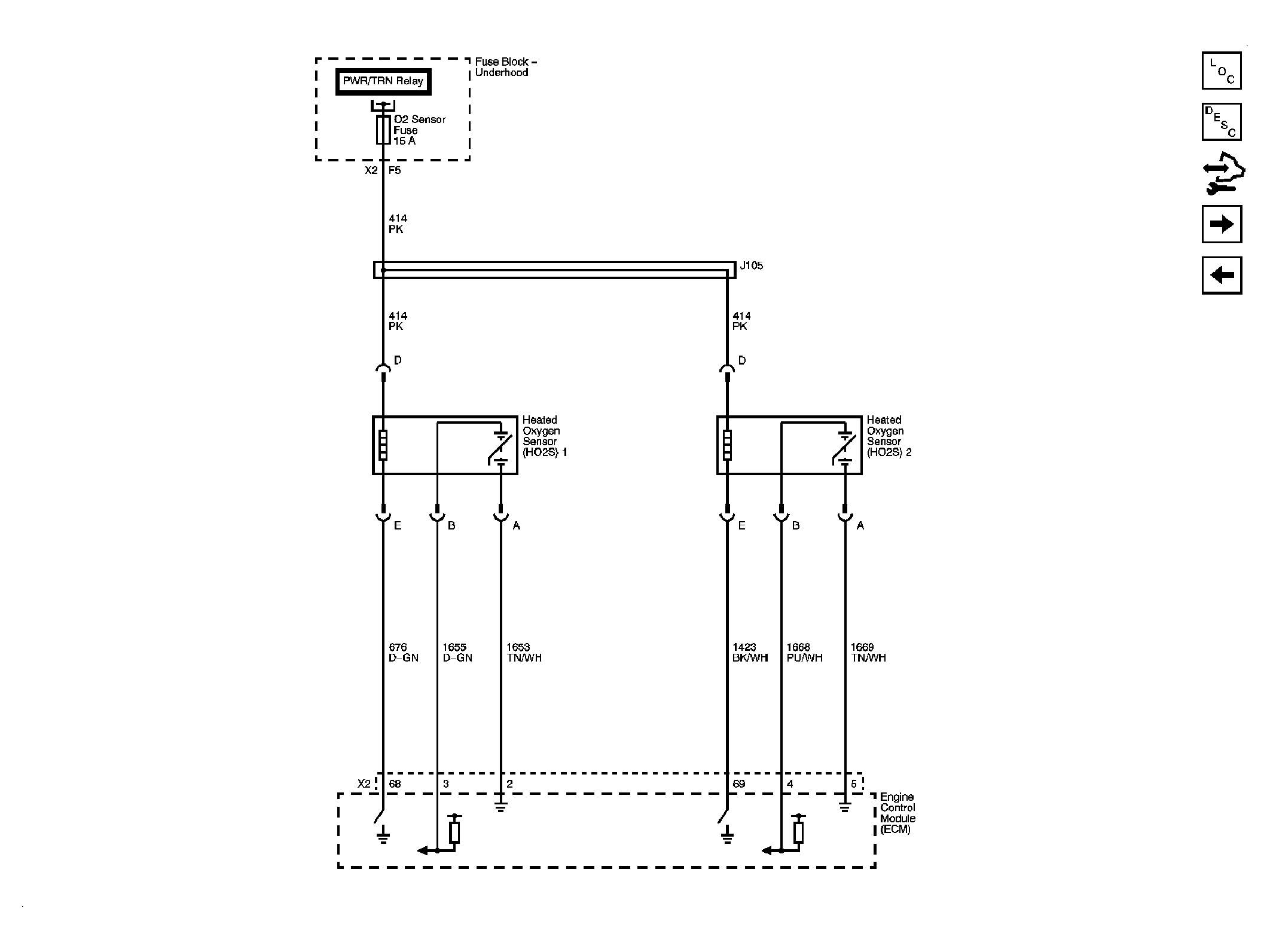
Fig 4: Engine Data Sensors - Heated Oxygen Sensors
GM1907026Courtesy of GENERAL MOTORS CORP.
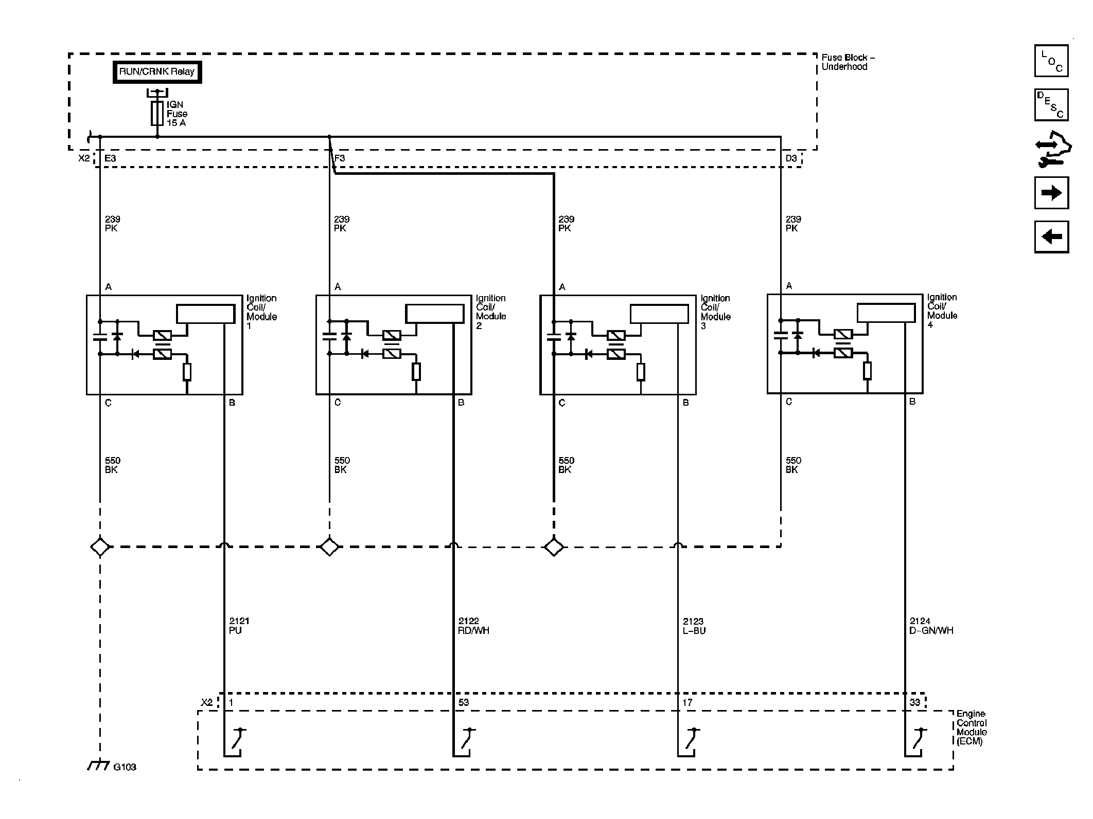
Fig 5: Ignition Controls - Ignition System Coils
GM1907034Courtesy of GENERAL MOTORS CORP.
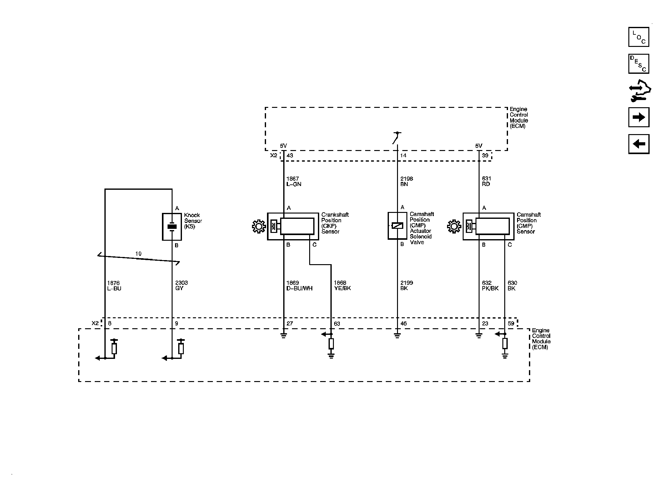
Fig 6: Ignition Controls - Sensors
GM1907028Courtesy of GENERAL MOTORS CORP.
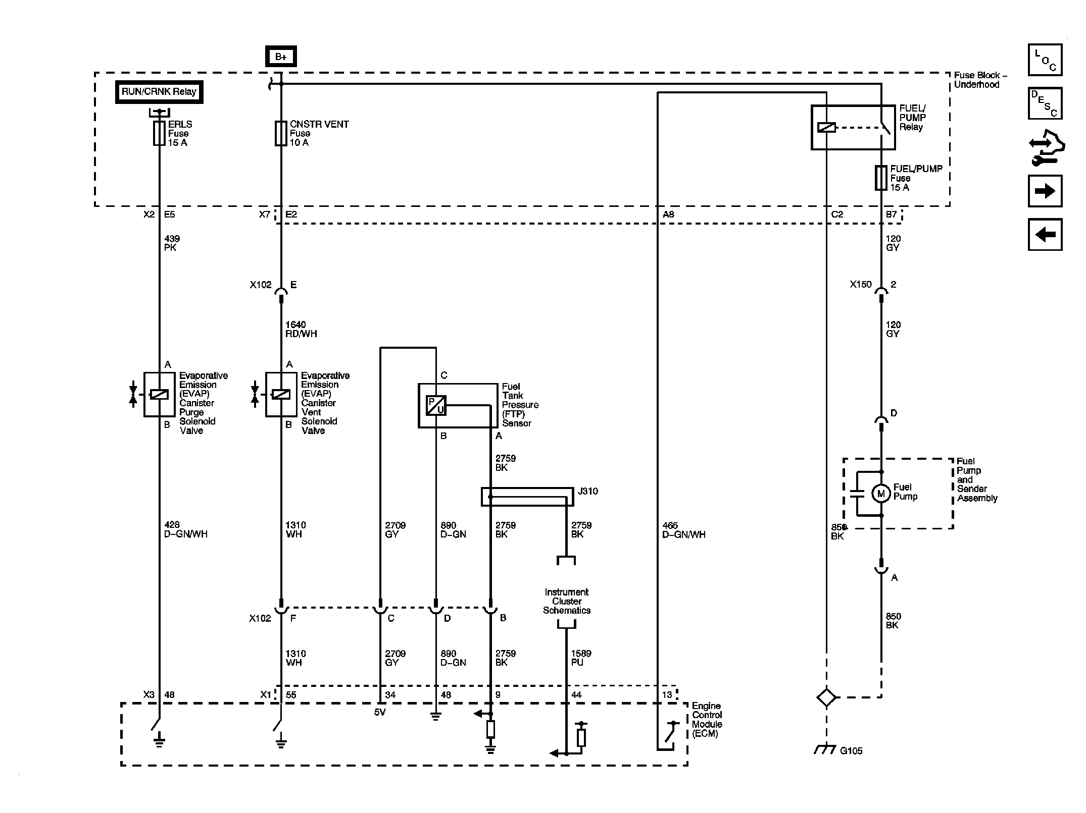
Fig 7: Fuel Controls - Fuel Pump Controls
GM1907040Courtesy of GENERAL MOTORS CORP.
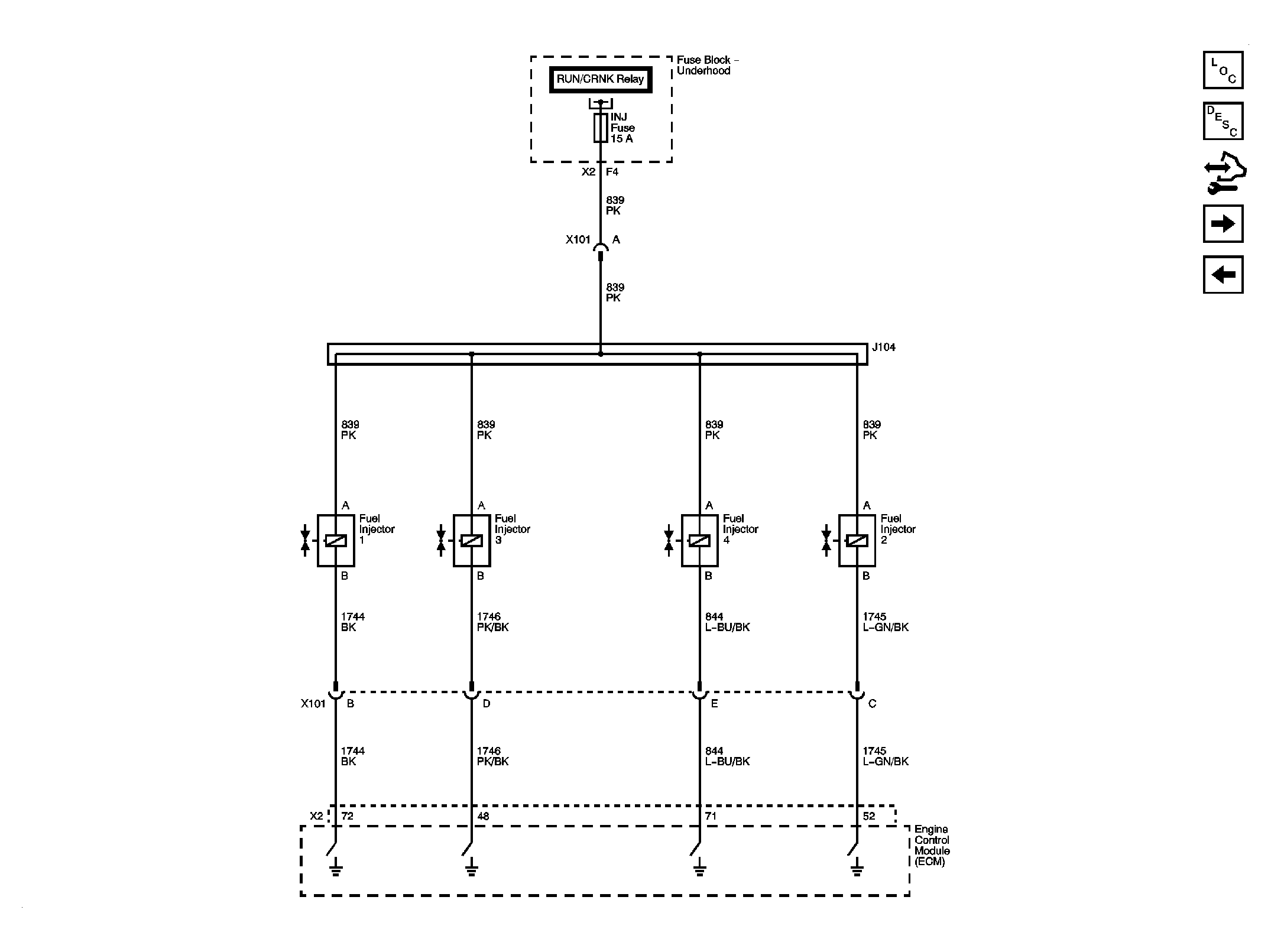
Fig 8: Fuel Controls - Fuel Injectors
GM1907042Courtesy of GENERAL MOTORS CORP.
Fig 9: Fuel Controls - EVAP Controls
GM1907045Courtesy of GENERAL MOTORS CORP.
Fig 10: Controlled/Monitored Subsystem References
GM1907048Courtesy of GENERAL MOTORS CORP.