LEMON Manuals: Even more car manuals for everyone
Home >> Hummer >> 2008 >> H3 Base, Standard >> Repair and Diagnosis >> External Pages >> Different car >> Section 297 (Engine Control System & Fuel System - 2.9L - Introduction, Service & Repair) >> Schematic and Routing Diagrams >> Engine Controls Schematics

Engine Controls Schematics

WARNING: This page is about a different car, the 2009 GMC Canyon and 2009 Chevrolet Colorado. However, it is still accessible from the selected car via links, so may be relevant.
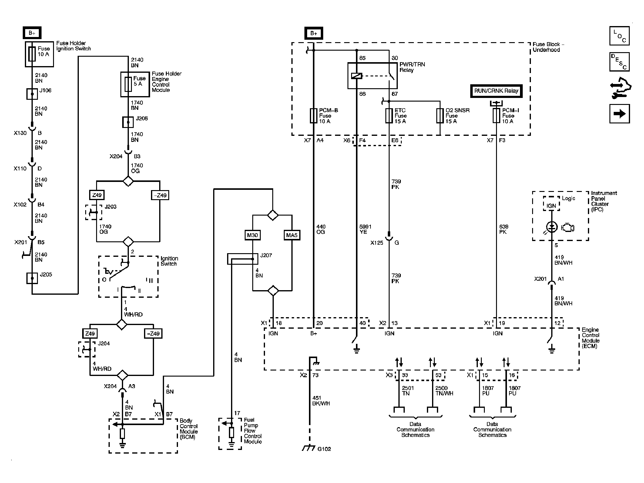
Fig 1: Module Power, Ground, Serial Data, and MIL
GM2082673Courtesy of GENERAL MOTORS CORP.
Fig 2: Engine Data Sensors - 5-Volt and Low Reference
GM2082675Courtesy of GENERAL MOTORS CORP.
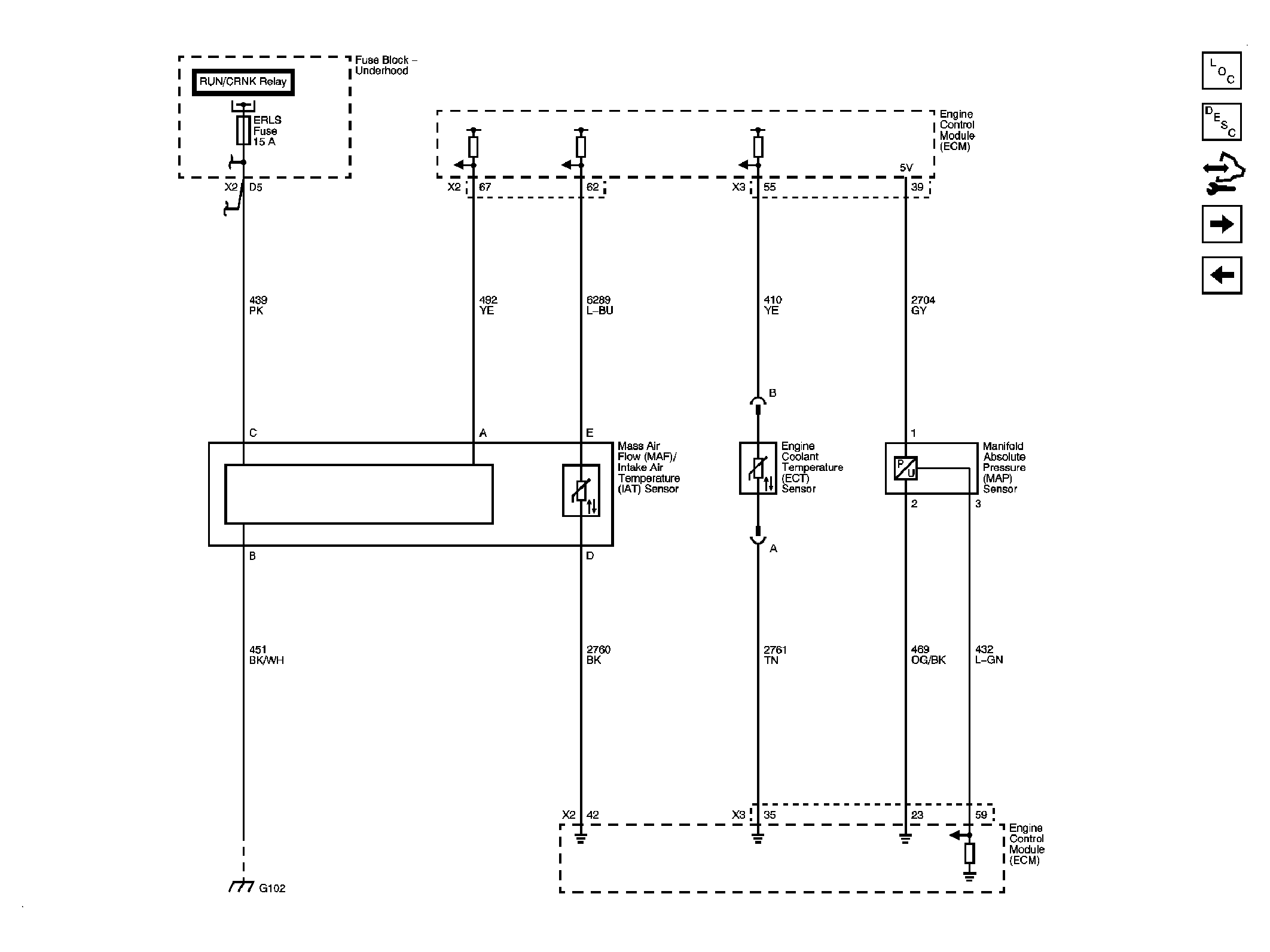
Fig 3: Engine Data Sensors - Pressure and Temperature
GM2082677Courtesy of GENERAL MOTORS CORP.
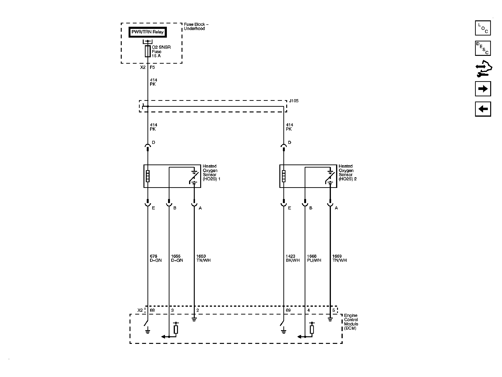
Fig 4: Engine Data Sensors - Heated Oxygen Sensors
GM2082679Courtesy of GENERAL MOTORS CORP.
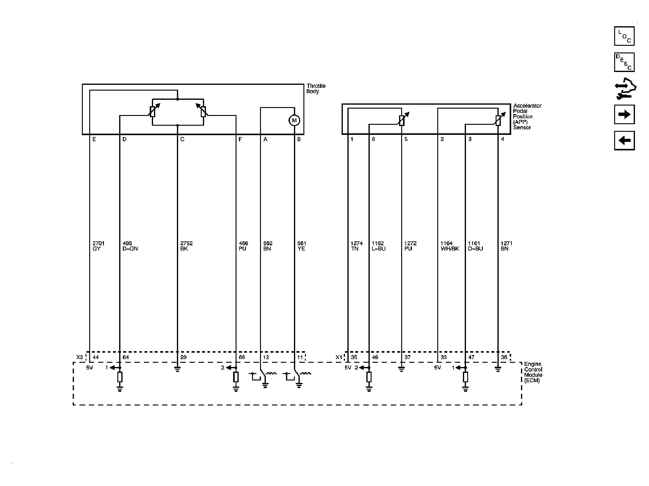
Fig 5: Engine Data Sensors - Throttle Controls
GM2082681Courtesy of GENERAL MOTORS CORP.
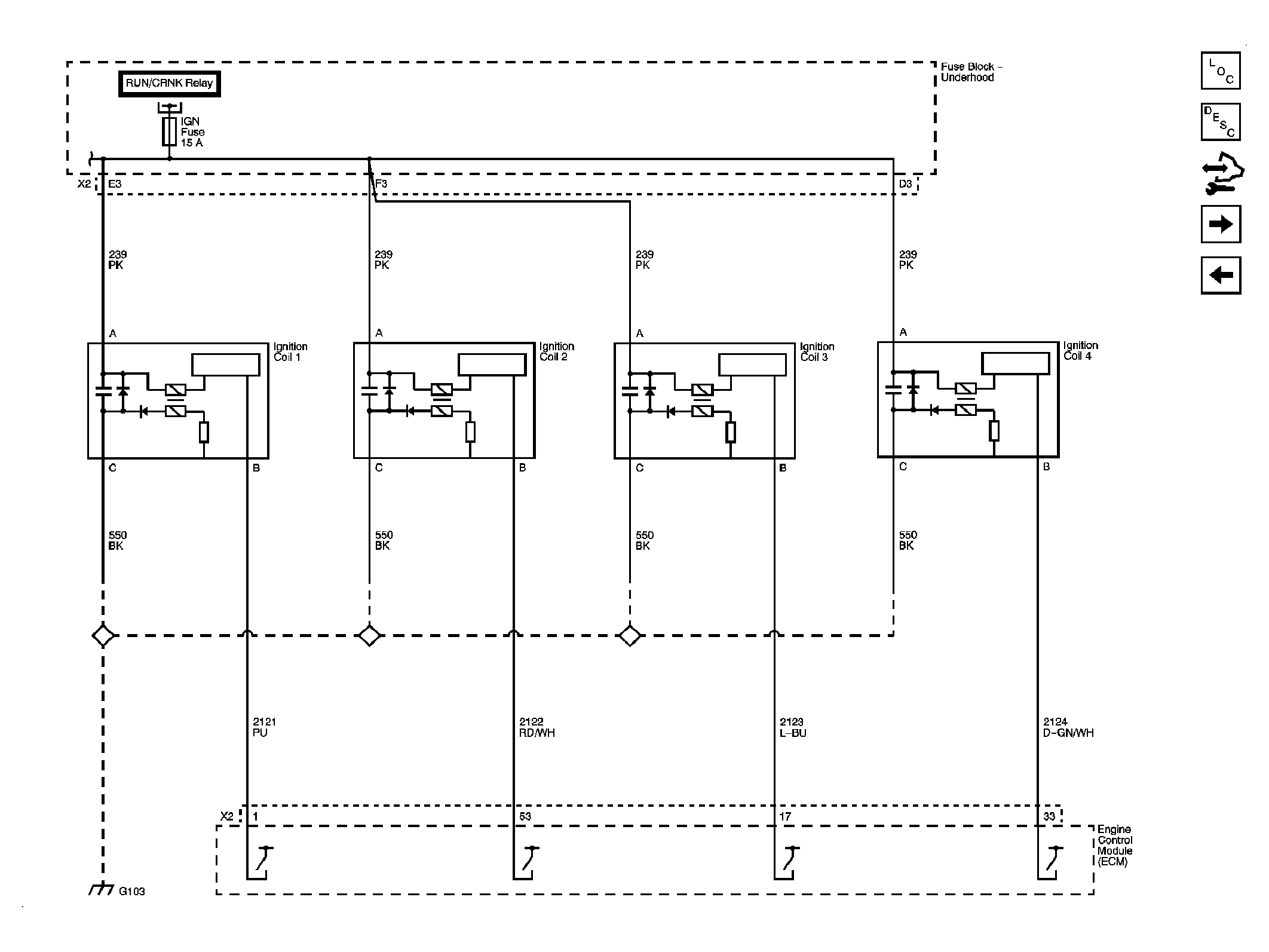
Fig 6: Ignition Controls - Ignition System Coils
GM2082684Courtesy of GENERAL MOTORS CORP.
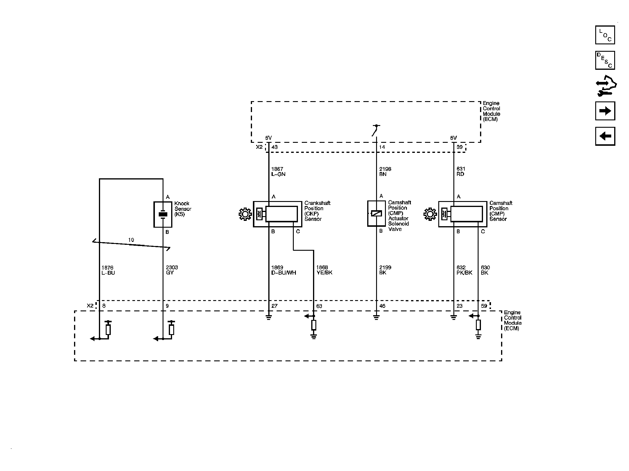
Fig 7: Ignition Controls - Sensors
GM2082686Courtesy of GENERAL MOTORS CORP.
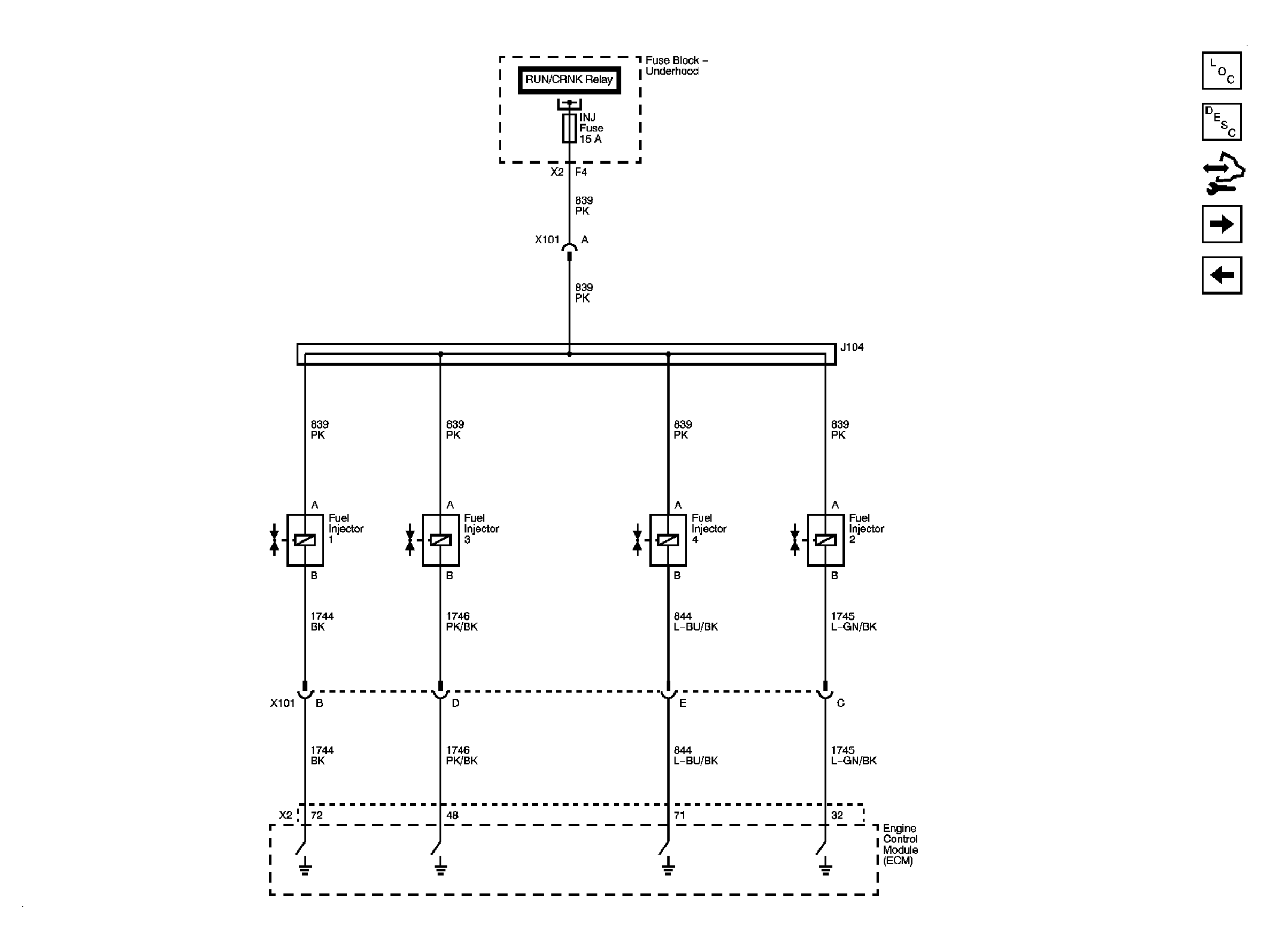
Fig 8: Fuel Controls - Fuel Injectors
GM2082688Courtesy of GENERAL MOTORS CORP.
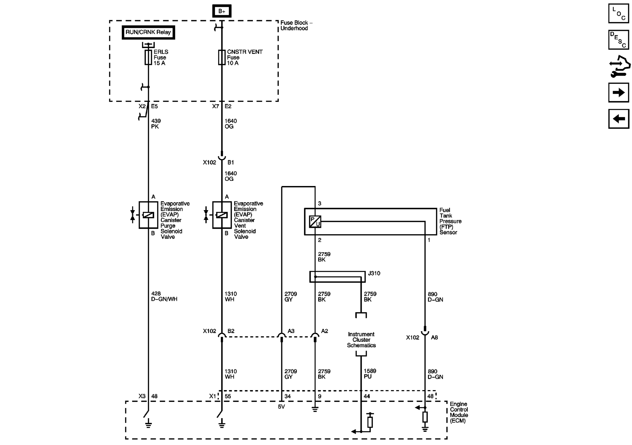
Fig 9: Fuel Controls - Fuel Pump and EVAP Controls
GM2082690Courtesy of GENERAL MOTORS CORP.
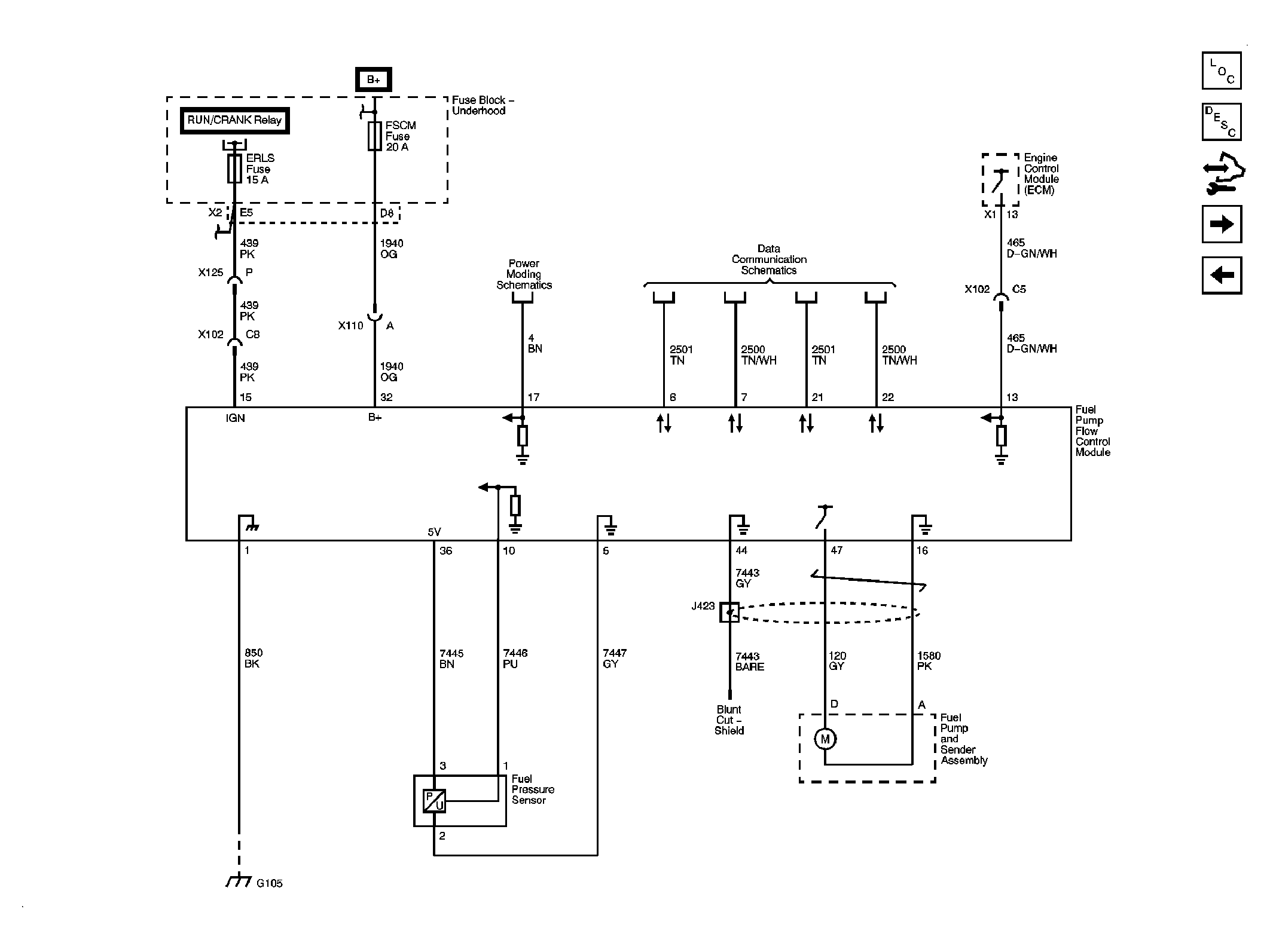
Fig 10: Fuel Controls - Fuel Pump Controls
GM2084820Courtesy of GENERAL MOTORS CORP.
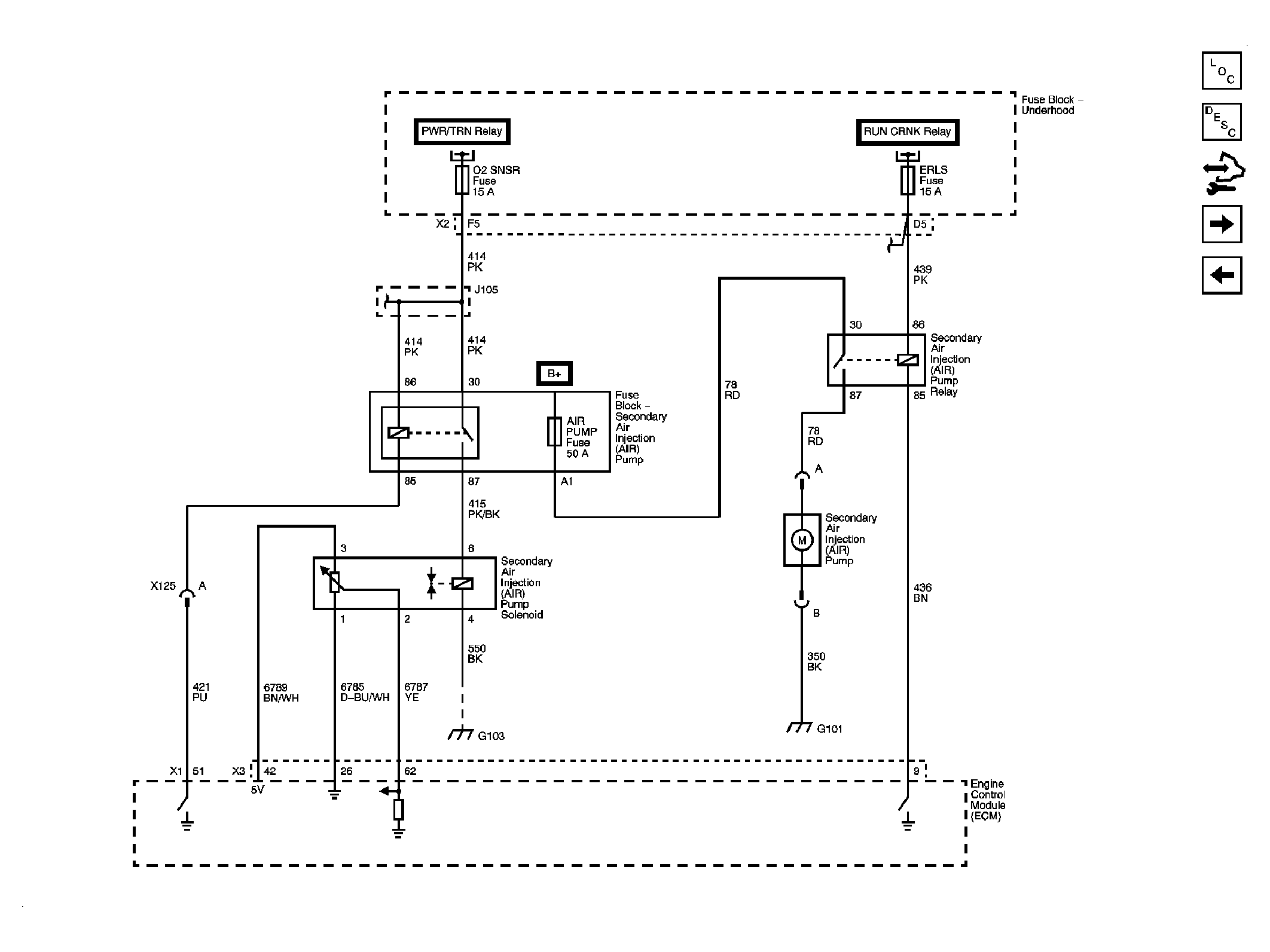
Fig 11: Device Controls - Secondary Air Injection K18
GM2167045Courtesy of GENERAL MOTORS CORP.
Fig 12: Controlled/Monitored Subsystem References
GM2082692Courtesy of GENERAL MOTORS CORP.