LEMON Manuals: Even more car manuals for everyone
Home >> Hummer >> 2008 >> H3 Base, Standard >> Repair and Diagnosis >> External Pages >> Different car >> Section 281 (Engine Control System & Fuel System - 3.7L - Introduction, Service & Repair) >> Schematic and Routing Diagrams >> Engine Controls Schematics

Engine Controls Schematics

WARNING: This page is about a different car, the 2009 GMC Canyon and 2009 Chevrolet Colorado. However, it is still accessible from the selected car via links, so may be relevant.
Fig 1: Power, Ground, Serial Data, and MIL
GM2082694Courtesy of GENERAL MOTORS CORP.
Fig 2: Engine Data Sensors - 5-Volt and Low Reference
GM2082696Courtesy of GENERAL MOTORS CORP.
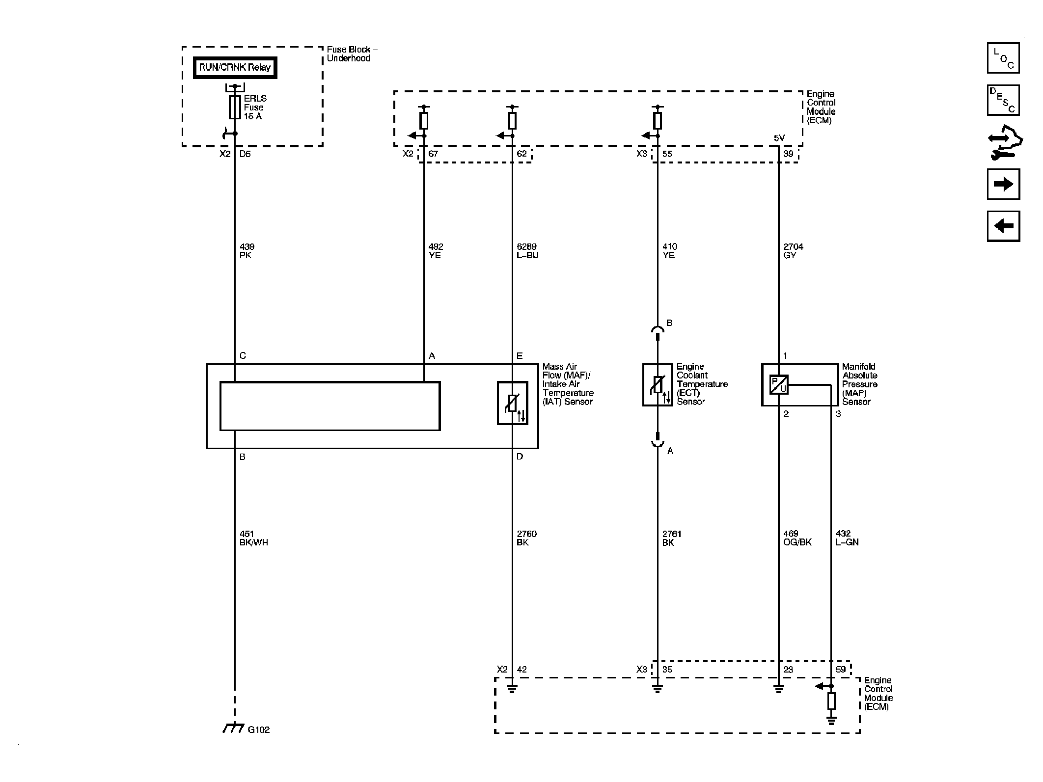
Fig 3: Engine Data Sensors - Pressure and Temperature
GM2082698Courtesy of GENERAL MOTORS CORP.
Fig 4: Engine Data Sensors - Heated Oxygen Sensors
GM2082700Courtesy of GENERAL MOTORS CORP.
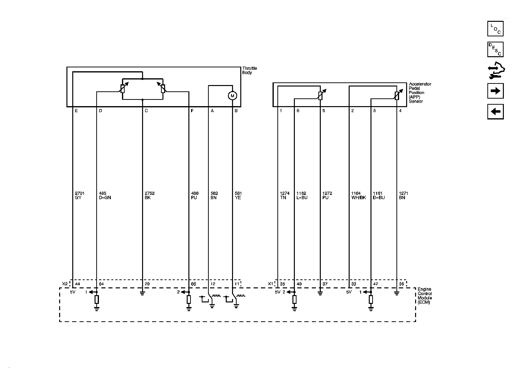
Fig 5: Engine Data Sensors - Throttle Controls
GM2082702Courtesy of GENERAL MOTORS CORP.
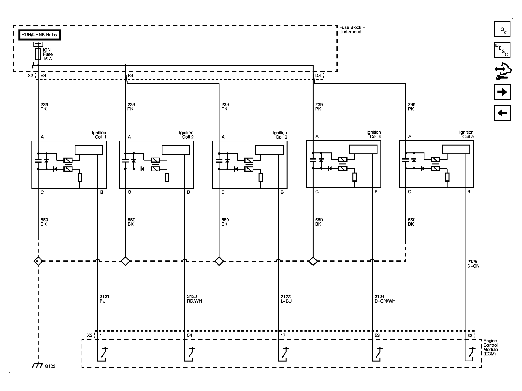
Fig 6: Ignition Controls - Ignition System Coils
GM2082704Courtesy of GENERAL MOTORS CORP.
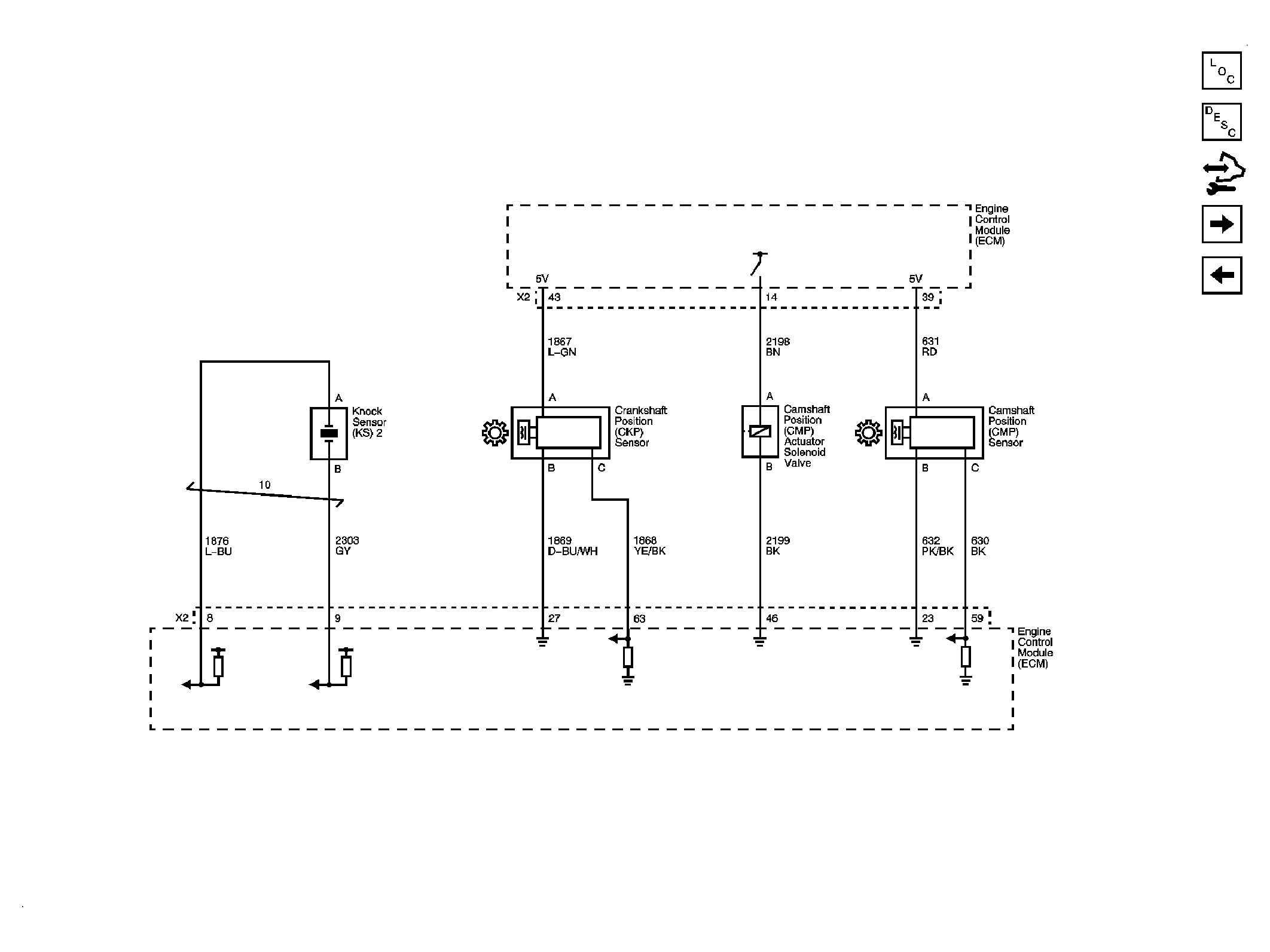
Fig 7: Ignition Controls - Sensors
GM2082706Courtesy of GENERAL MOTORS CORP.
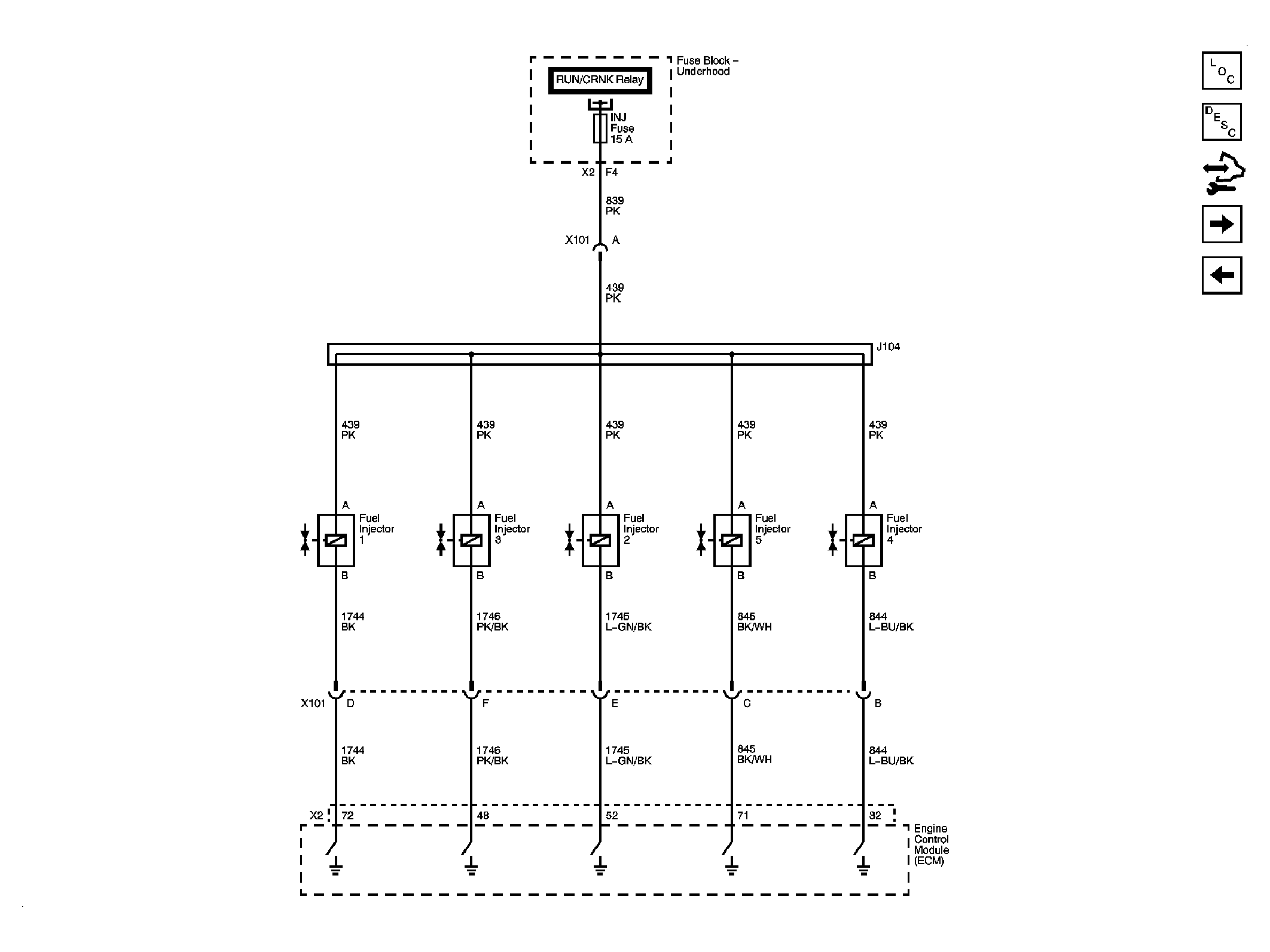
Fig 8: Fuel Controls - Fuel Injectors
GM2082708Courtesy of GENERAL MOTORS CORP.
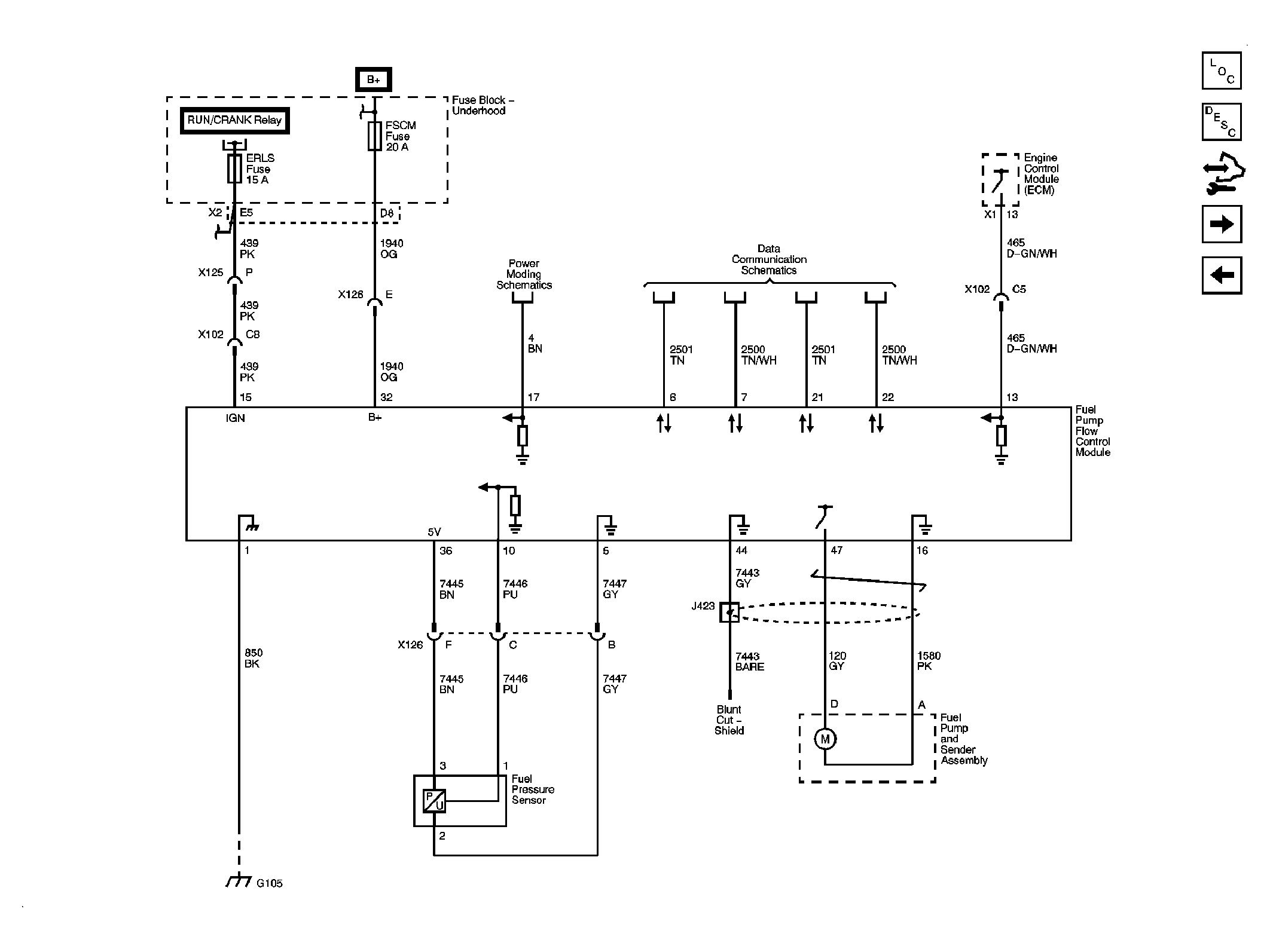
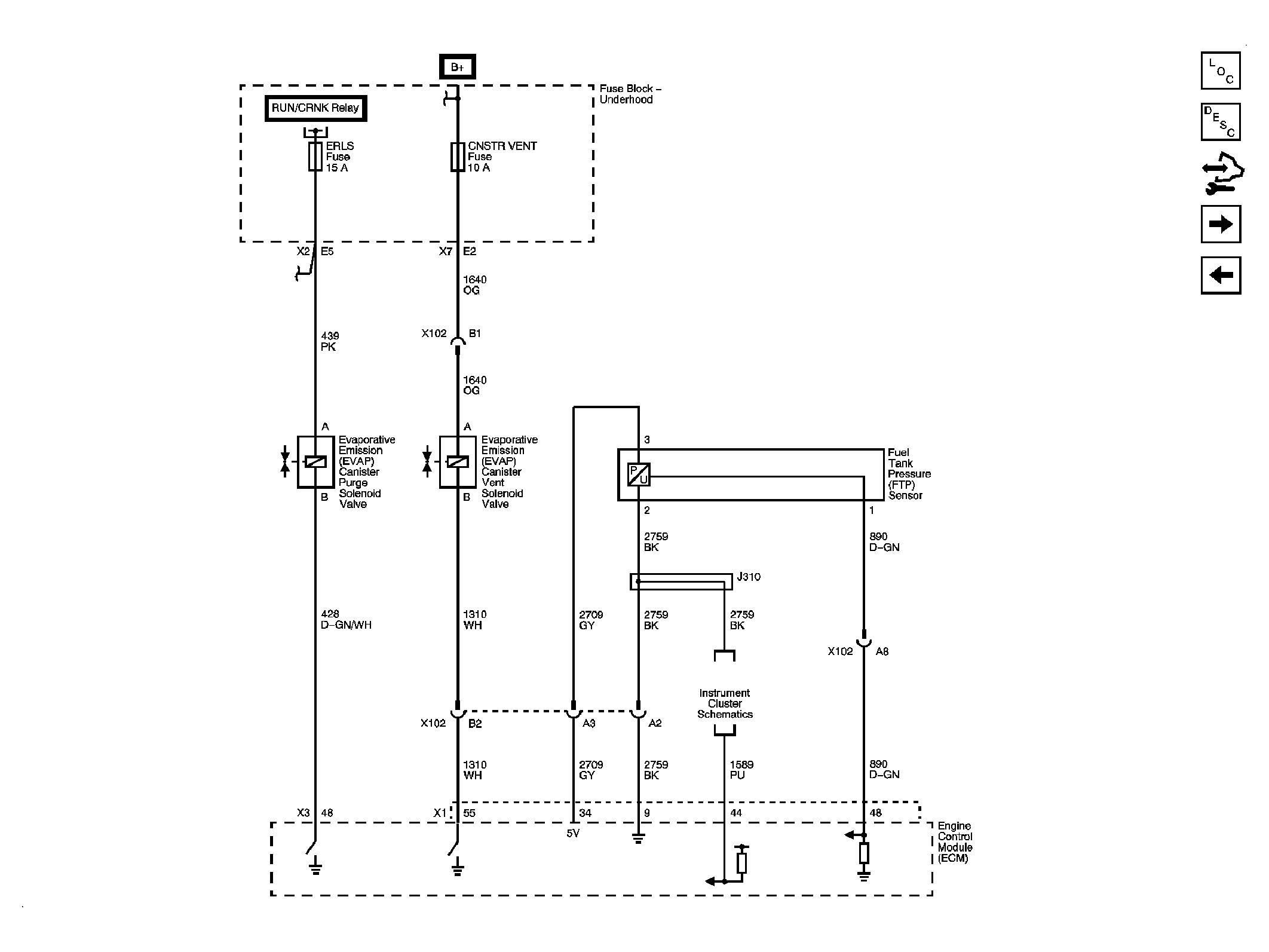
Fig 9: Fuel Controls - Fuel Pump and EVAP Controls
GM2082710Courtesy of GENERAL MOTORS CORP.
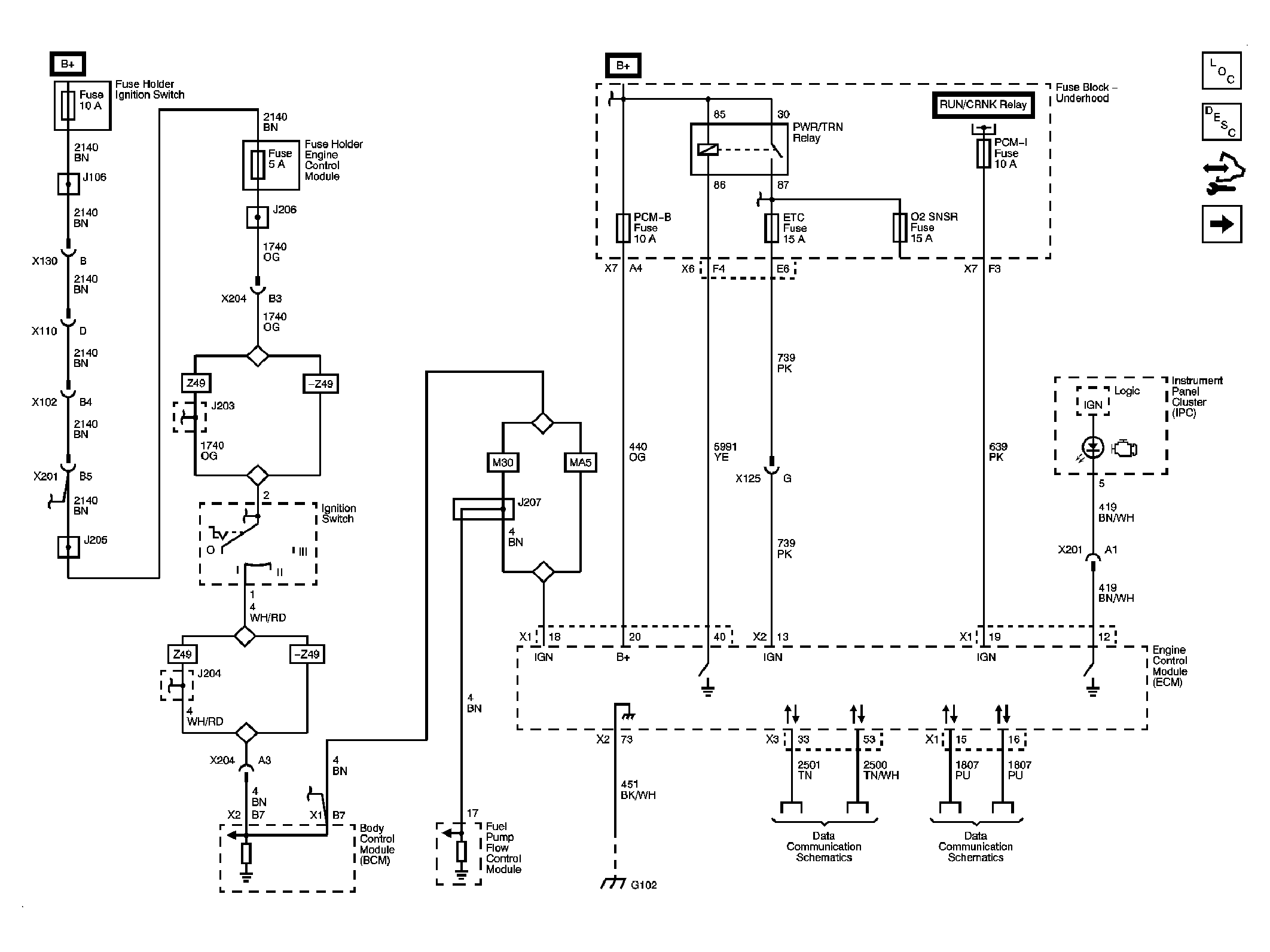
Fig 10: Fuel Controls - Fuel Pump Controls
GM2084823Courtesy of GENERAL MOTORS CORP.
Fig 11: Device Controls - Secondary Air Injection K18
GM2082713Courtesy of GENERAL MOTORS CORP.
Fig 12: Controlled/Monitored Subsystem References
GM2082715Courtesy of GENERAL MOTORS CORP.