LEMON Manuals: Even more car manuals for everyone
Home >> Hummer >> 2008 >> H3 Base, Standard >> Repair and Diagnosis >> External Pages >> Different car >> Section 19 (Engine Control System & Fuel System - 3.7L - Introduction (2 Of 2)) >> Schematic and Routing Diagrams >> Engine Controls Schematics

Engine Controls Schematics

WARNING: This page is about a different car, the 2008 Isuzu i-370, 2008 GMC Canyon, and 2008 Chevrolet Colorado. However, it is still accessible from the selected car via links, so may be relevant.
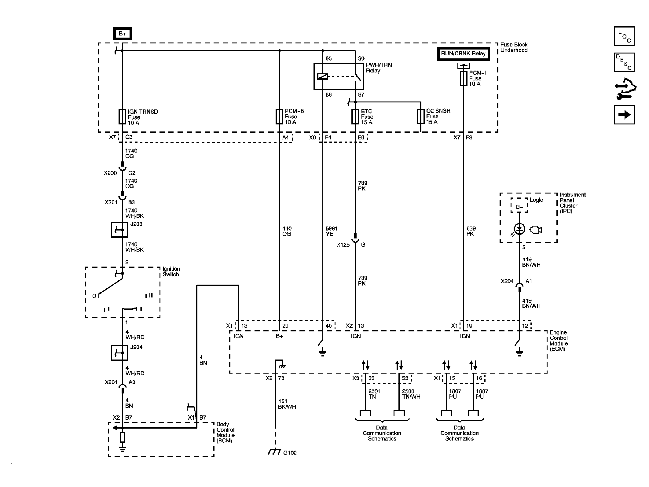
Fig 1: Power, Ground, Serial Data, and MIL
GM1907051Courtesy of GENERAL MOTORS CORP.
Fig 2: Engine Data Sensors - 5-Volt and Low Reference
GM1907054Courtesy of GENERAL MOTORS CORP.
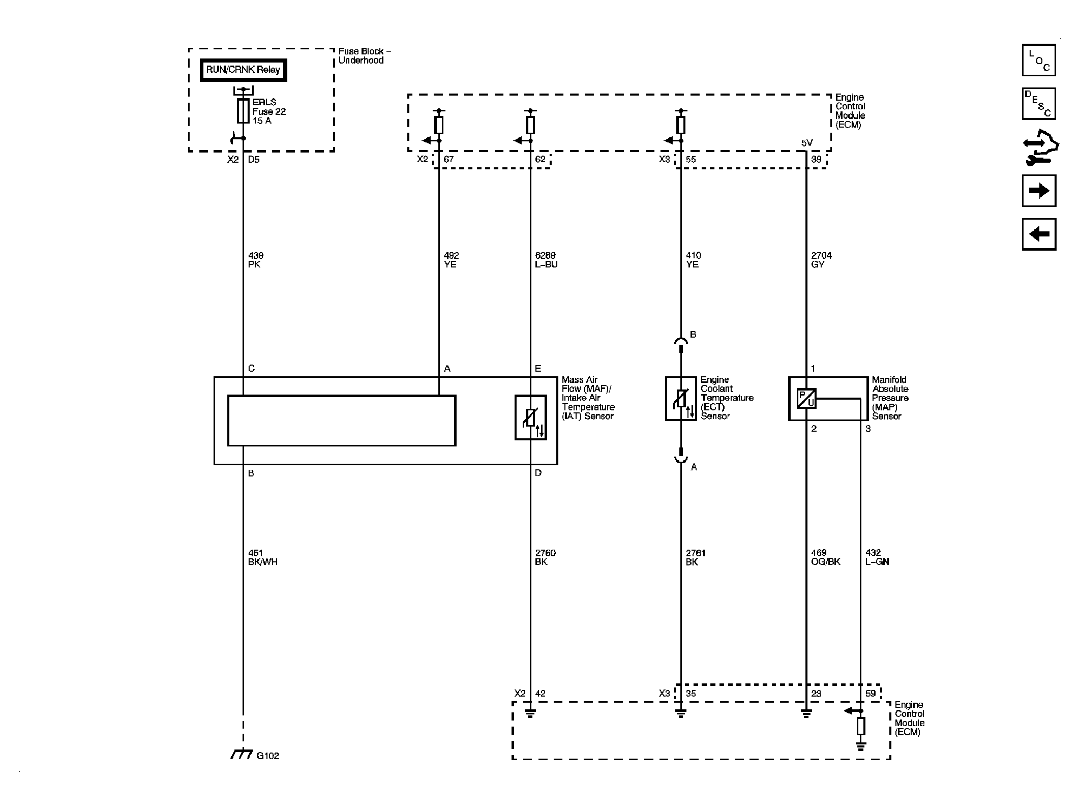
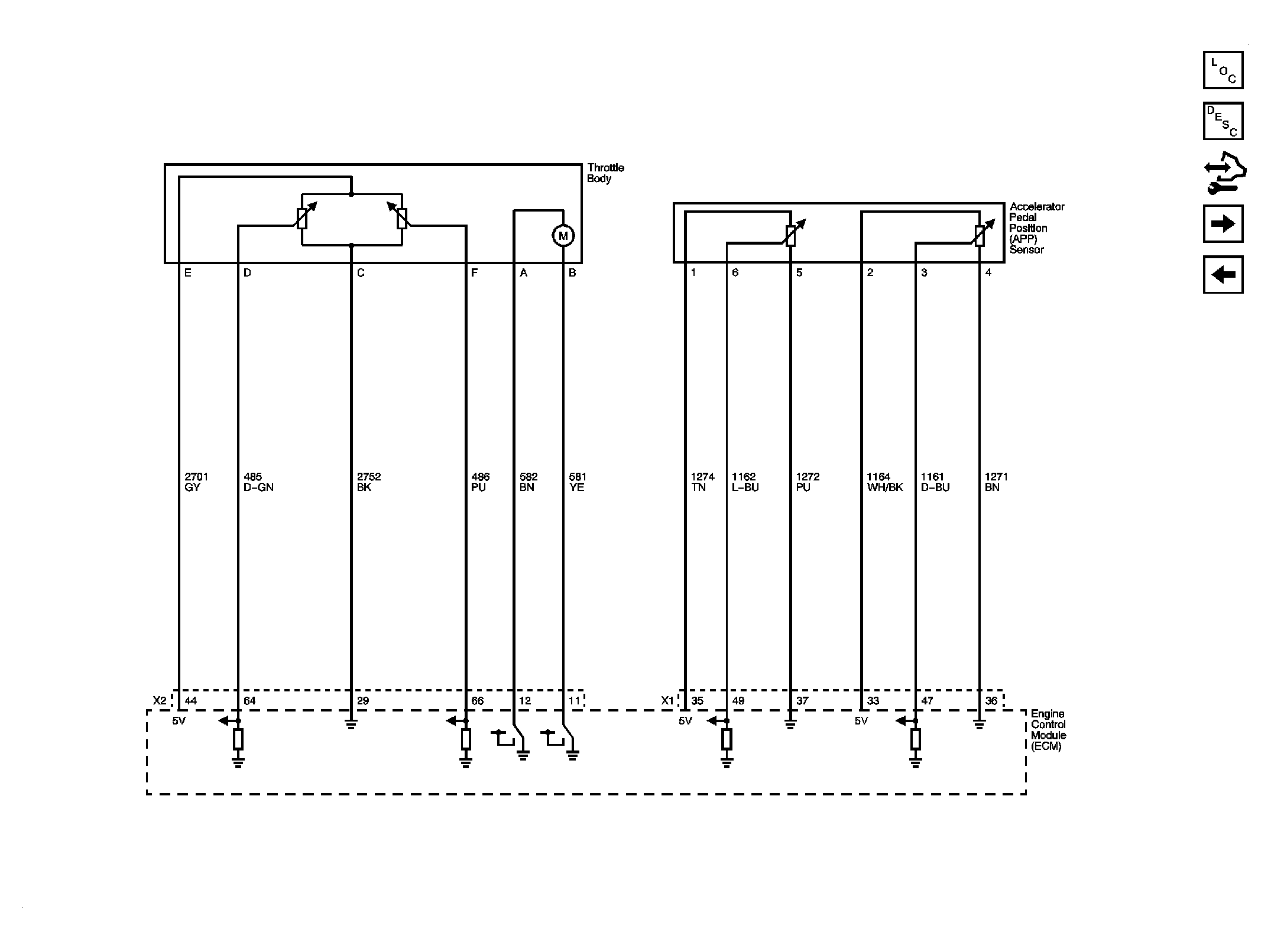
Fig 3: Engine Data Sensors - Pressure, Temperature, and Throttle Controls
GM1907056Courtesy of GENERAL MOTORS CORP.
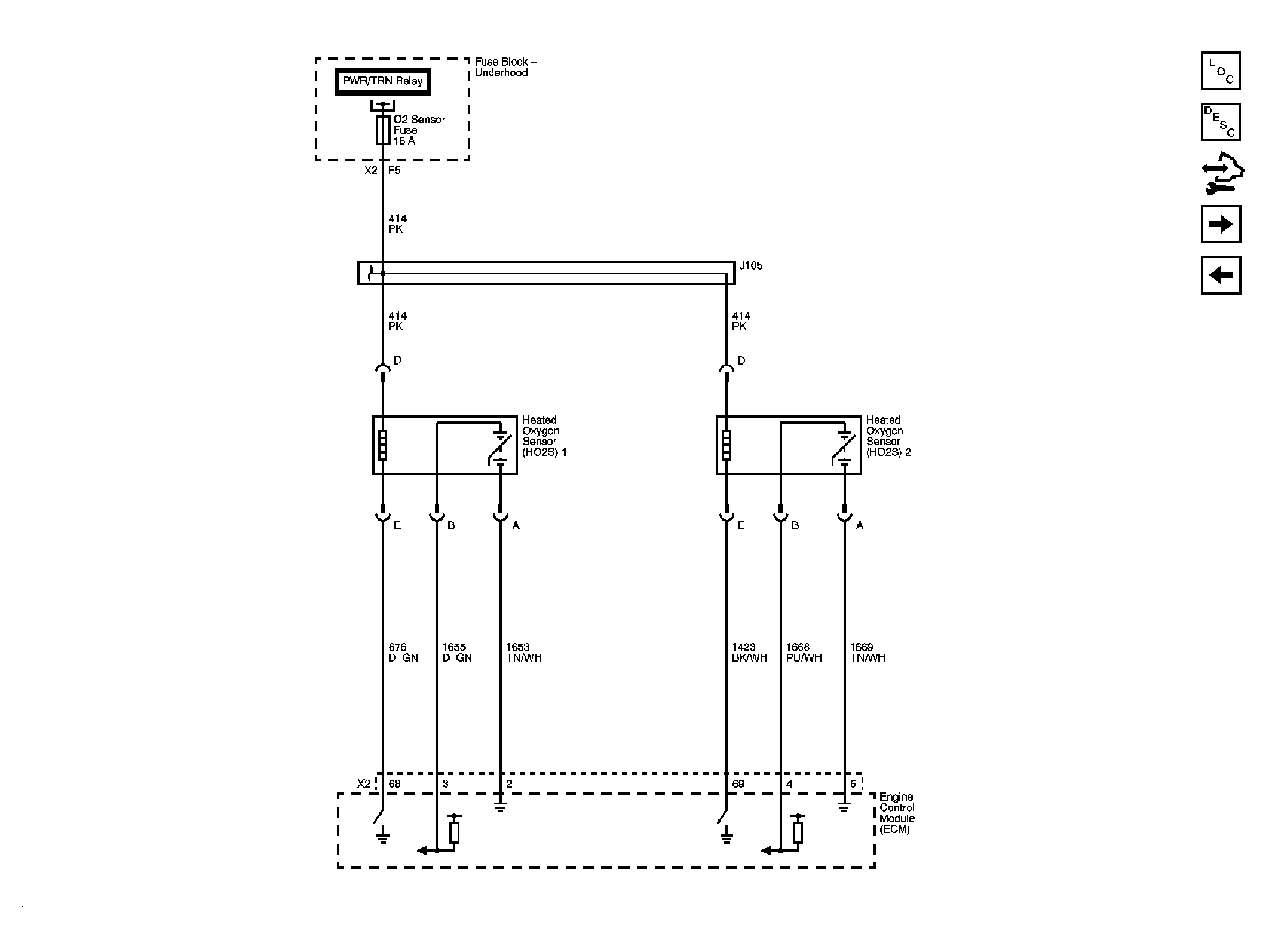
Fig 4: Engine Data Sensors - Heated Oxygen Sensors
GM1907059Courtesy of GENERAL MOTORS CORP.
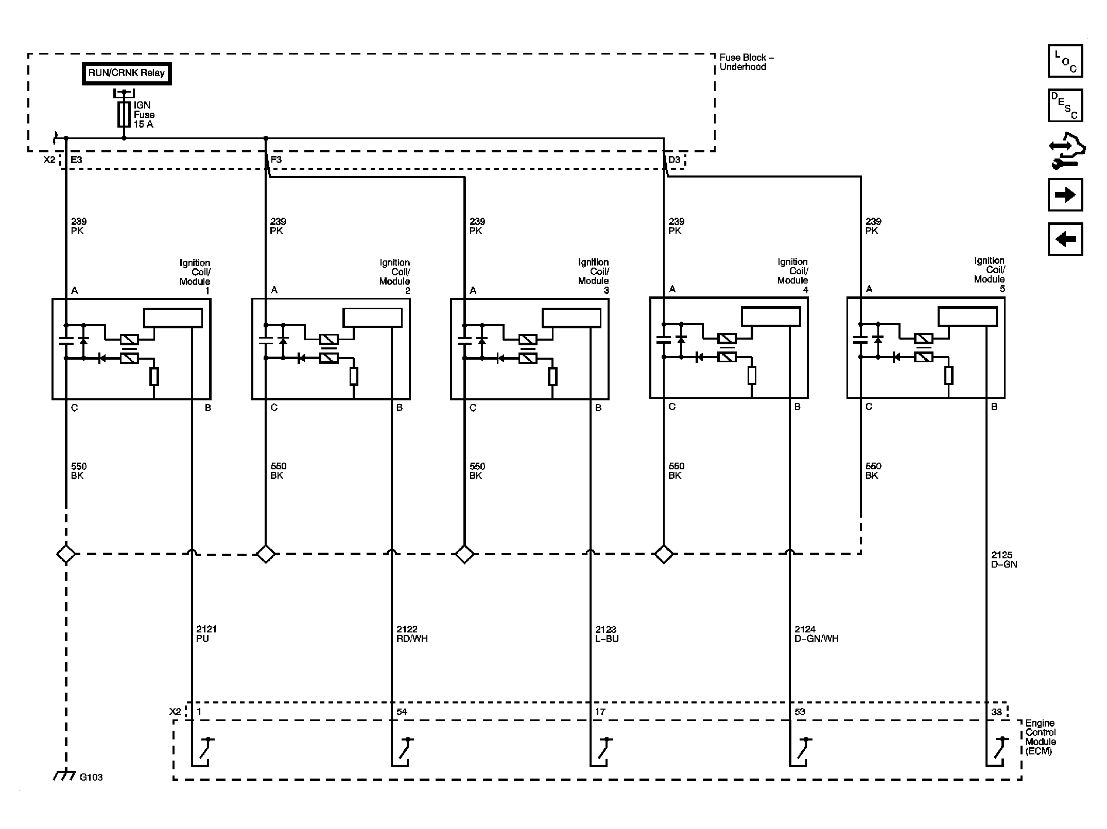
Fig 5: Ignition Controls - Ignition System Coils
GM1907061Courtesy of GENERAL MOTORS CORP.
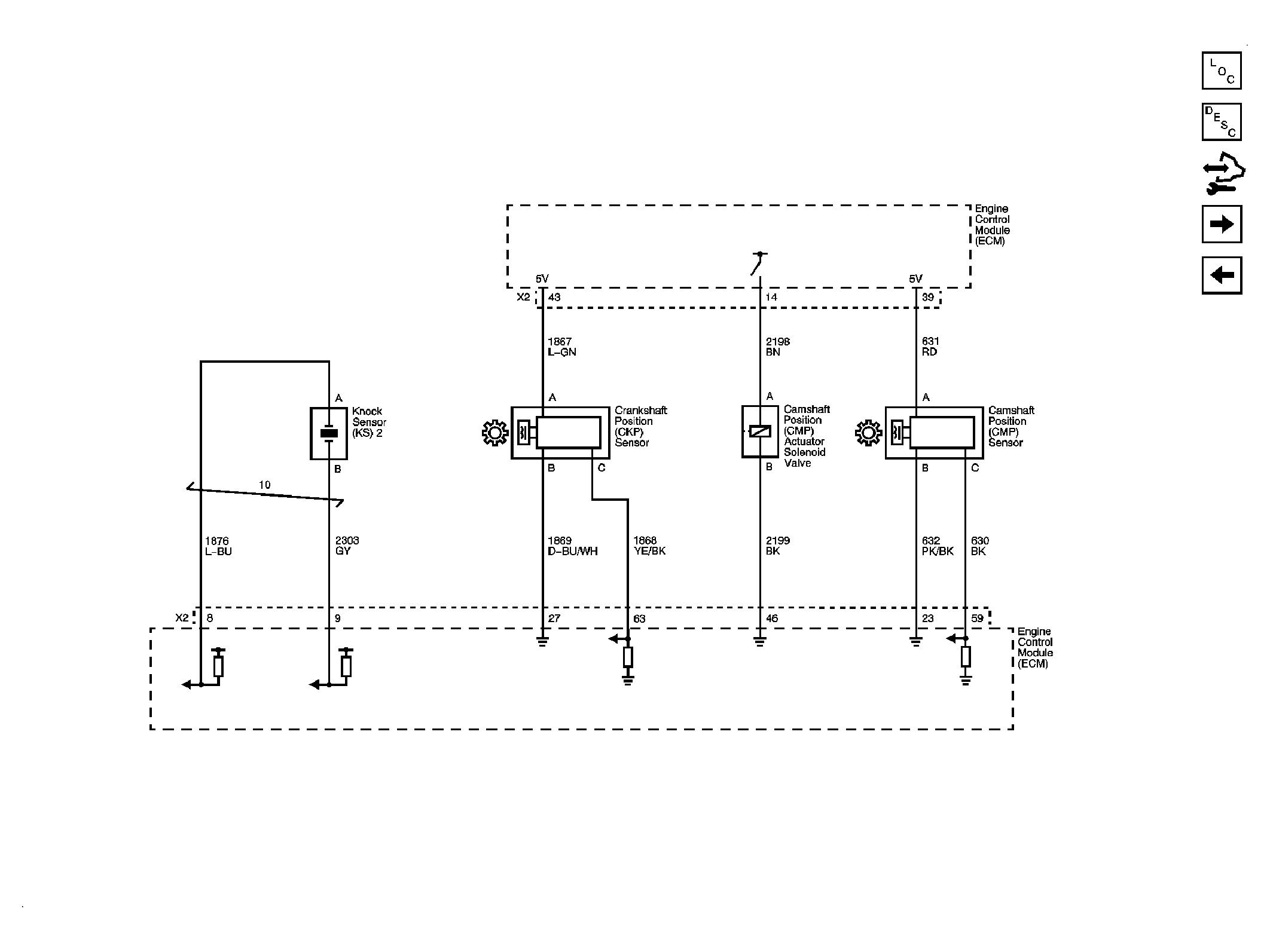
Fig 6: Ignition Controls - Sensors
GM1907065Courtesy of GENERAL MOTORS CORP.
Fig 7: Fuel Controls - Fuel Pump Controls
GM1907068Courtesy of GENERAL MOTORS CORP.
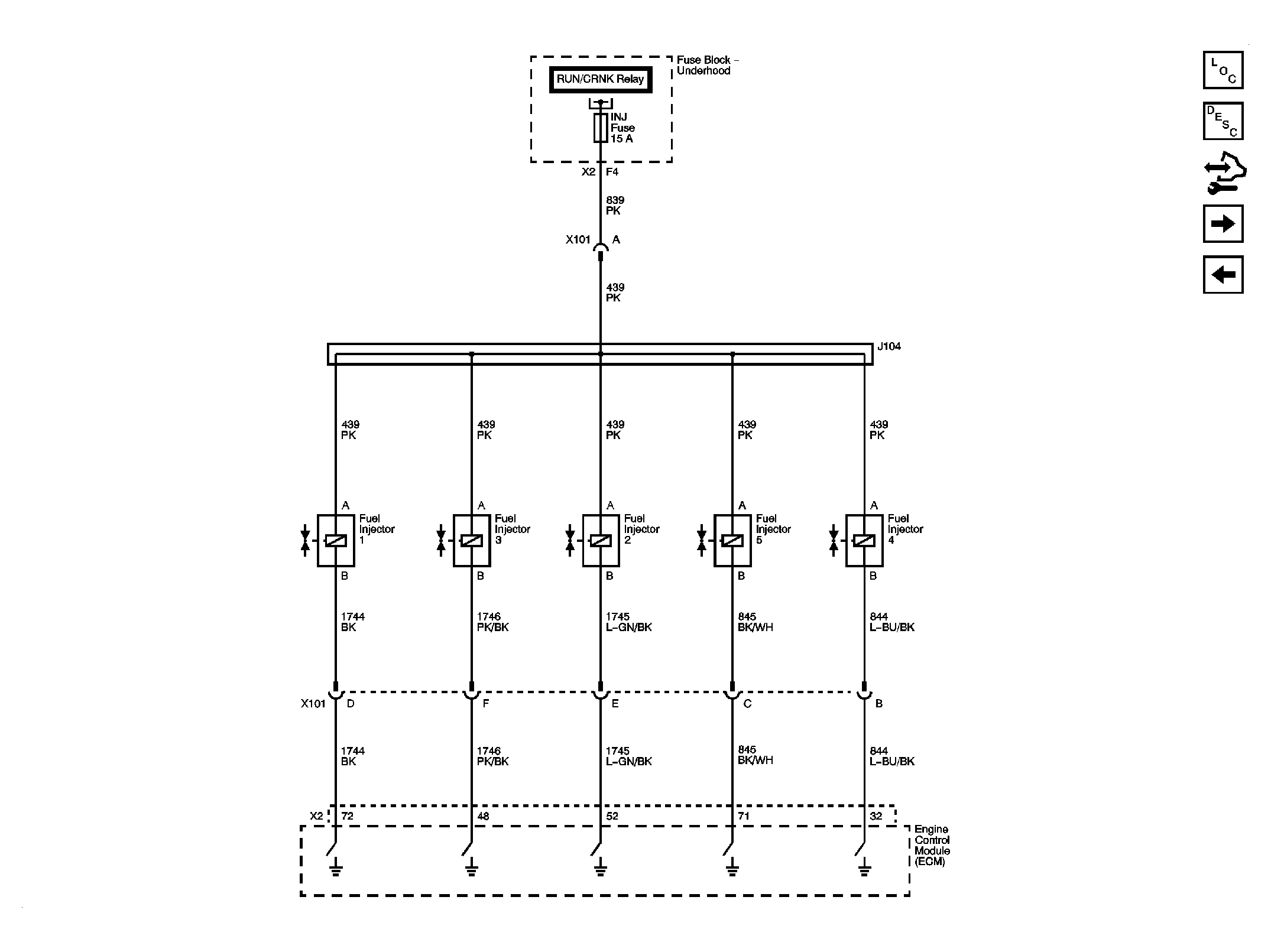
Fig 8: Fuel Controls - Fuel Injectors
GM1907070Courtesy of GENERAL MOTORS CORP.
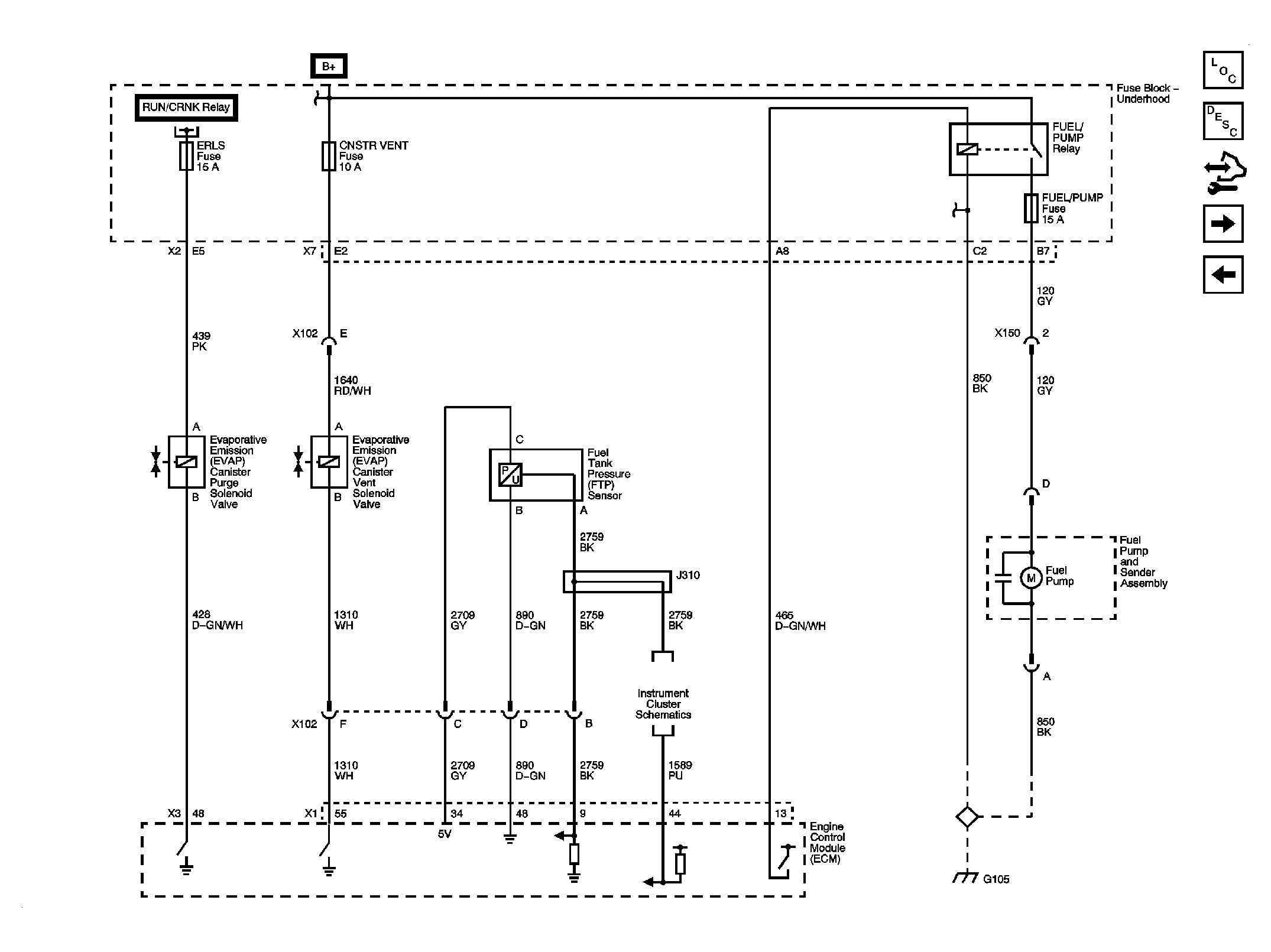
Fig 9: Fuel Controls - EVAP
GM1907072Courtesy of GENERAL MOTORS CORP.
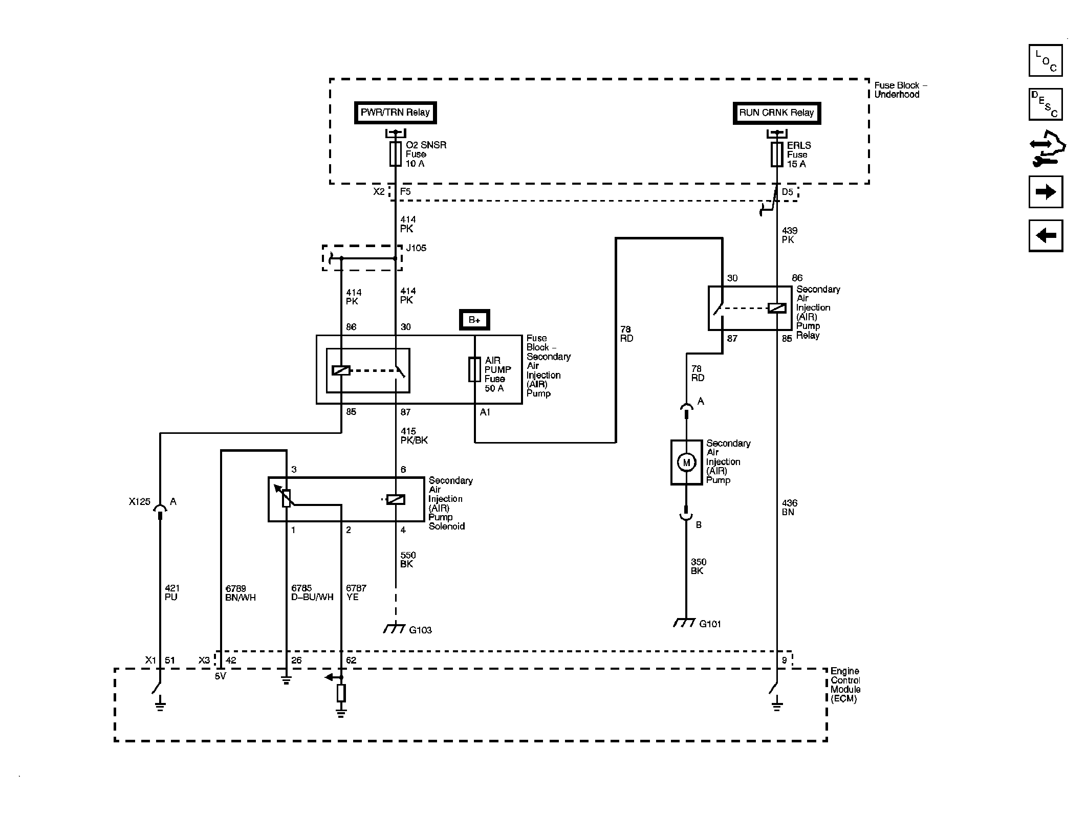
Fig 10: Device Controls - Secondary Air Injection K18
GM1907074Courtesy of GENERAL MOTORS CORP.
Fig 11: Controlled/Monitored Subsystem References
GM1907079Courtesy of GENERAL MOTORS CORP.