LEMON Manuals: Even more car manuals for everyone
Home >> Hummer >> 2008 >> H3 Base, Automatic >> Repair and Diagnosis >> External Pages >> Different car >> Section 53 (Data Communication System) >> Schematic and Routing Diagrams >> Data Communication Schematics

Data Communication Schematics

WARNING: This page is about a different car, the 2008 Isuzu i-370, 2008 Isuzu i-290, 2008 GMC Canyon, and 2008 Chevrolet Colorado. However, it is still accessible from the selected car via links, so may be relevant.
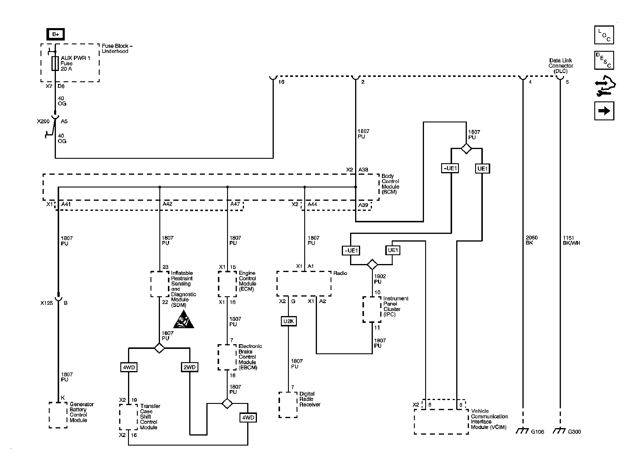
Fig 1: Class 2 Serial Data
GM1907098Courtesy of GENERAL MOTORS CORP.
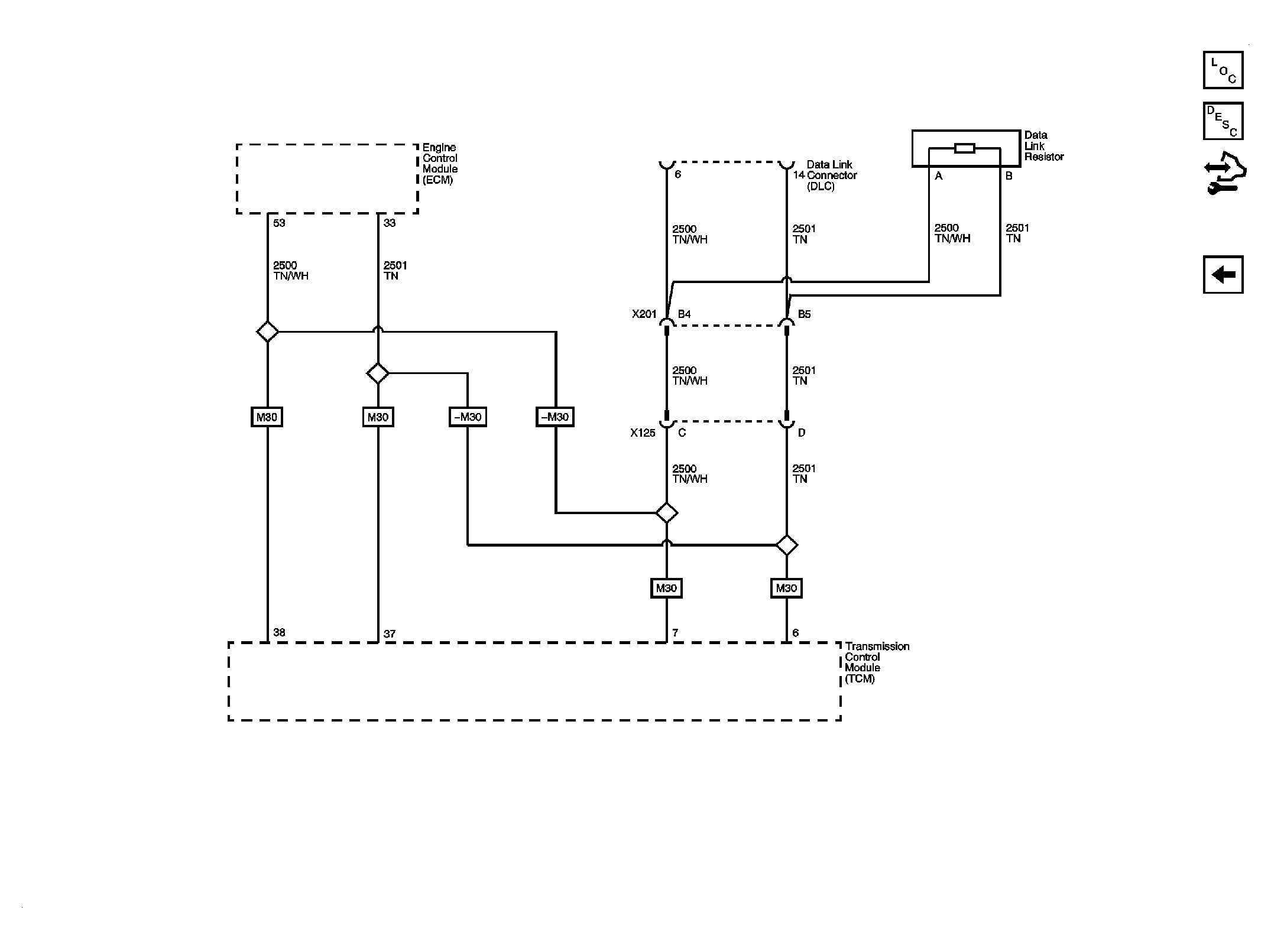
Fig 2: High Speed GMLAN Serial Data
GM1907292Courtesy of GENERAL MOTORS CORP.