LEMON Manuals: Even more car manuals for everyone
Home >> Hummer >> 2008 >> H3 Base, Automatic >> Repair and Diagnosis >> External Pages >> Different car >> Section 494 (Antilock Brake System With Traction Control System & Stability Control System) >> Schematic and Routing Diagrams >> Antilock Brake System Schematics (JL7)

Antilock Brake System Schematics (JL7)

WARNING: This page is about a different car, the 2010 Cadillac STS. However, it is still accessible from the selected car via links, so may be relevant.
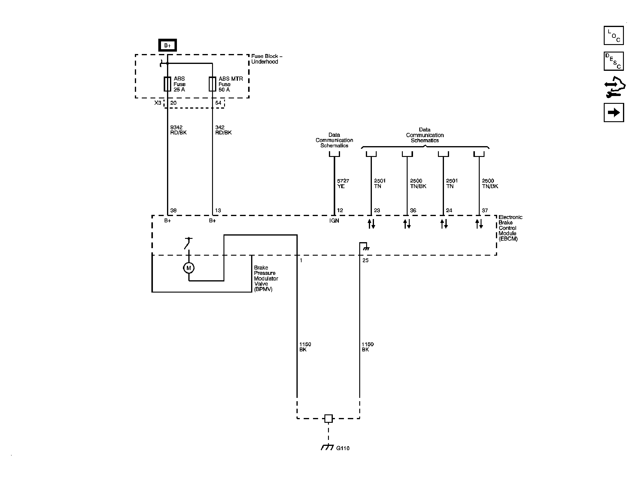
Fig 1: Power, Ground, and DLC
GM2283805Courtesy of GENERAL MOTORS CORP.
Fig 2: Steering Angle and Acceleration Sensors
GM2283806Courtesy of GENERAL MOTORS CORP.
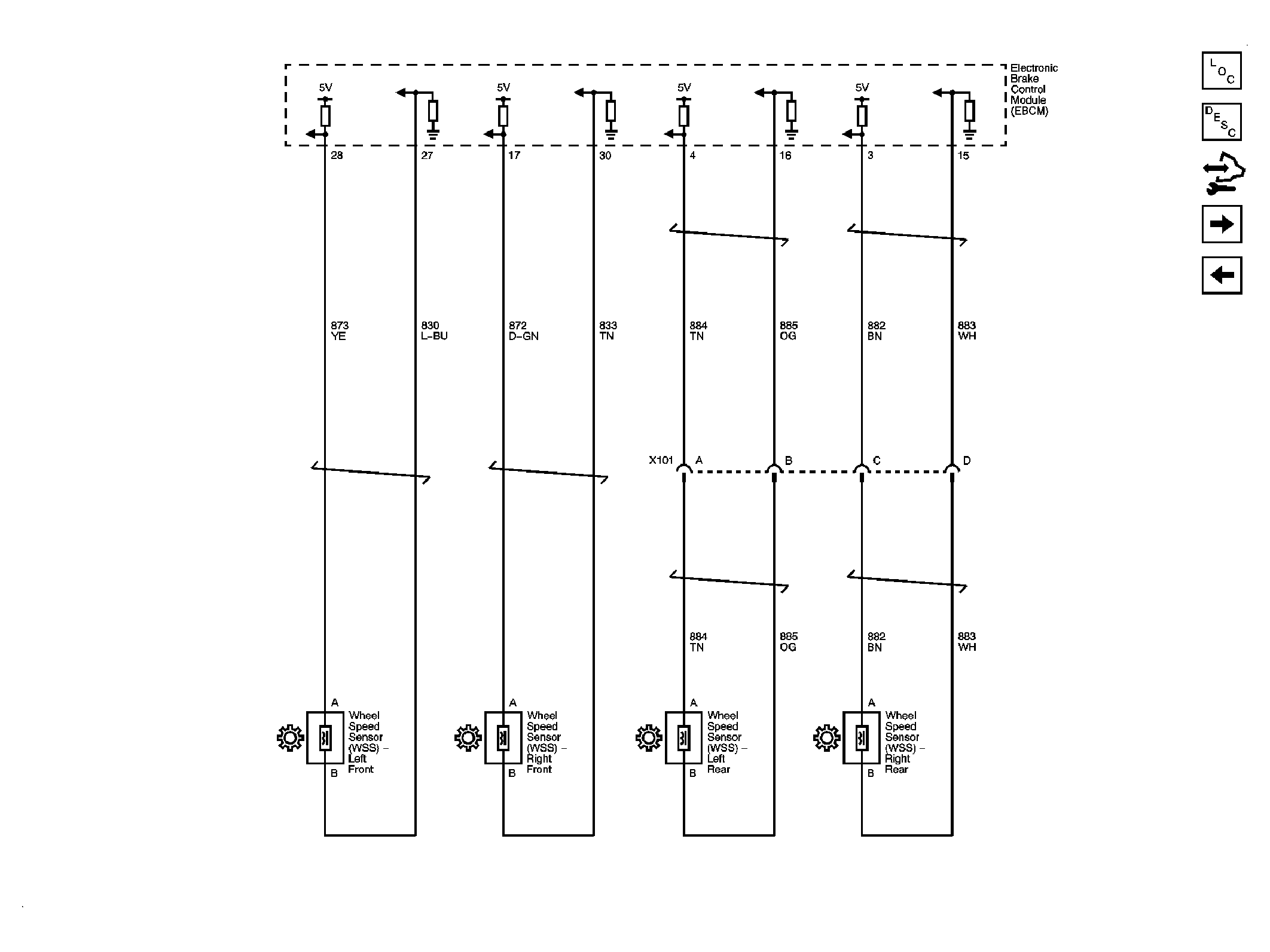
Fig 3: Wheel Speed Sensors
GM2283807Courtesy of GENERAL MOTORS CORP.
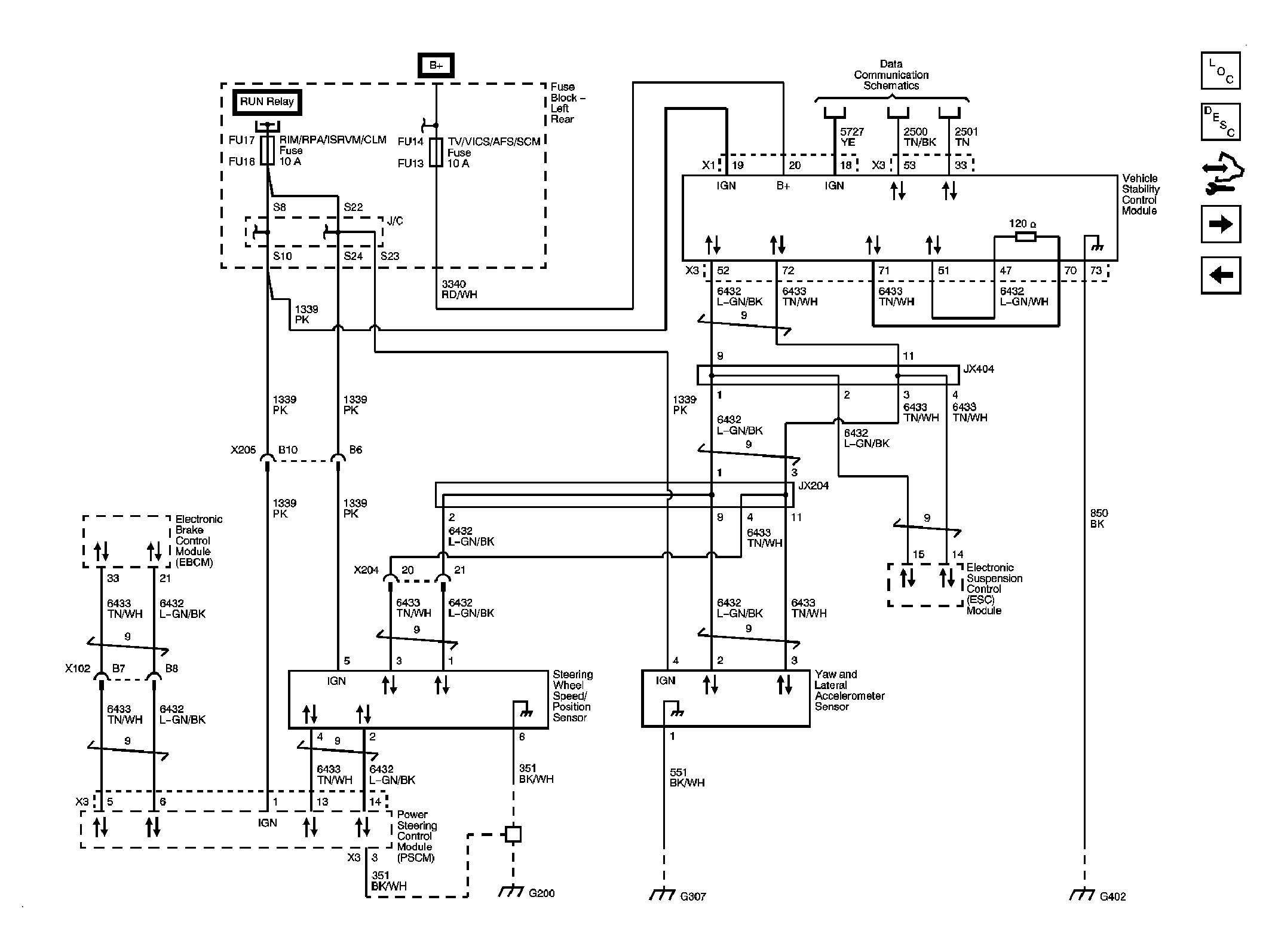
Fig 4: Traction Control
GM2283809Courtesy of GENERAL MOTORS CORP.