LEMON Manuals: Even more car manuals for everyone
Home >> Hummer >> 2008 >> H3 Base, Automatic >> Repair and Diagnosis >> External Pages >> Different car >> Section 297 (Engine Control System & Fuel System - 2.9L - Introduction, Service & Repair) >> Repair Instructions >> Camshaft Position Sensor Replacement >> Installation Procedure

Installation Procedure

WARNING: This page is about a different car, the 2009 GMC Canyon and 2009 Chevrolet Colorado. However, it is still accessible from the selected car via links, so may be relevant.
  1. Install a new O-ring seal to the CMP sensor.
  2. Lightly lubricate the O-ring seal with clean engine oil.
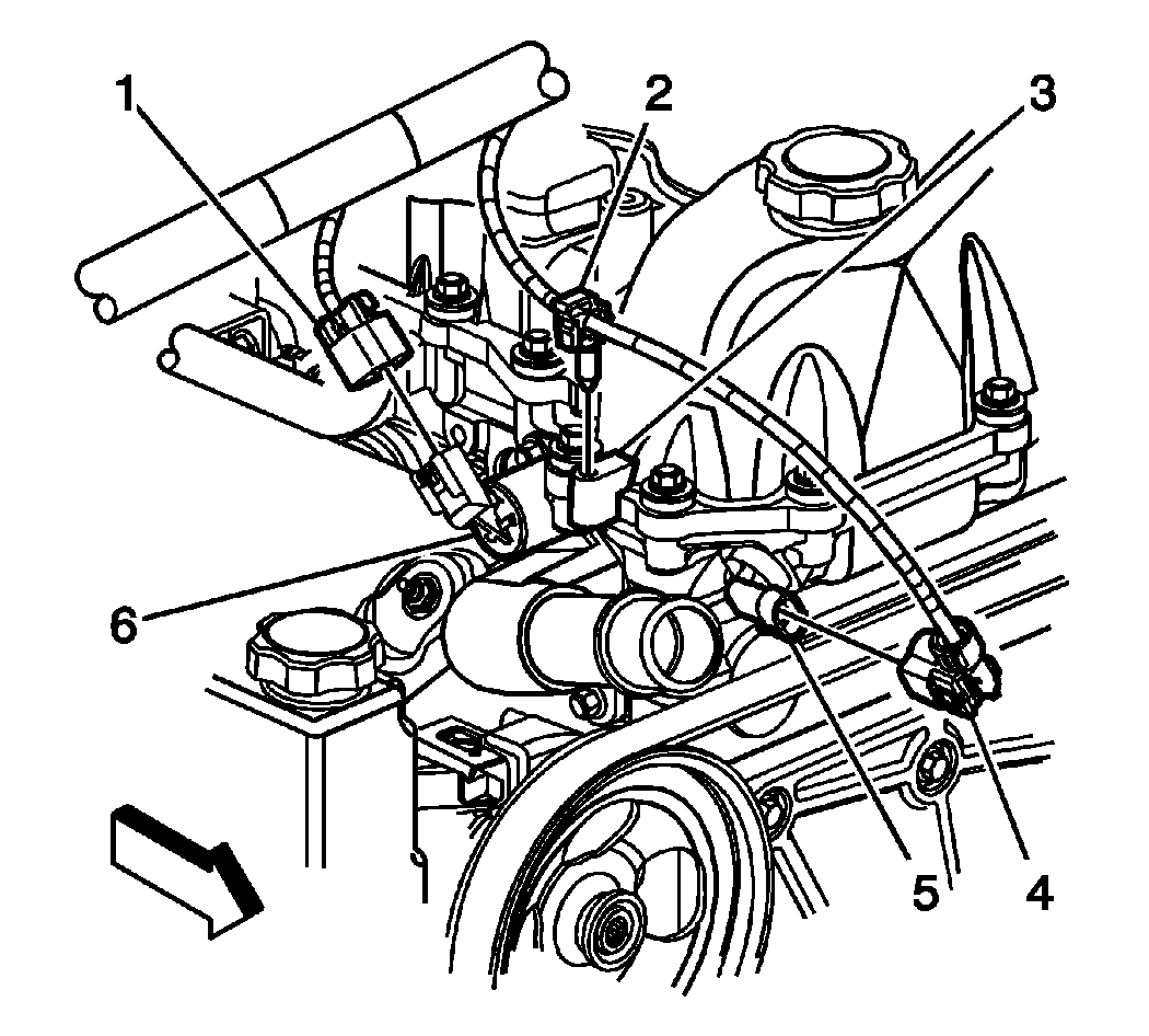
  3. Fig 1: View Of Exhaust Camshaft Sensor
    GM858172Courtesy of GENERAL MOTORS CORP.
  4. Install the CMP sensor into the cylinder head.
  5. CAUTION: Refer to Fastener Caution .
  6. Install the CMP sensor bolt.

    Tighten:  Tighten the camshaft position (CMP) sensor bolt to 10 N.m (89 lb in).

  7. Fig 2: View Of CMP Sensor Connector, Exhaust Camshaft Actuator Connector & Engine Wiring Harness Retainer
    GM1350714Courtesy of GENERAL MOTORS CORP.
  8. Connect the engine wiring harness electrical connector (4) to the CMP sensor (5).