LEMON Manuals: Even more car manuals for everyone
Home >> Hummer >> 2008 >> H3 Base, Automatic >> Repair and Diagnosis >> External Pages >> Different car >> Section 124 (Anti-Lock Brake System And Traction Control System) >> Schematic and Routing Diagrams >> Antilock Brake System Schematics

Antilock Brake System Schematics

WARNING: This page is about a different car, the 2008 Chevrolet Malibu Classic. However, it is still accessible from the selected car via links, so may be relevant.
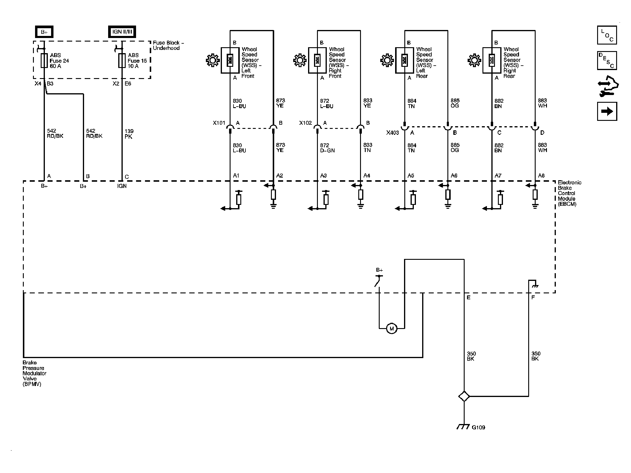
Fig 1: Power, Ground, Brake Pressure Modulator Valve And Wheel Speed Sensors - Schematic
GM1891898Courtesy of GENERAL MOTORS CORP.
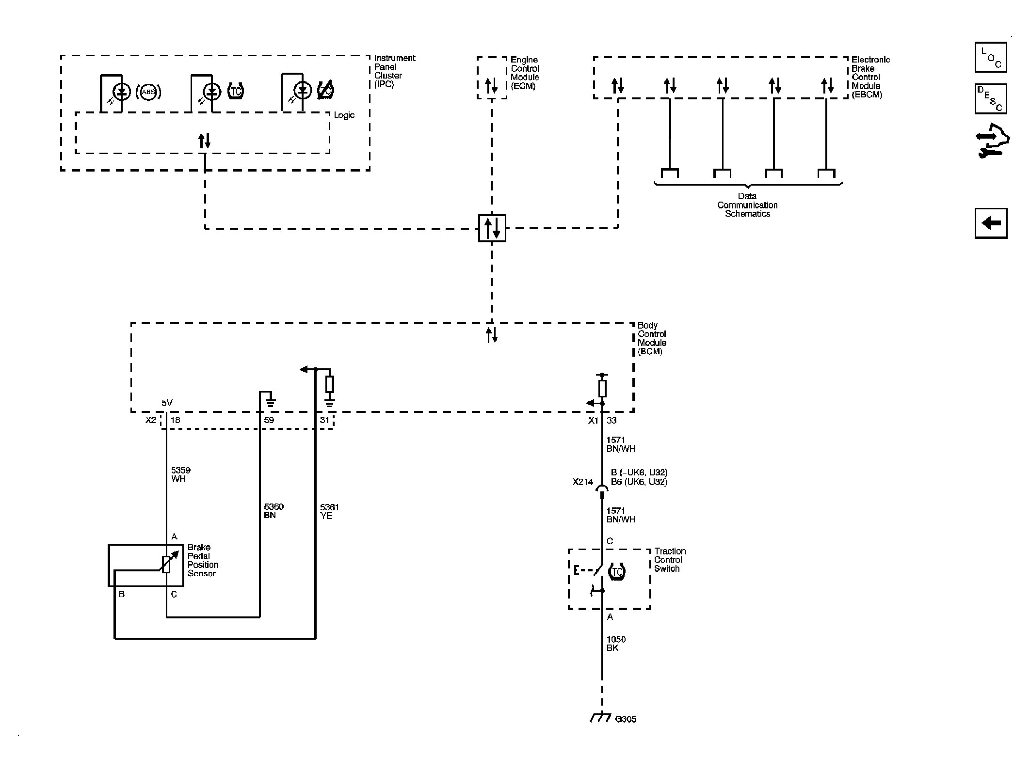
Fig 2: Brake Pedal Position Sensor, Data Link Communications And Traction Control Switch - Schematic
GM1891899Courtesy of GENERAL MOTORS CORP.