LEMON Manuals: Even more car manuals for everyone
Home >> Hummer >> 2008 >> H3 Base, Automatic >> Repair and Diagnosis >> External Pages >> Different car >> Section 100 (Data Communication System) >> Schematic and Routing Diagrams >> Data Communication Schematics

Data Communication Schematics

WARNING: This page is about a different car, the 2008 Chevrolet Malibu Classic. However, it is still accessible from the selected car via links, so may be relevant.
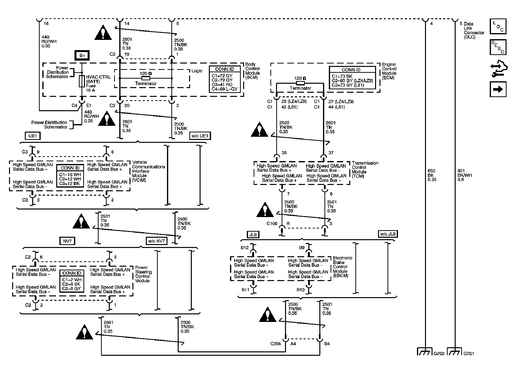
Fig 1: Power, Ground And High Speed Serial Data - Schematic
GM1892073Courtesy of GENERAL MOTORS CORP.
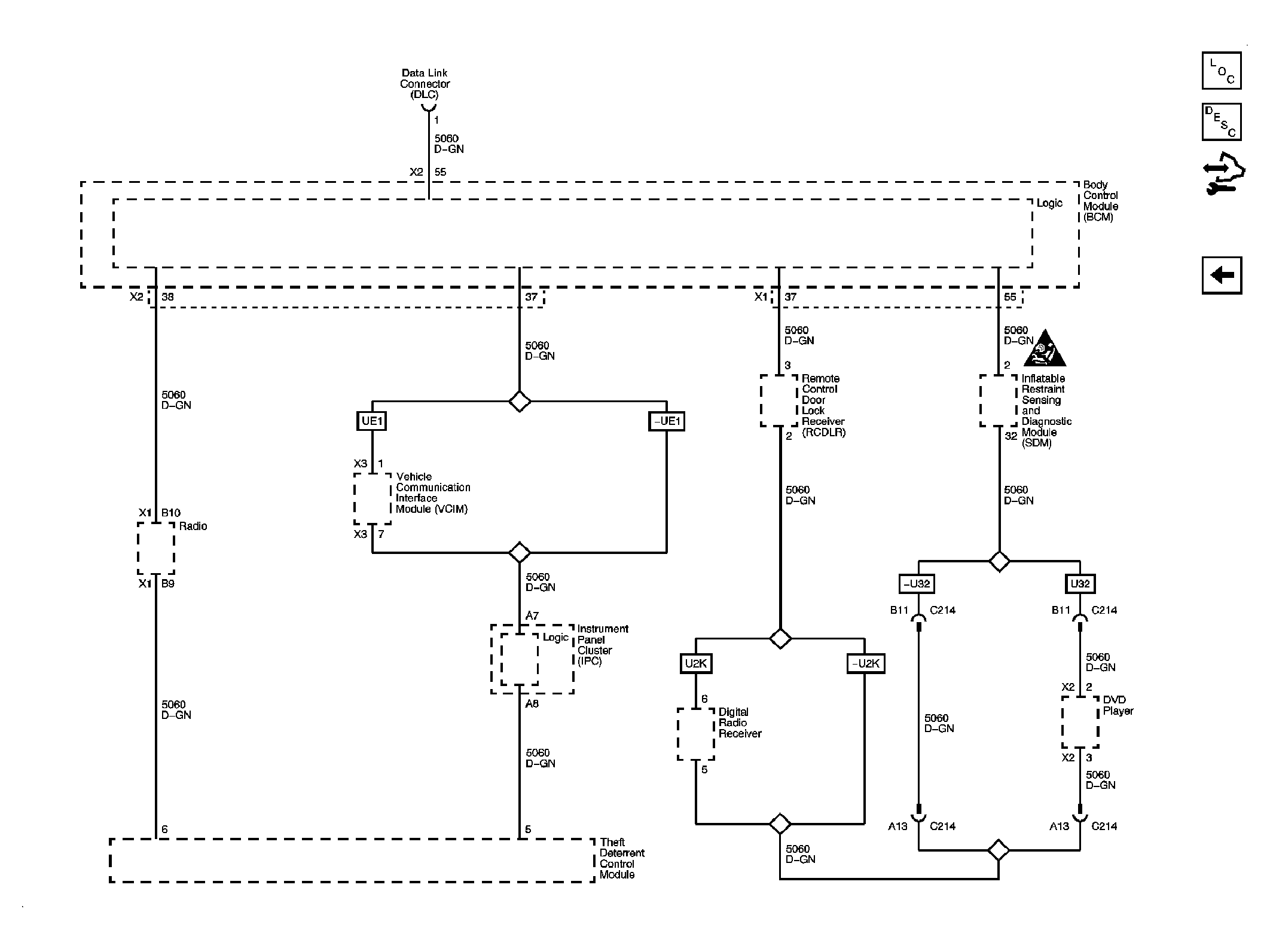
Fig 2: Low Speed Serial Data - Schematic
GM1892018Courtesy of GENERAL MOTORS CORP.