LEMON Manuals: Even more car manuals for everyone
Home >> Hummer >> 2008 >> H3 Alpha >> Repair and Diagnosis >> External Pages >> Different car >> Section 529 (Cellular System, Entertainment System And Navigation System) >> Schematic and Routing Diagrams >> Radio/Navigation System Schematics

Radio/Navigation System Schematics

WARNING: This page is about a different car, the 2010 Cadillac STS. However, it is still accessible from the selected car via links, so may be relevant.
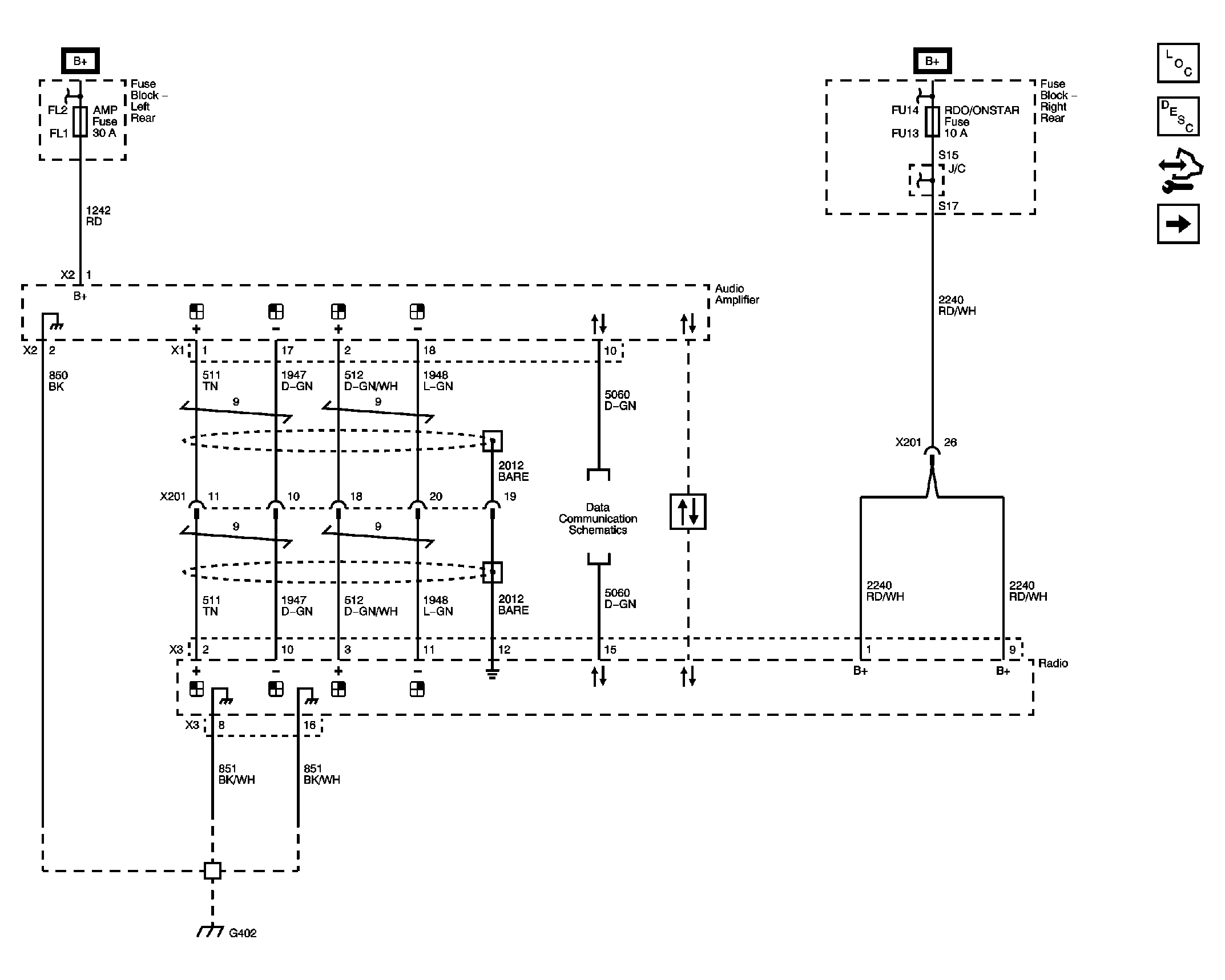
Fig 1: Radio Power, Ground, DLC and Audio Communications
GM2285177Courtesy of GENERAL MOTORS CORP.
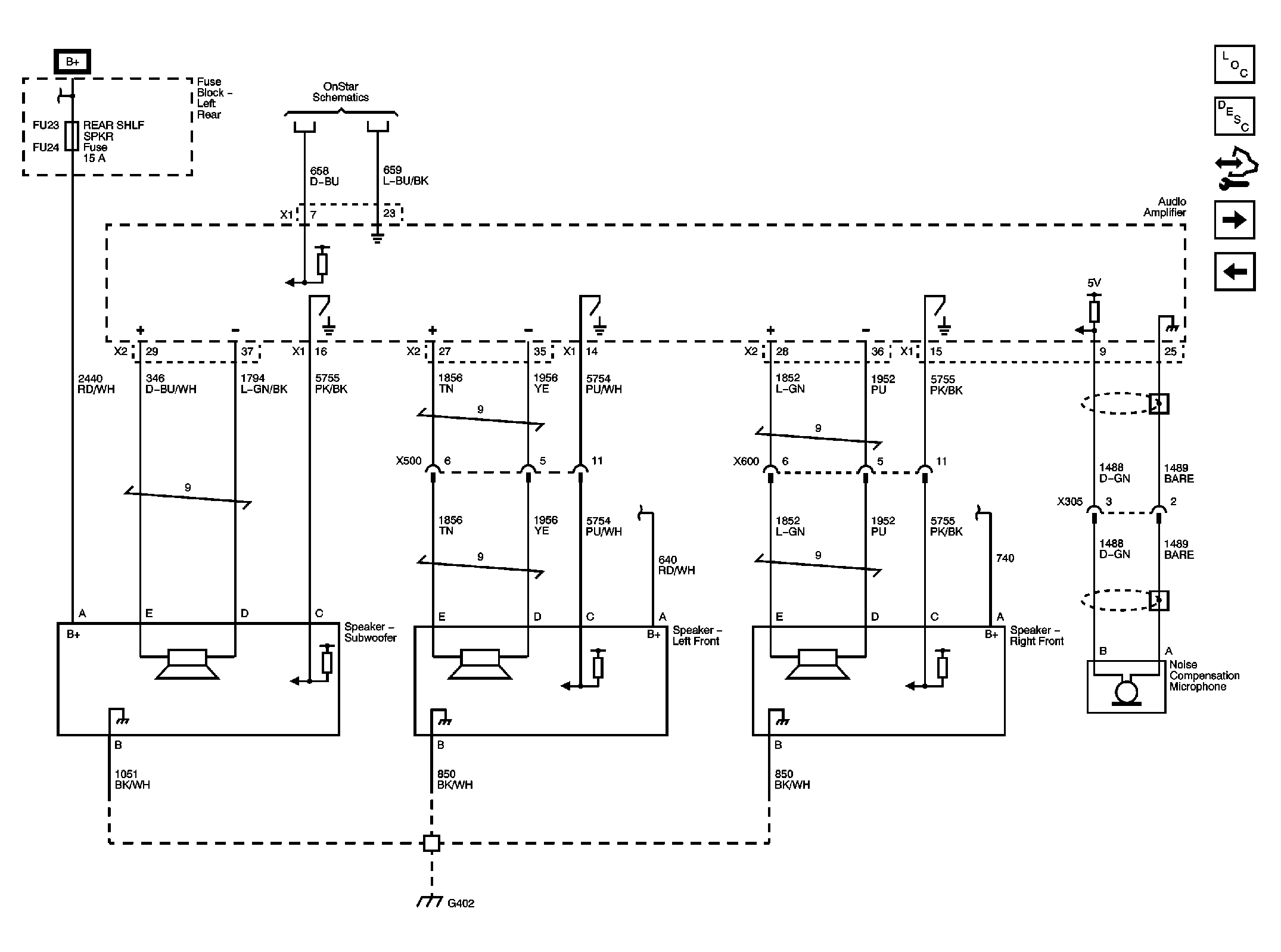
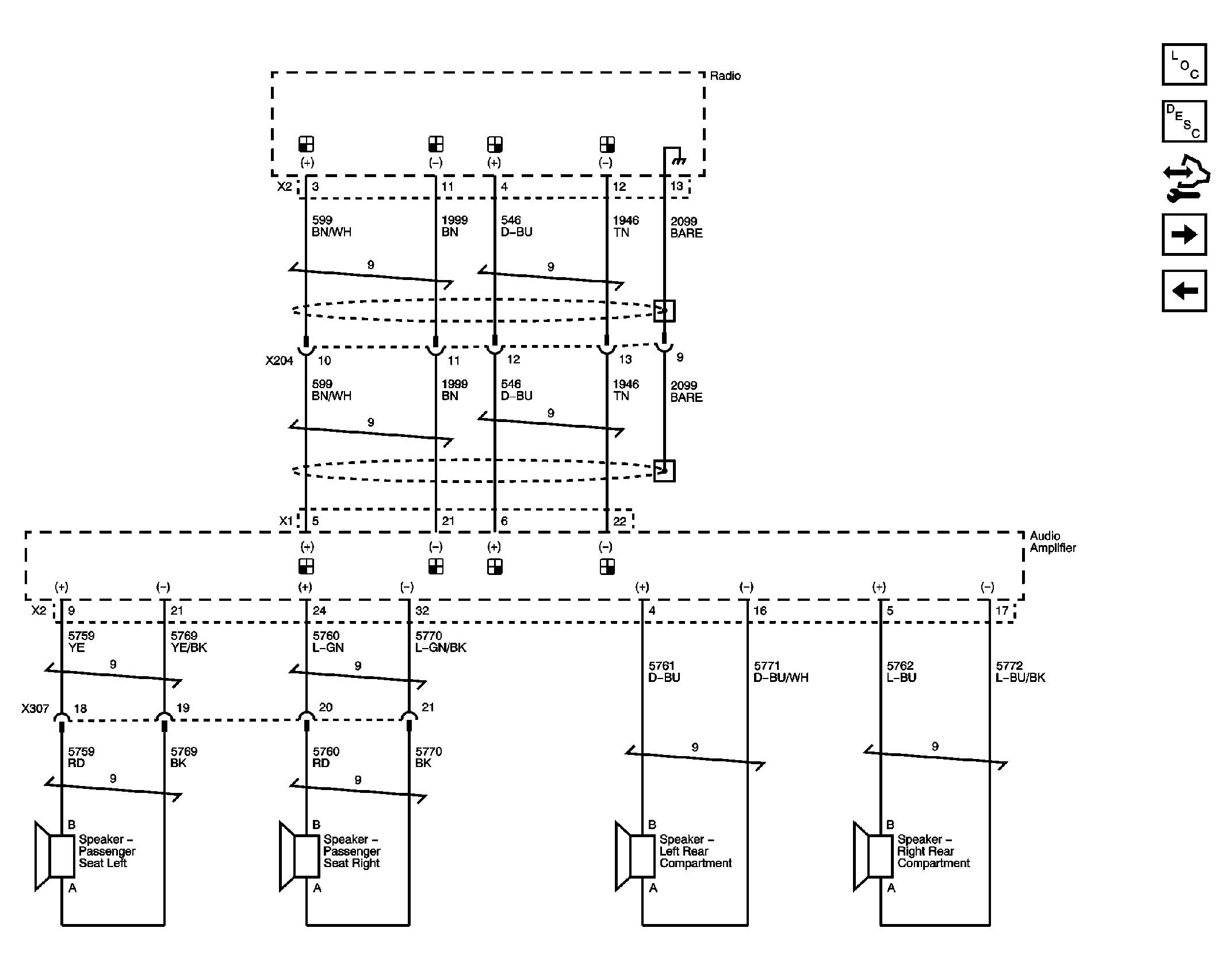
Fig 2: Speakers (UX8)
GM2285178Courtesy of GENERAL MOTORS CORP.
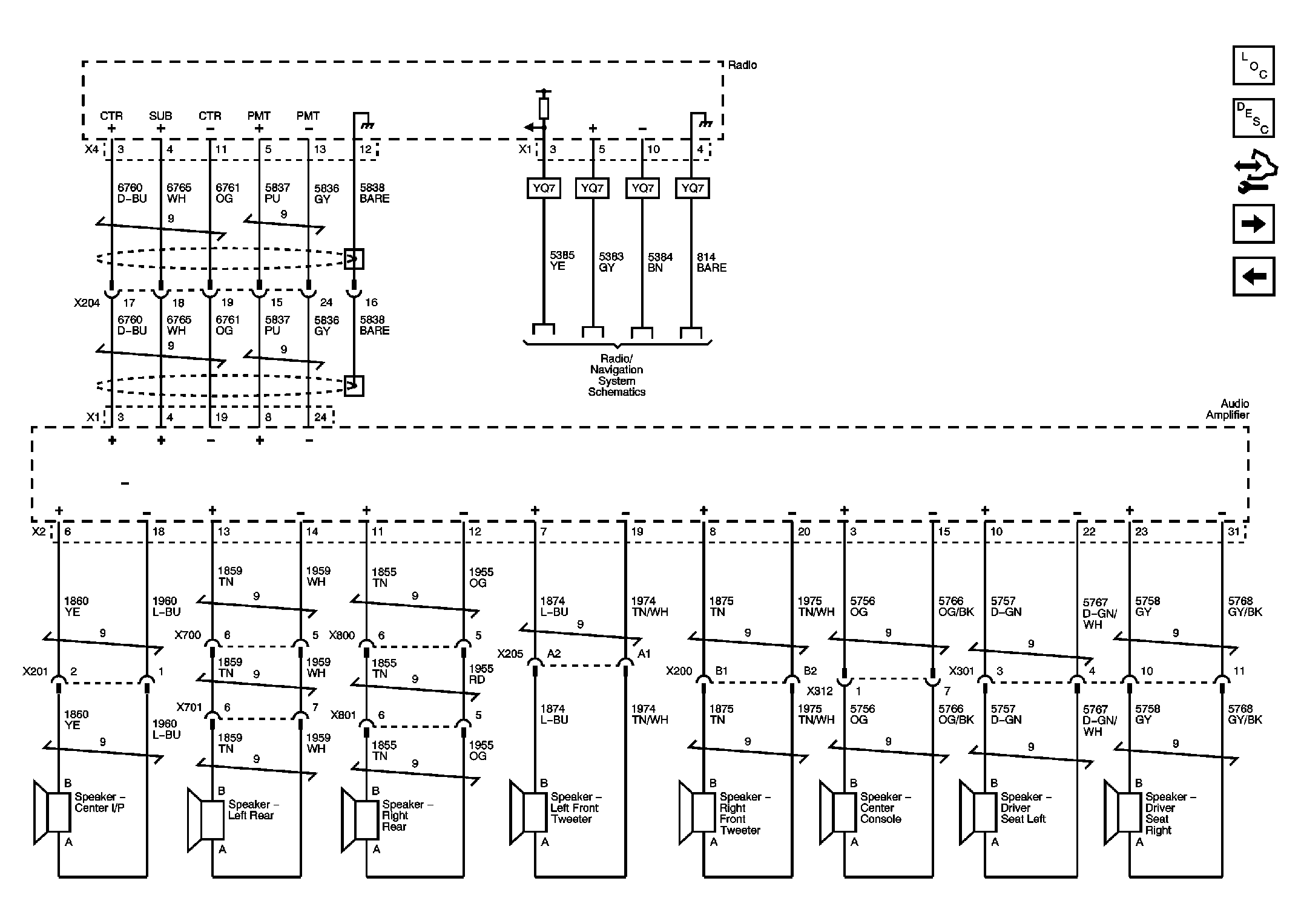
Fig 3: Speakers (UY5) (1 of 3)
GM2285179Courtesy of GENERAL MOTORS CORP.
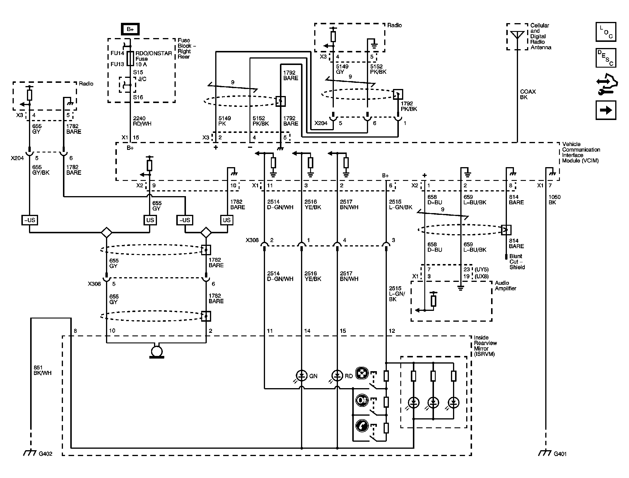
Fig 4: Speakers (UY5) (2 of 3)
GM2285180Courtesy of GENERAL MOTORS CORP.
Fig 5: Speakers (UY5) (3 of 3)
GM2285181Courtesy of GENERAL MOTORS CORP.
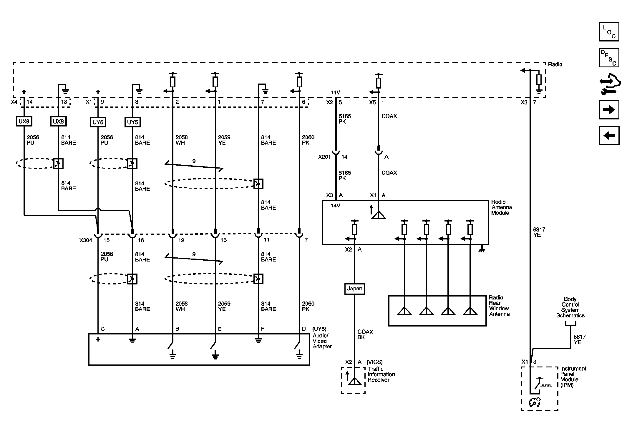
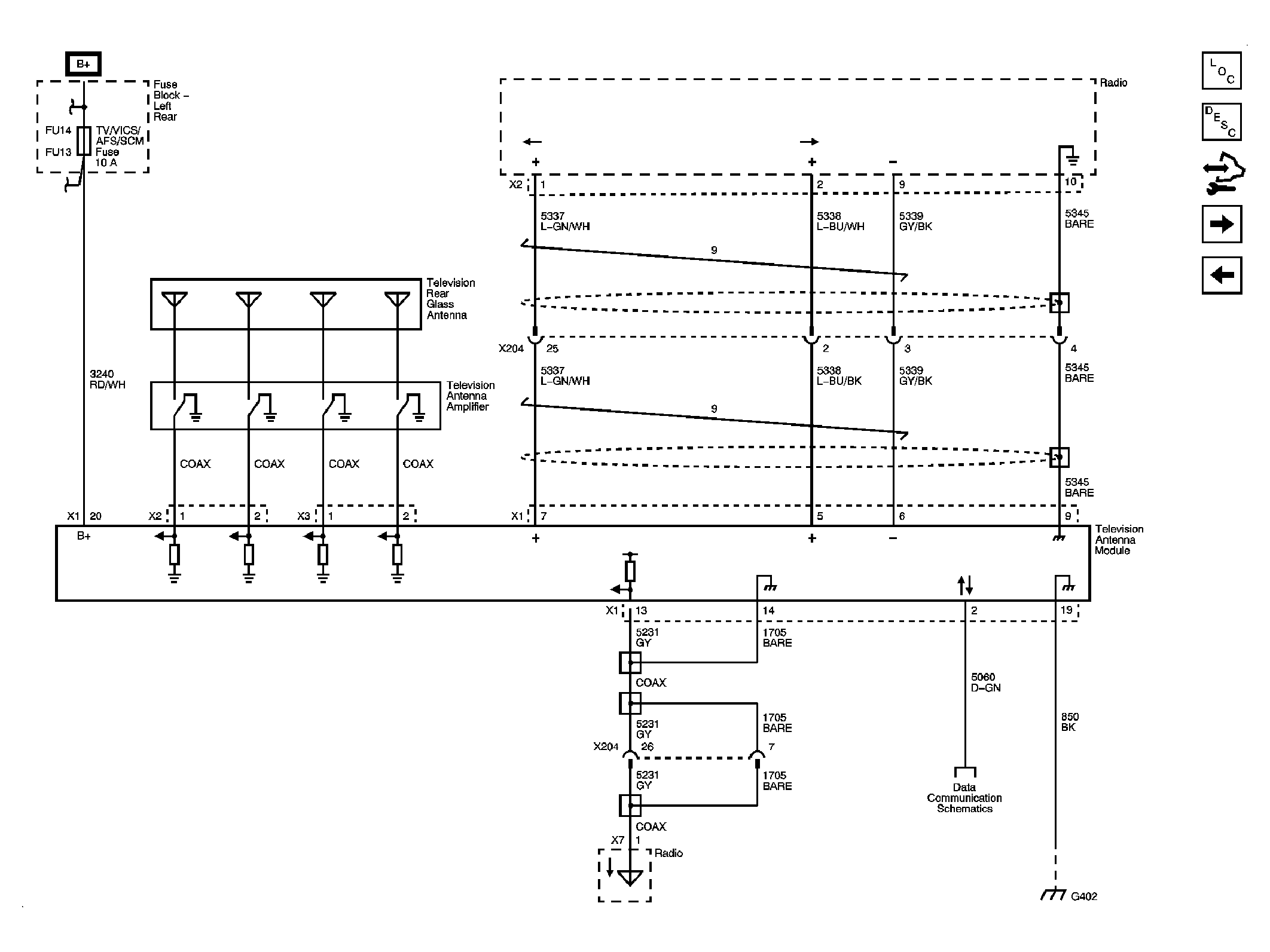
Fig 6: Radio Antennas, Audio/Video Adapter
GM2285182Courtesy of GENERAL MOTORS CORP.
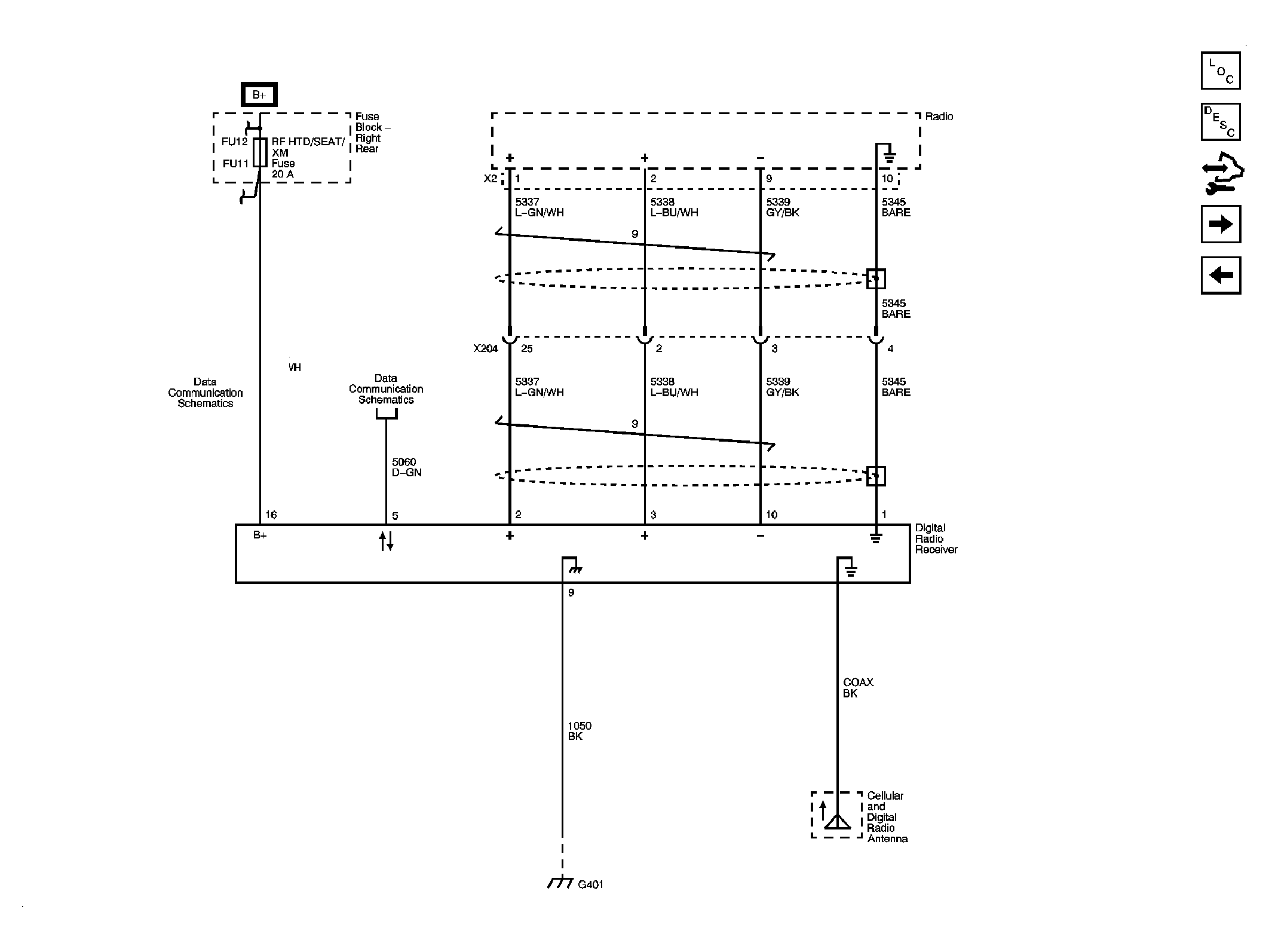
Fig 7: Digital Radio Receiver (U2K)
GM2285183Courtesy of GENERAL MOTORS CORP.
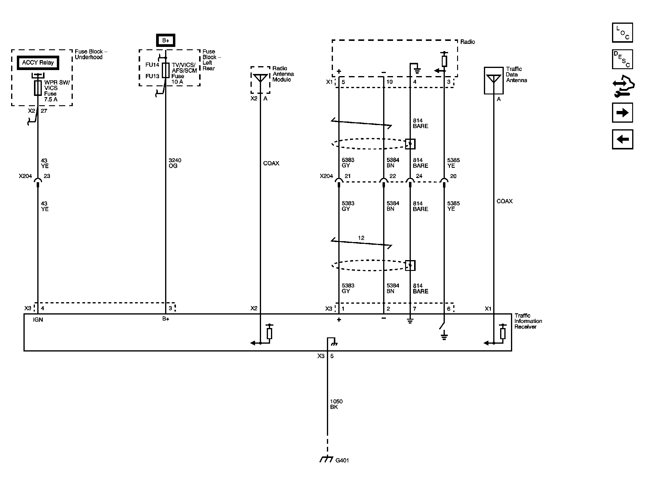
Fig 8: Traffic Information Receiver Module (VICS) - Japan Only
GM2285188Courtesy of GENERAL MOTORS CORP.
Fig 9: TV Tuner (YQ6 or YQ7)
GM2285189Courtesy of GENERAL MOTORS CORP.
Fig 10: Microphone, VSS and GPS Antenna
GM2285190Courtesy of GENERAL MOTORS CORP.