LEMON Manuals: Even more car manuals for everyone
Home >> Hummer >> 2008 >> H3 Alpha >> Repair and Diagnosis >> External Pages >> Different car >> Section 524 (Object Detection System) >> Schematic and Routing Diagrams >> Object Detection Schematics

Object Detection Schematics

WARNING: This page is about a different car, the 2010 Cadillac STS. However, it is still accessible from the selected car via links, so may be relevant.
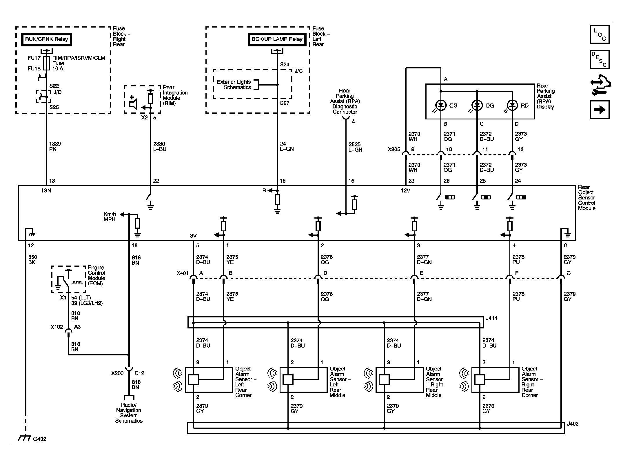
Fig 1: Rear Park Assist
GM2285634Courtesy of GENERAL MOTORS CORP.
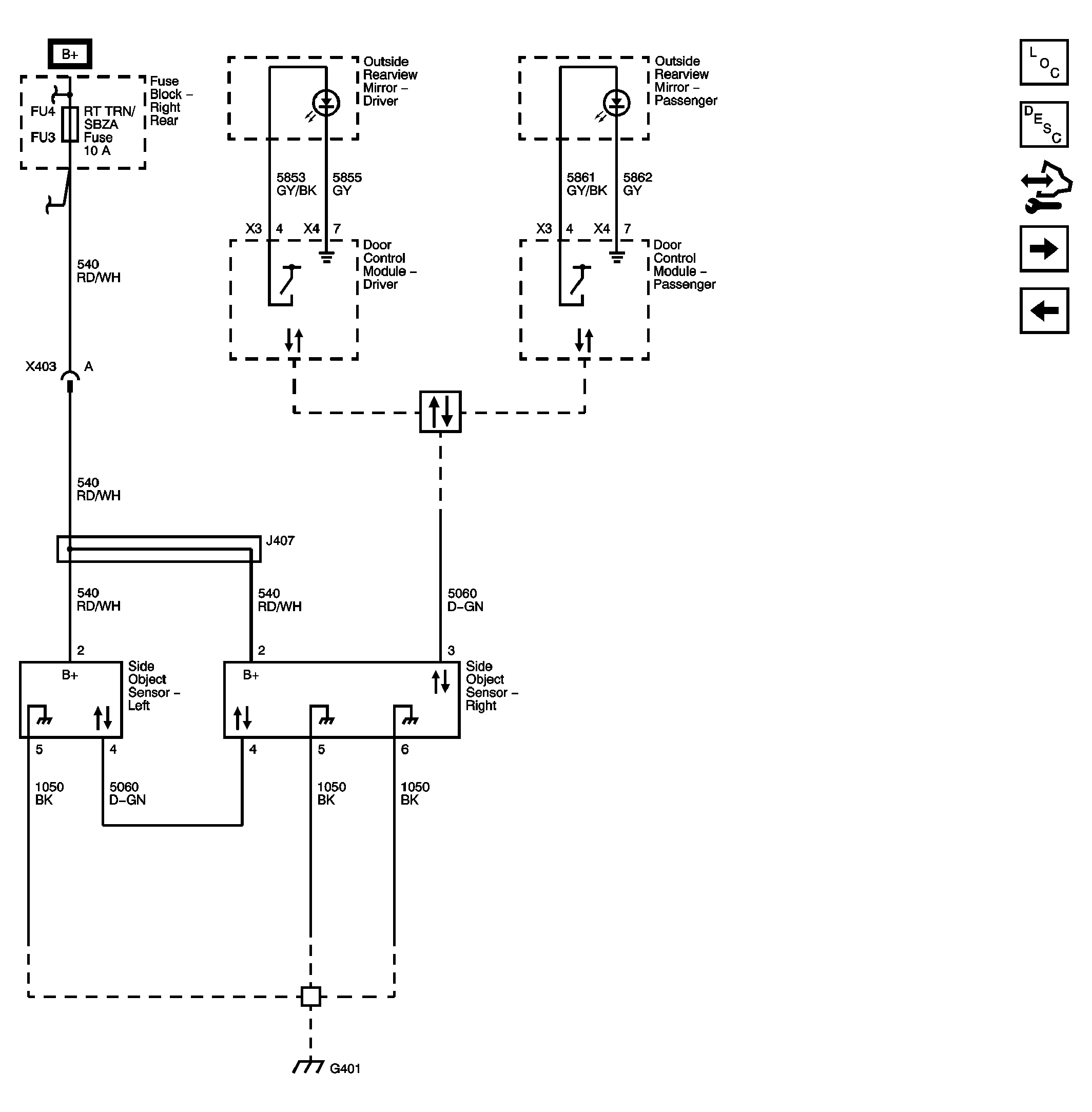
Fig 2: Side Object Detection
GM2285635Courtesy of GENERAL MOTORS CORP.
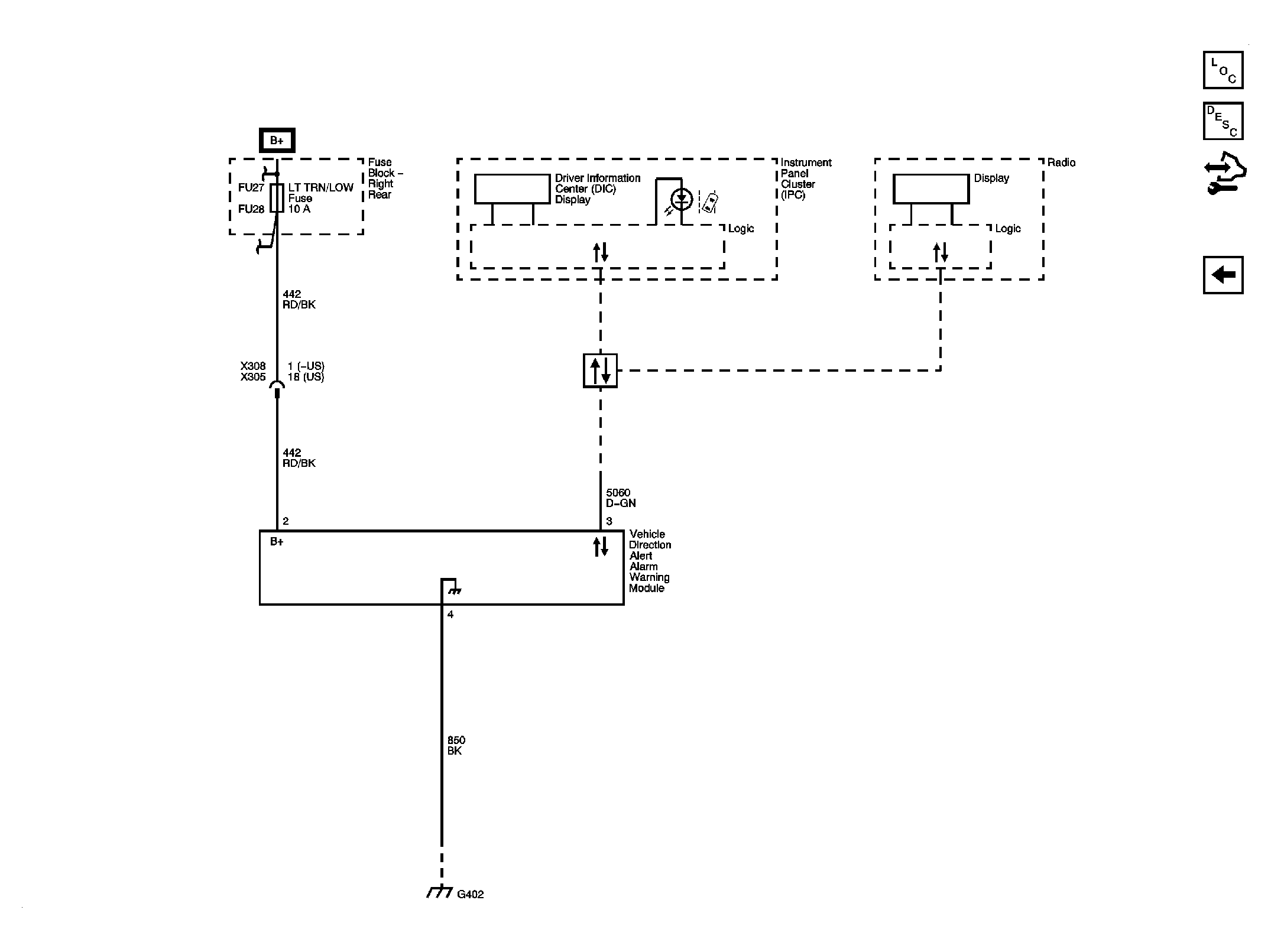
Fig 3: Lane Departure Warning
GM2285636Courtesy of GENERAL MOTORS CORP.