LEMON Manuals: Even more car manuals for everyone
Home >> Hummer >> 2008 >> H3 Alpha >> Repair and Diagnosis >> External Pages >> Different car >> Section 498 (Data Communication System) >> Schematic and Routing Diagrams >> Data Communication Schematics

Data Communication Schematics

WARNING: This page is about a different car, the 2010 Cadillac STS. However, it is still accessible from the selected car via links, so may be relevant.
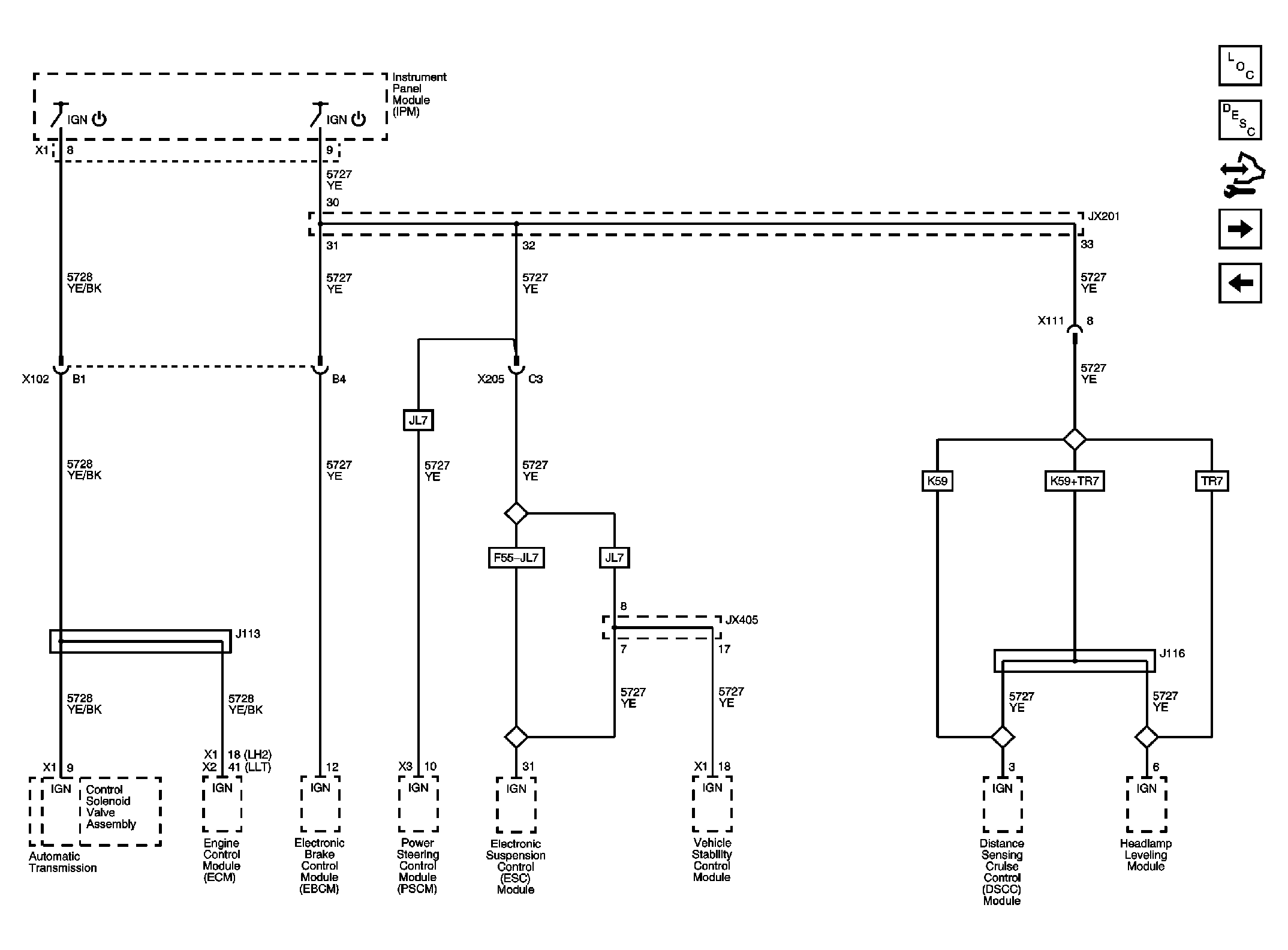
Fig 1: Power, Ground, and Low Speed GMLAN Serial Data
GM2283354Courtesy of GENERAL MOTORS CORP.
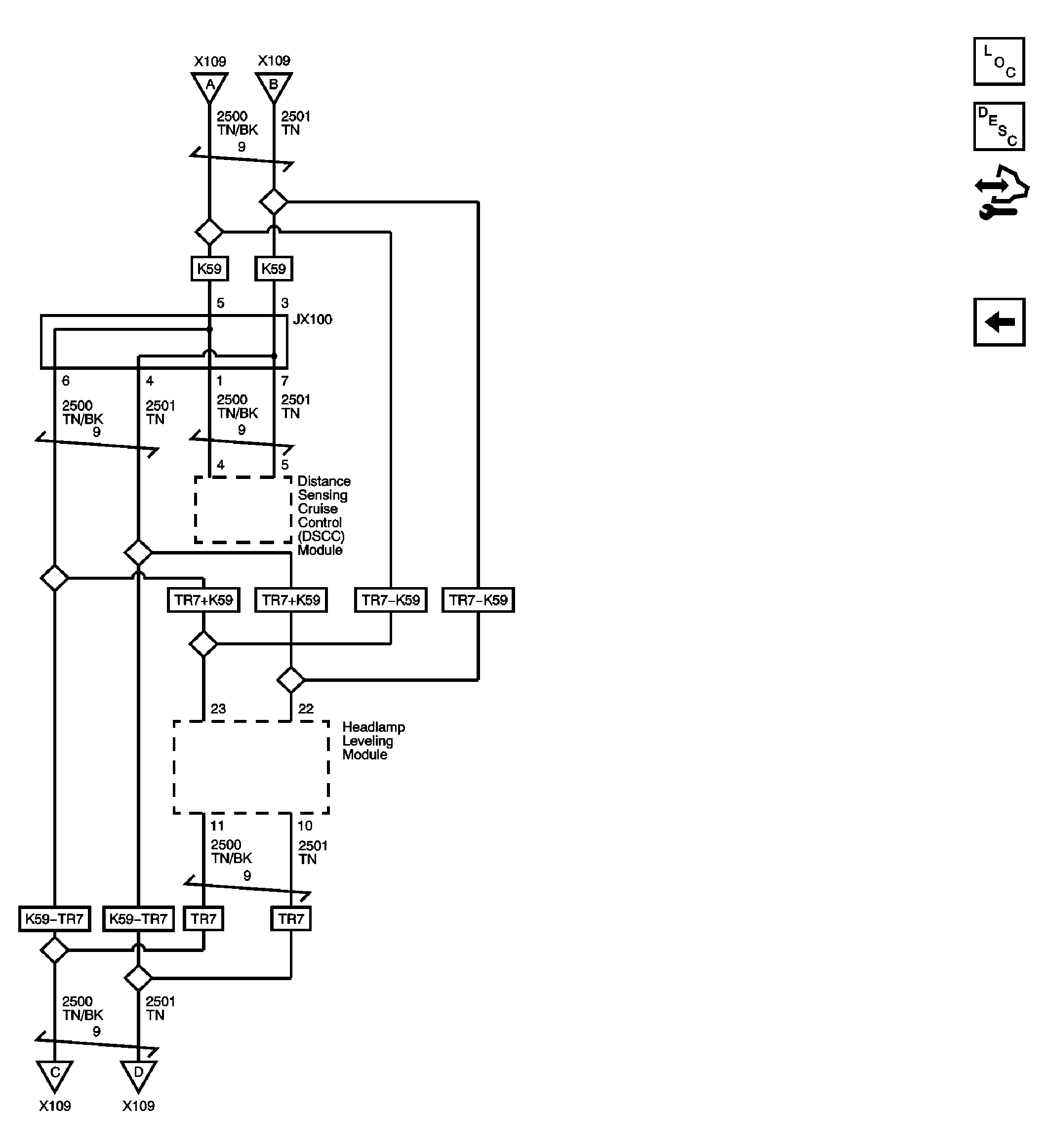
Fig 2: GMLAN - High Speed Serial Data Wake Up
GM2283355Courtesy of GENERAL MOTORS CORP.
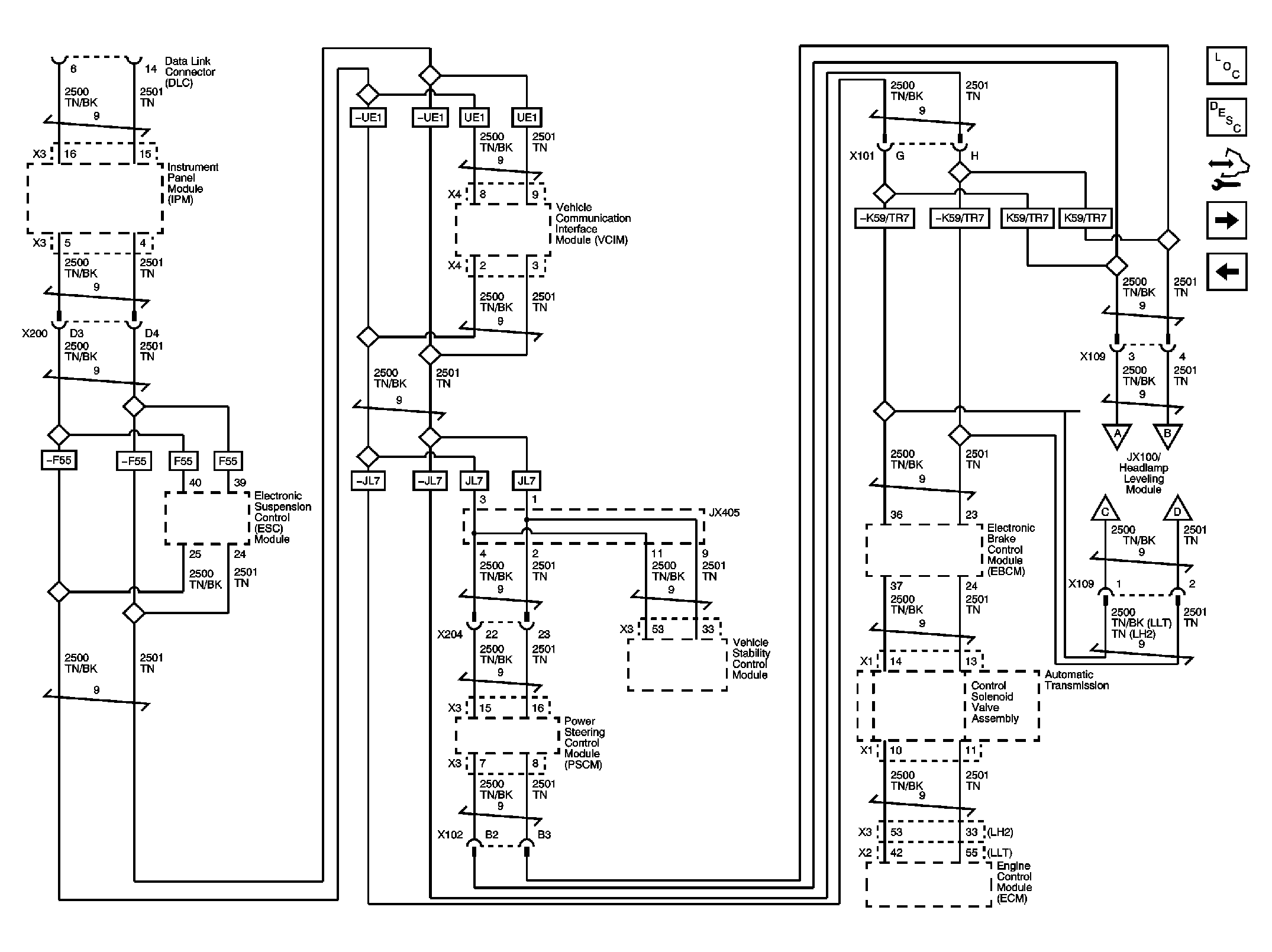
Fig 3: GMLAN High Speed Serial Data (LH2 with LHD)
GM2283357Courtesy of GENERAL MOTORS CORP.
Fig 4: GMLAN High Speed Serial Data (LLT or LH2 with RHD)
GM2283358Courtesy of GENERAL MOTORS CORP.