LEMON Manuals: Even more car manuals for everyone
Home >> Hummer >> 2008 >> H3 Alpha >> Repair and Diagnosis >> External Pages >> Different car >> Section 498 (Data Communication System) >> Schematic and Routing Diagrams >> Body Control System Schematics

Body Control System Schematics

WARNING: This page is about a different car, the 2010 Cadillac STS. However, it is still accessible from the selected car via links, so may be relevant.
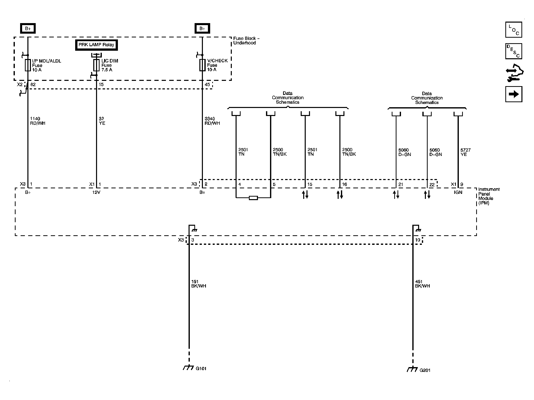
Fig 1: IPM Power, Ground and DLC
GM2285637Courtesy of GENERAL MOTORS CORP.
Fig 2: IPM Inputs and Outputs (1 of 3)
GM2285639Courtesy of GENERAL MOTORS CORP.
Fig 3: IPM Inputs and Outputs (2 of 3)
GM2285640Courtesy of GENERAL MOTORS CORP.
Fig 4: IPM Input and Outputs (3 of 3)
GM2285642Courtesy of GENERAL MOTORS CORP.
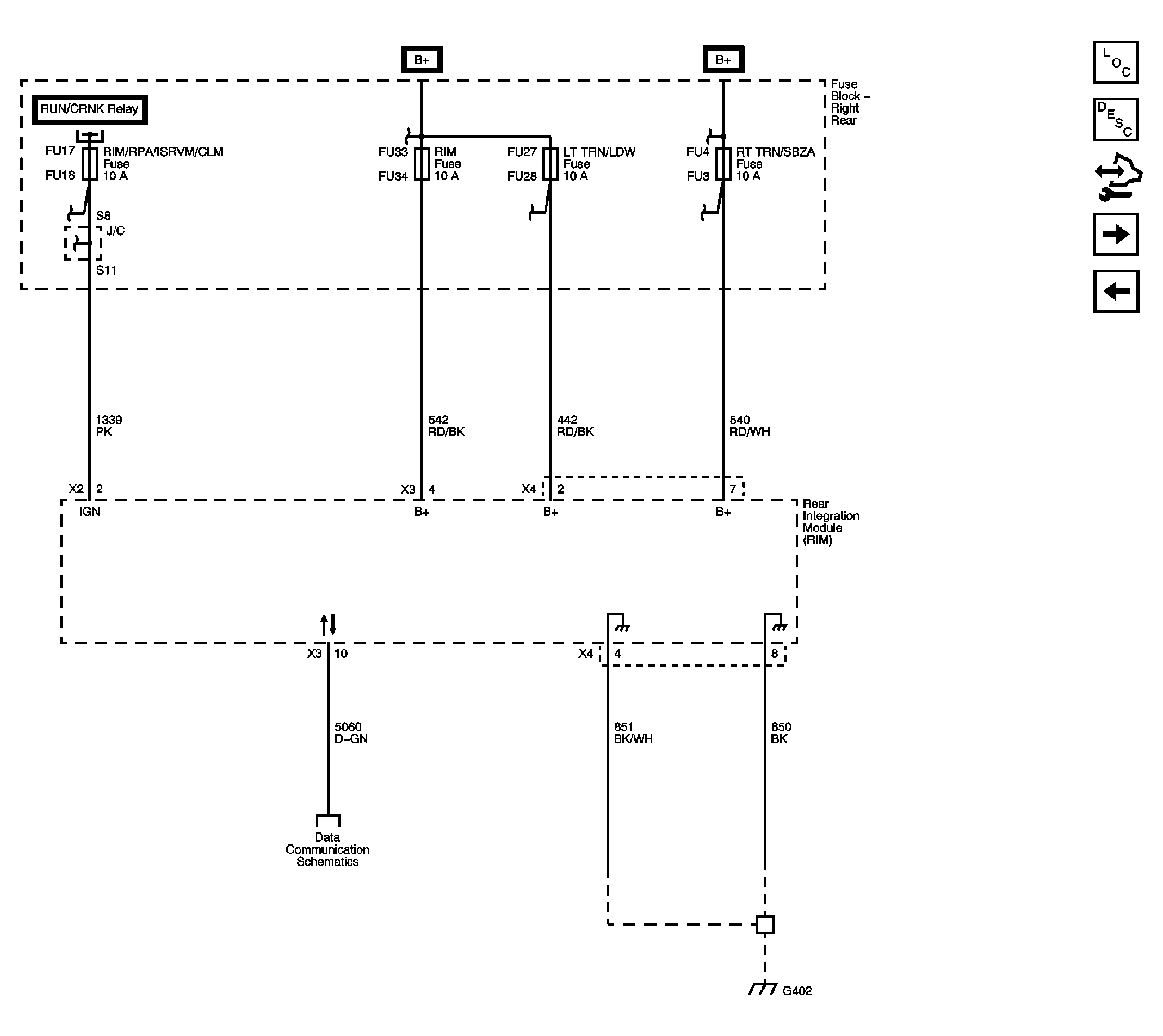
Fig 5: RIM Power, Ground and DLC
GM2285643Courtesy of GENERAL MOTORS CORP.
Fig 6: RIM Inputs and Outputs
GM2285644Courtesy of GENERAL MOTORS CORP.