LEMON Manuals: Even more car manuals for everyone
Home >> Hummer >> 2008 >> H3 Alpha >> Repair and Diagnosis >> External Pages >> Different car >> Section 210 (Keyless Entry System & Remote Functions) >> Schematic and Routing Diagrams >> Remote Function Schematics

Remote Function Schematics

WARNING: This page is about a different car, the 2008 Cadillac STS. However, it is still accessible from the selected car via links, so may be relevant.
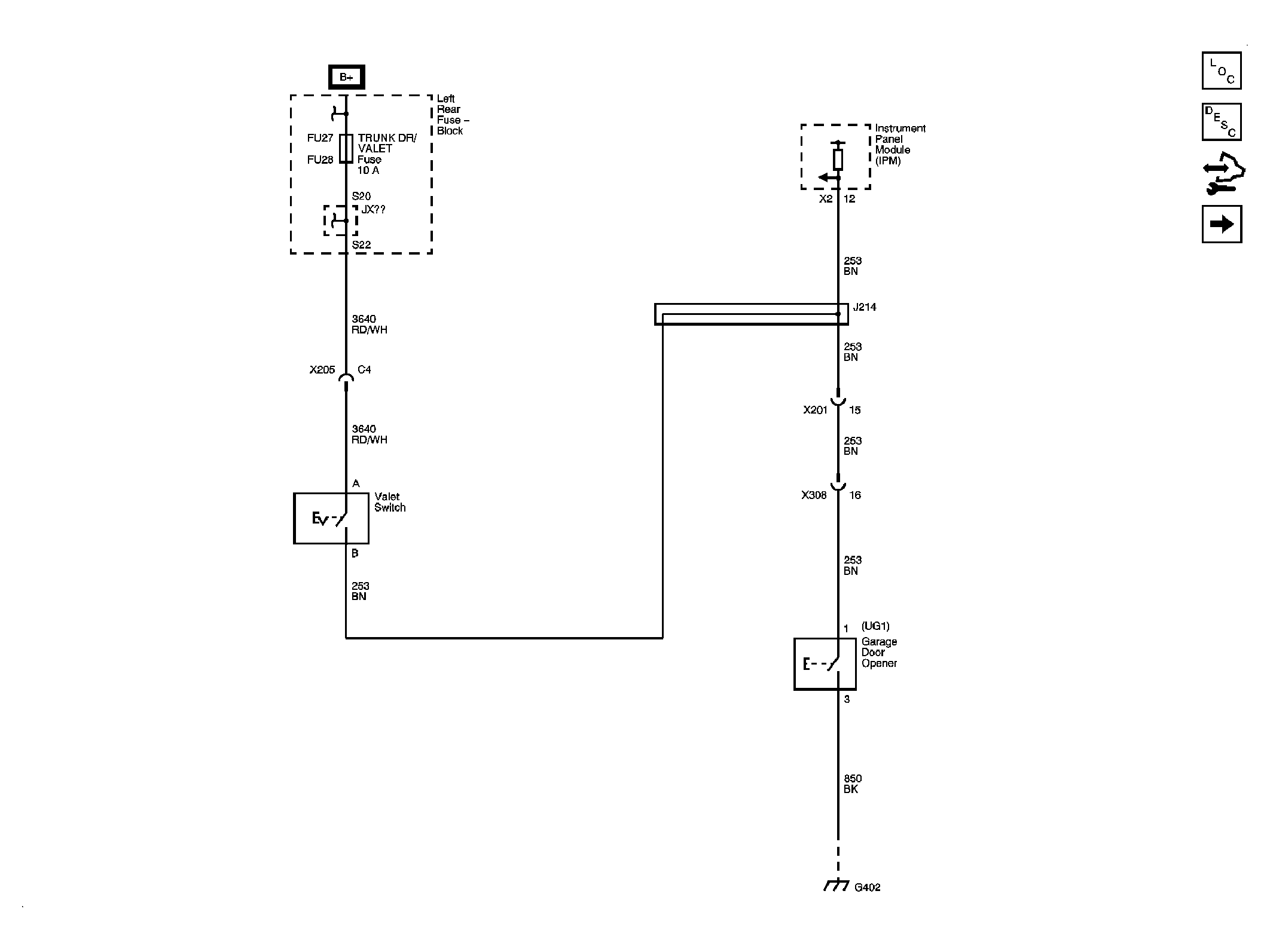
Fig 1: Garage Door Opener Schematic
GM1903013Courtesy of GENERAL MOTORS CORP.
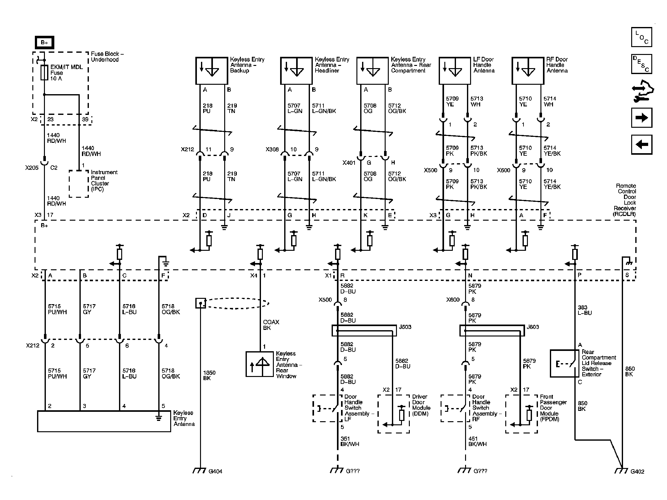
Fig 2: Keyless Entry Module Power, Grounds, Antennas and Switches Schematic
GM1903016Courtesy of GENERAL MOTORS CORP.
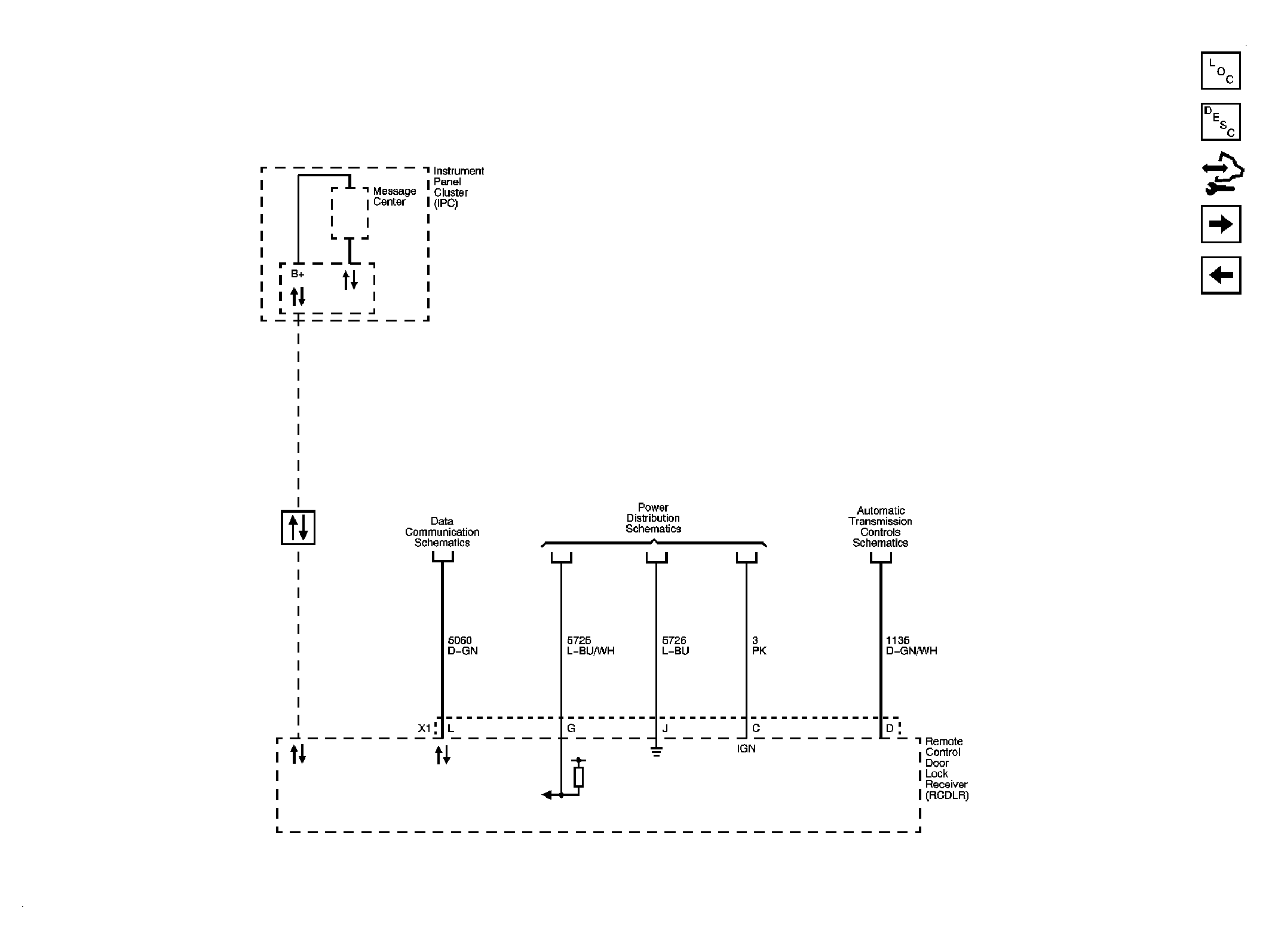
Fig 3: Keyless Entry DLC, Instrument Panel Cluster (IPC) Schematic
GM1903018Courtesy of GENERAL MOTORS CORP.
Fig 4: Keyless Entry Hood Ajar Switch Schematic
GM1903021Courtesy of GENERAL MOTORS CORP.