LEMON Manuals: Even more car manuals for everyone
Home >> Hummer >> 2008 >> H3 Alpha >> Repair and Diagnosis >> External Pages >> Different car >> Section 181 (Cellular System, Entertainment System, And Navigation System) >> Schematic and Routing Diagrams >> Radio/Navigation System Schematics

Radio/Navigation System Schematics

WARNING: This page is about a different car, the 2008 Cadillac STS. However, it is still accessible from the selected car via links, so may be relevant.
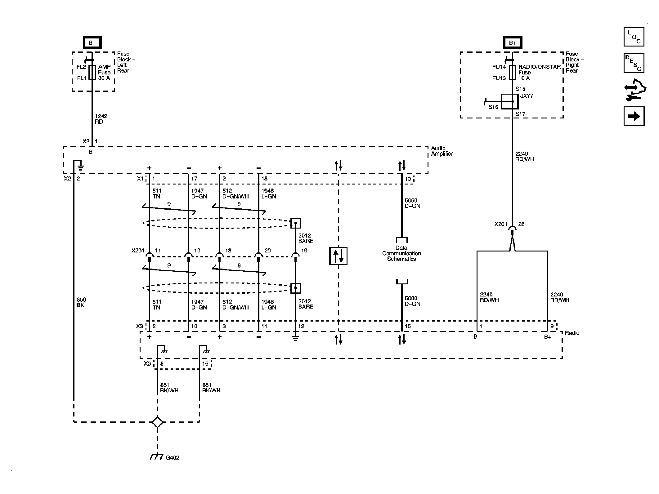
Fig 1: Radio Power, Ground, DLC and Audio Communications Schematic
GM1903047Courtesy of GENERAL MOTORS CORP.
Fig 2: Speakers +UX8 Schematic
GM1903051Courtesy of GENERAL MOTORS CORP.
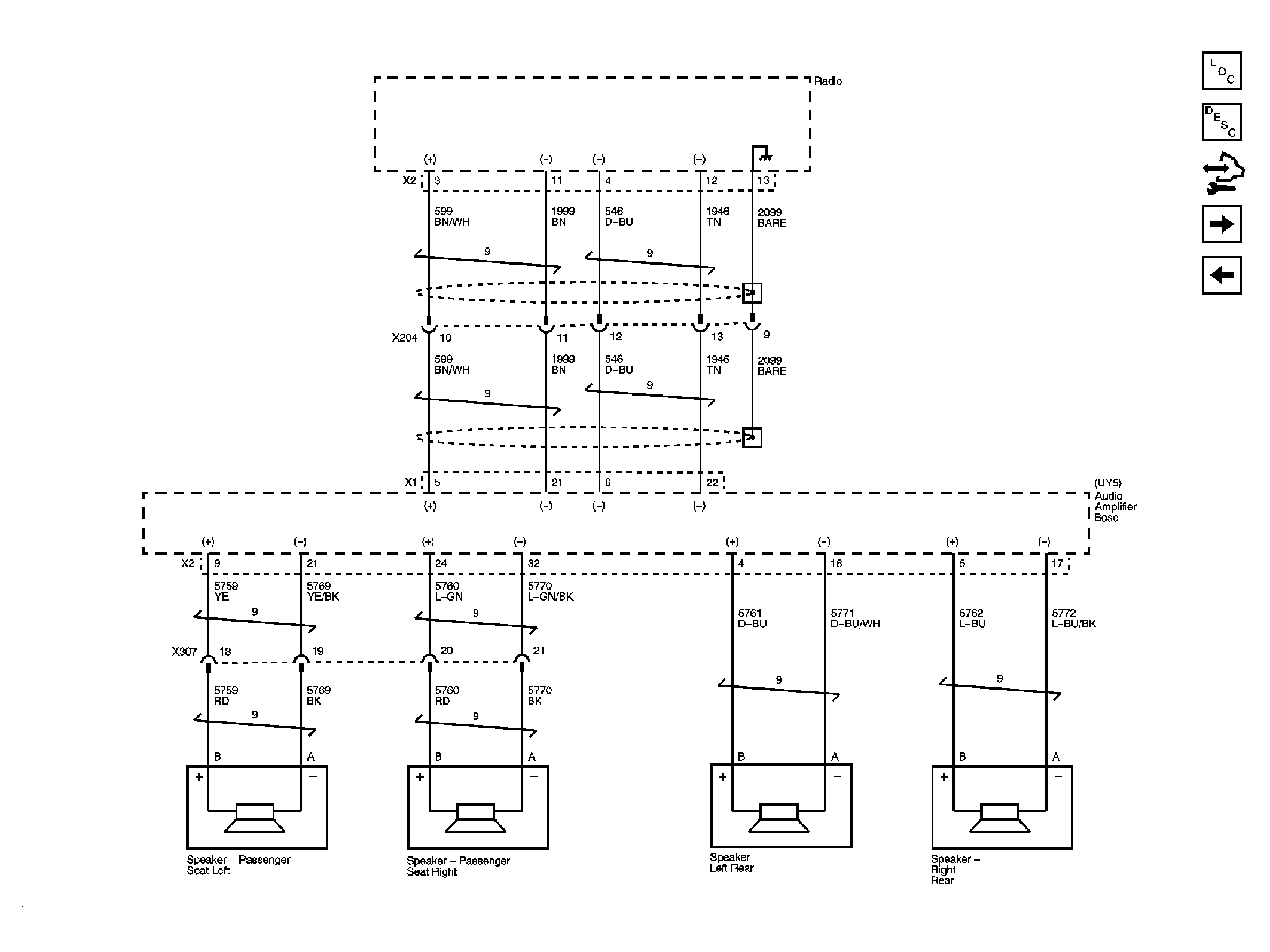
Fig 3: Speakers +UY5 Schematic (1 of 3)
GM1903054Courtesy of GENERAL MOTORS CORP.
Fig 4: Speakers +UY5 Schematic (2 of 3)
GM1903056Courtesy of GENERAL MOTORS CORP.
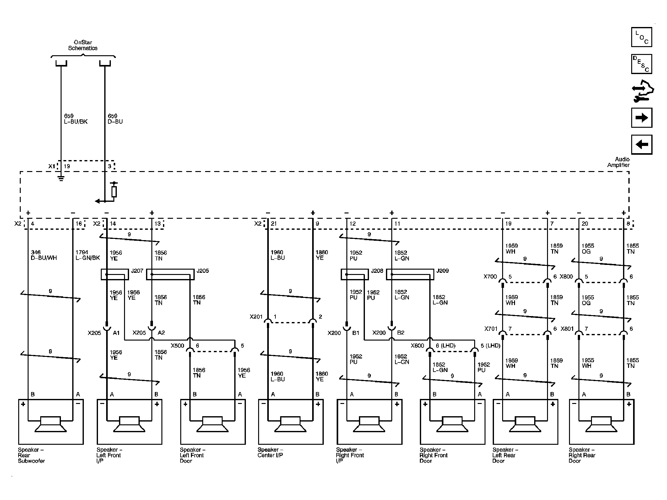
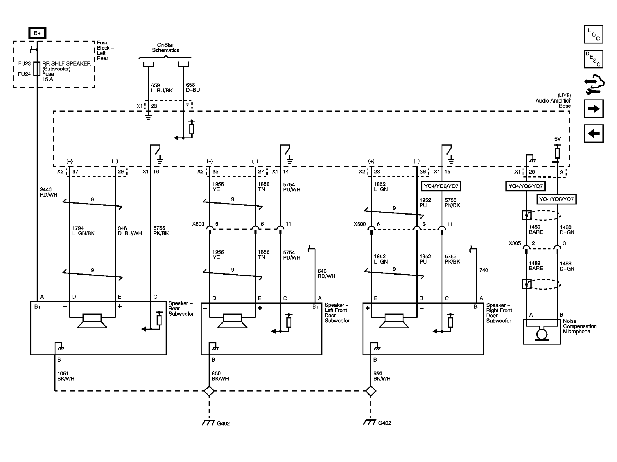
Fig 5: Speakers +UY5 Schematic (3 of 3)
GM1903059Courtesy of GENERAL MOTORS CORP.
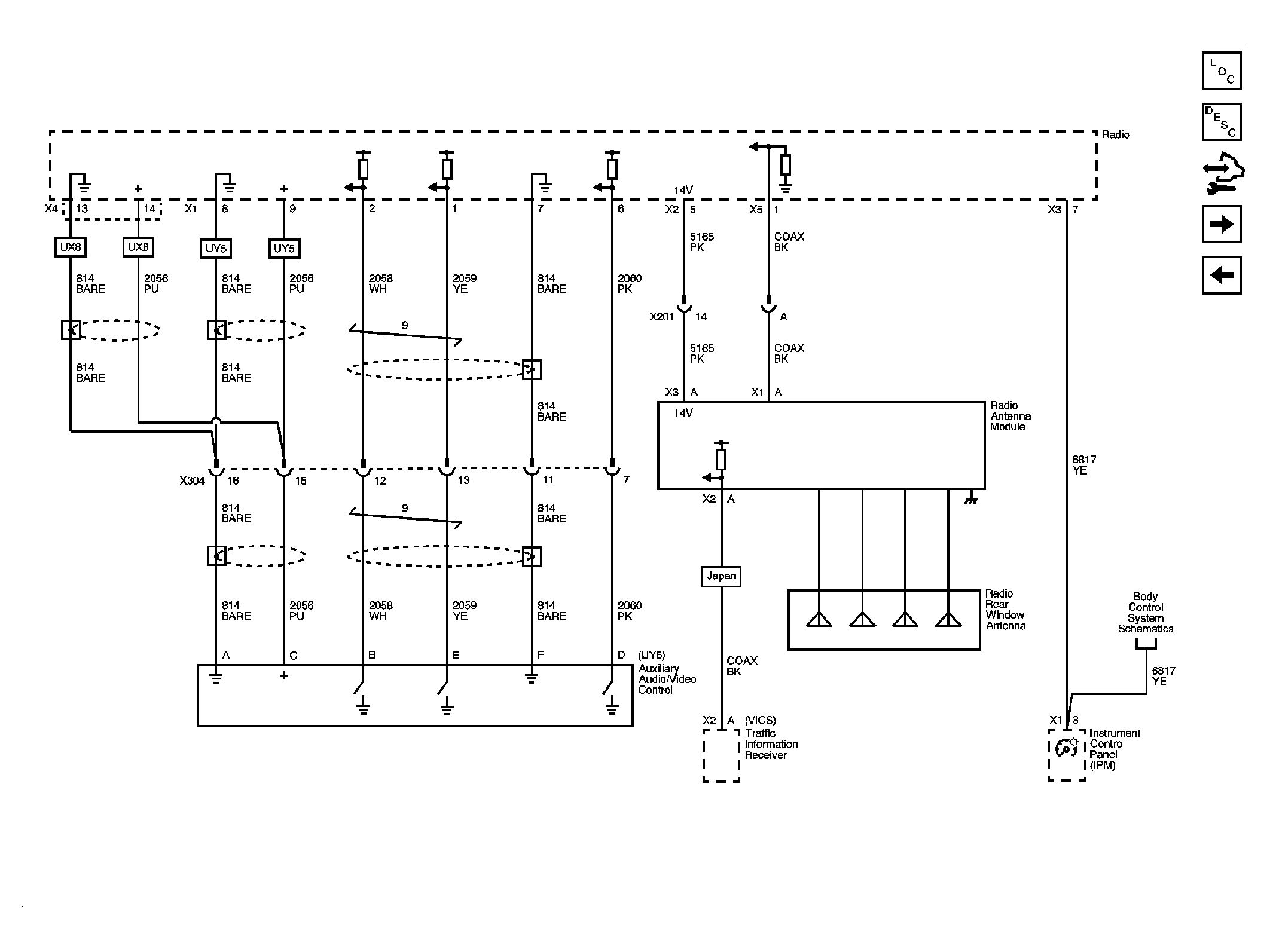
Fig 6: Radio Antennas, Audio/Video Adapter Schematic
GM1903064Courtesy of GENERAL MOTORS CORP.
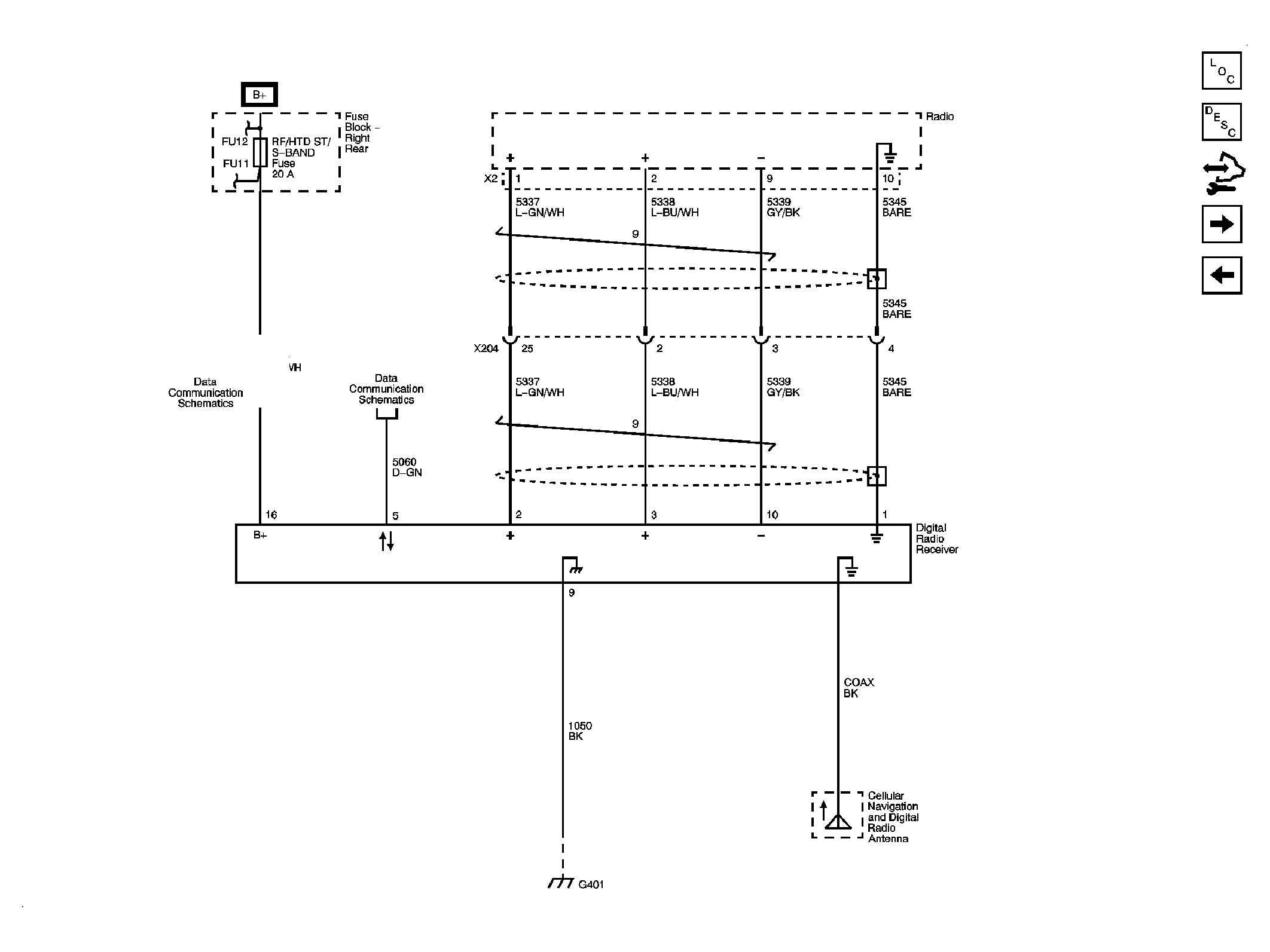
Fig 7: Digital Radio Receiver +U2K Schematic
GM1903066Courtesy of GENERAL MOTORS CORP.
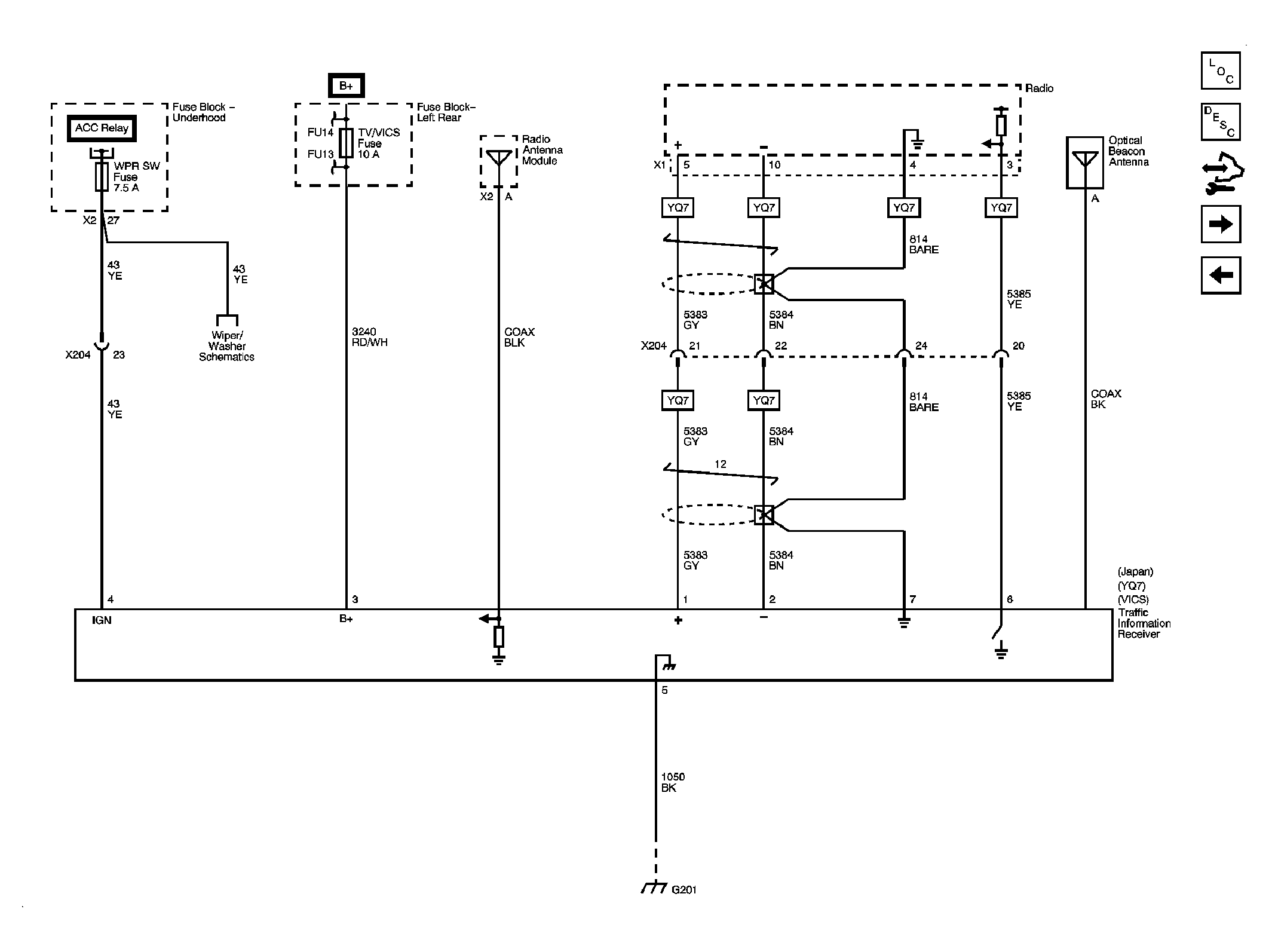
Fig 8: Traffic Information Receiver Module (VICS) Schematic - Japan Only
GM1903068Courtesy of GENERAL MOTORS CORP.
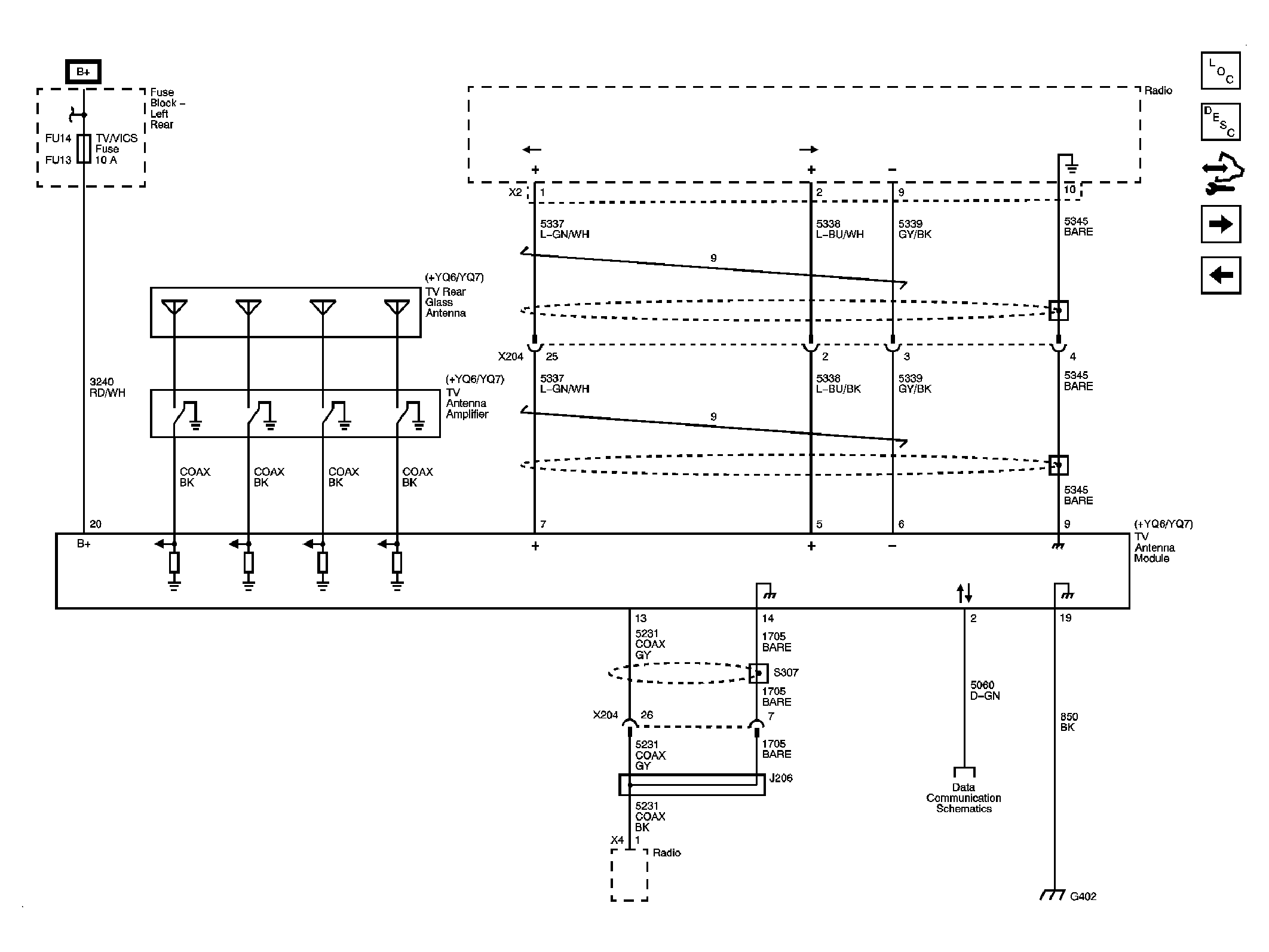
Fig 9: TV Tuner Assembly Schematic (North America)
GM1903070Courtesy of GENERAL MOTORS CORP.
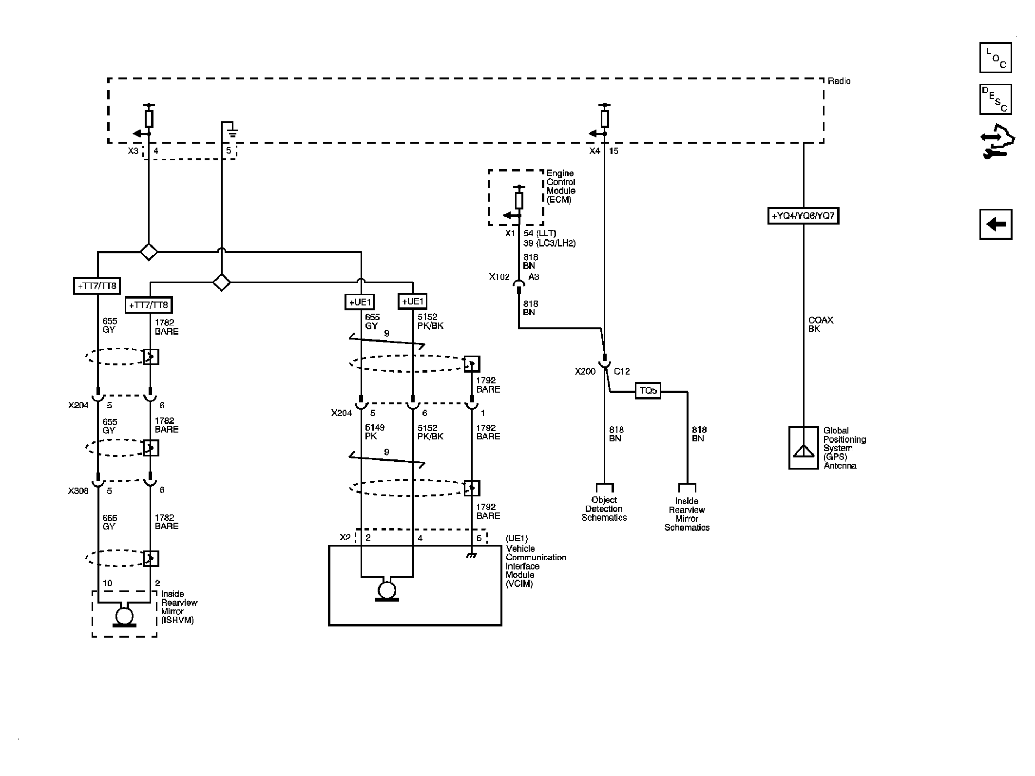
Fig 10: Microphone, VSS and GPS Antenna Schematic
GM1903072Courtesy of GENERAL MOTORS CORP.