LEMON Manuals: Even more car manuals for everyone
Home >> Hummer >> 2008 >> H3 Alpha >> Repair and Diagnosis (Single Page) >> Accessories & Equipment >> Collision/Avoidance >> Object Detection >> Schematic and Routing Diagrams >> Object Detection Schematics

Object Detection Schematics

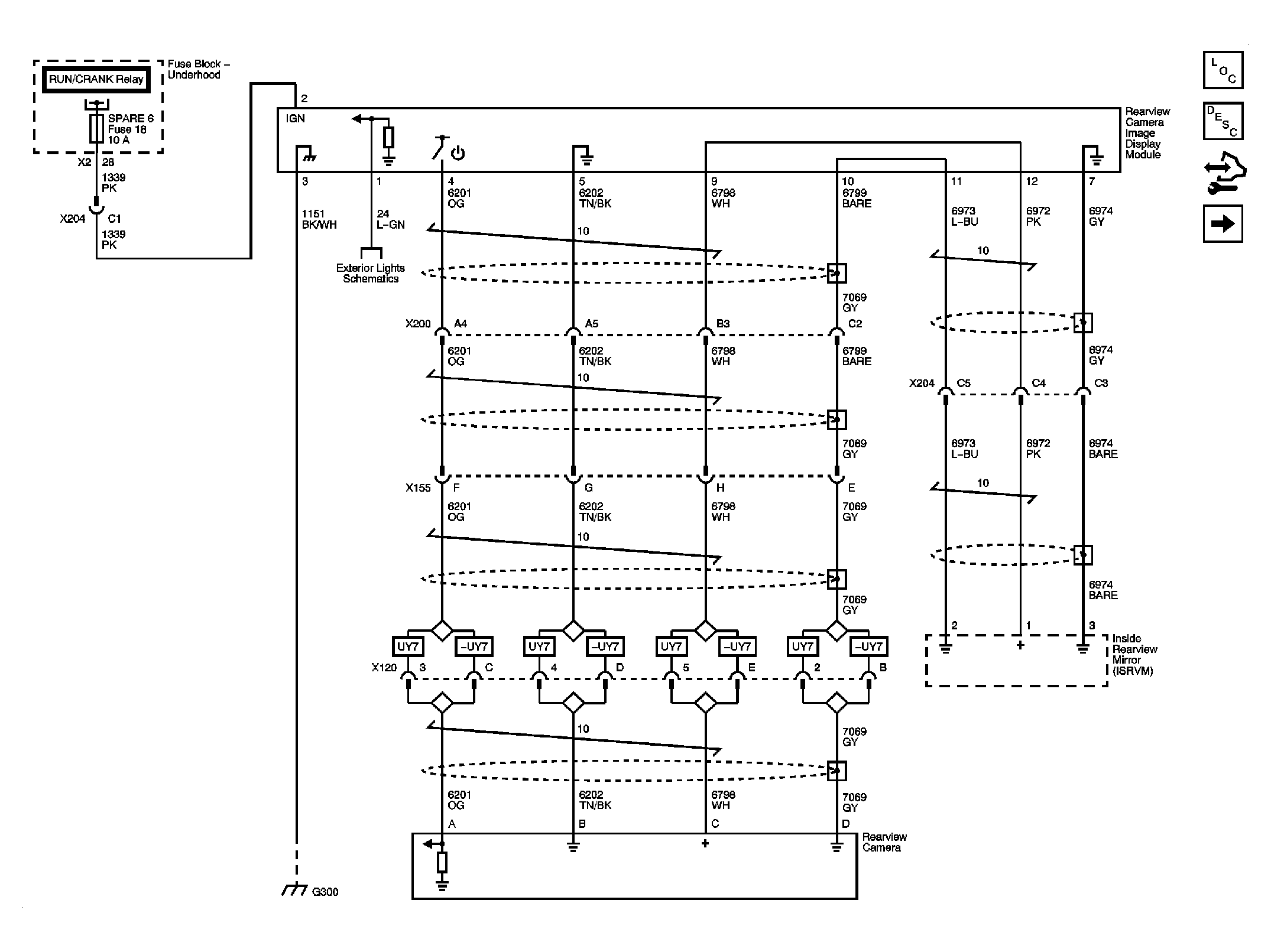
Fig 1: Rearview Camera (UVC)
GM1911819Courtesy of GENERAL MOTORS CORP.
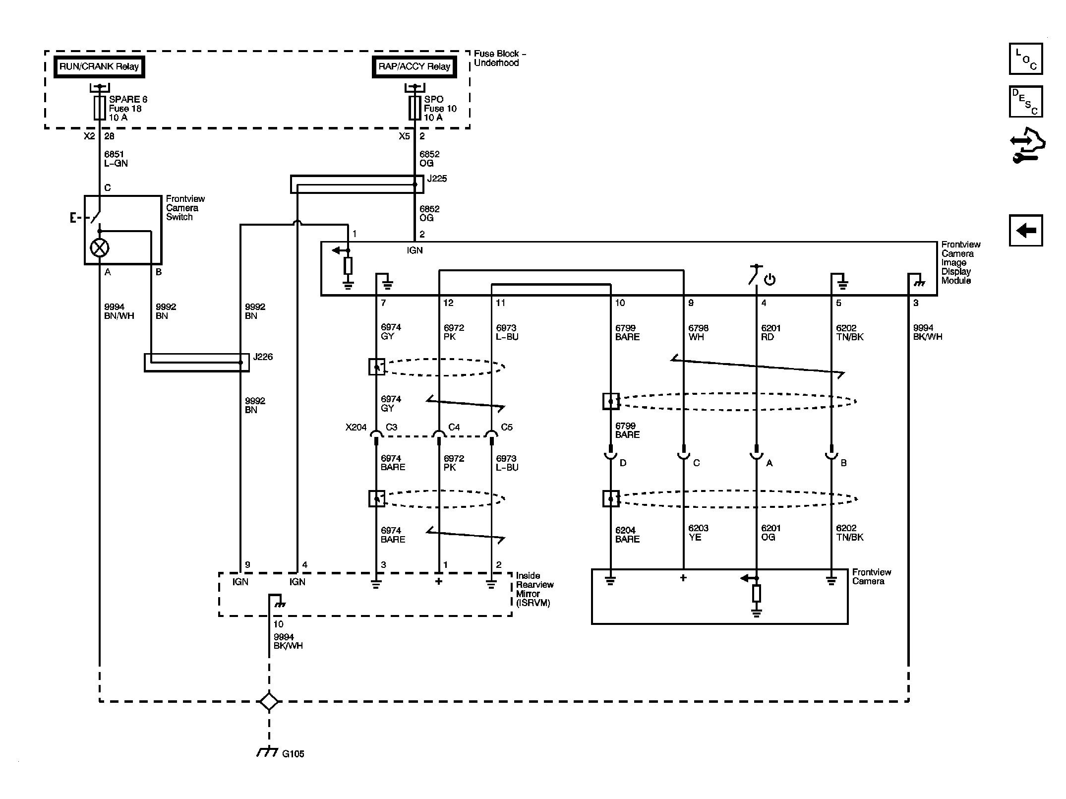
Fig 2: Frontview Camera (CV5)
GM2047672Courtesy of GENERAL MOTORS CORP.