LEMON Manuals: Even more car manuals for everyone
Home >> Hummer >> 2007 >> H3 Automatic >> Repair and Diagnosis >> Transmission >> Automatic Trans >> Shift Lock Control >> Schematic and Routing Diagrams >> Shift Lock Control Schematics

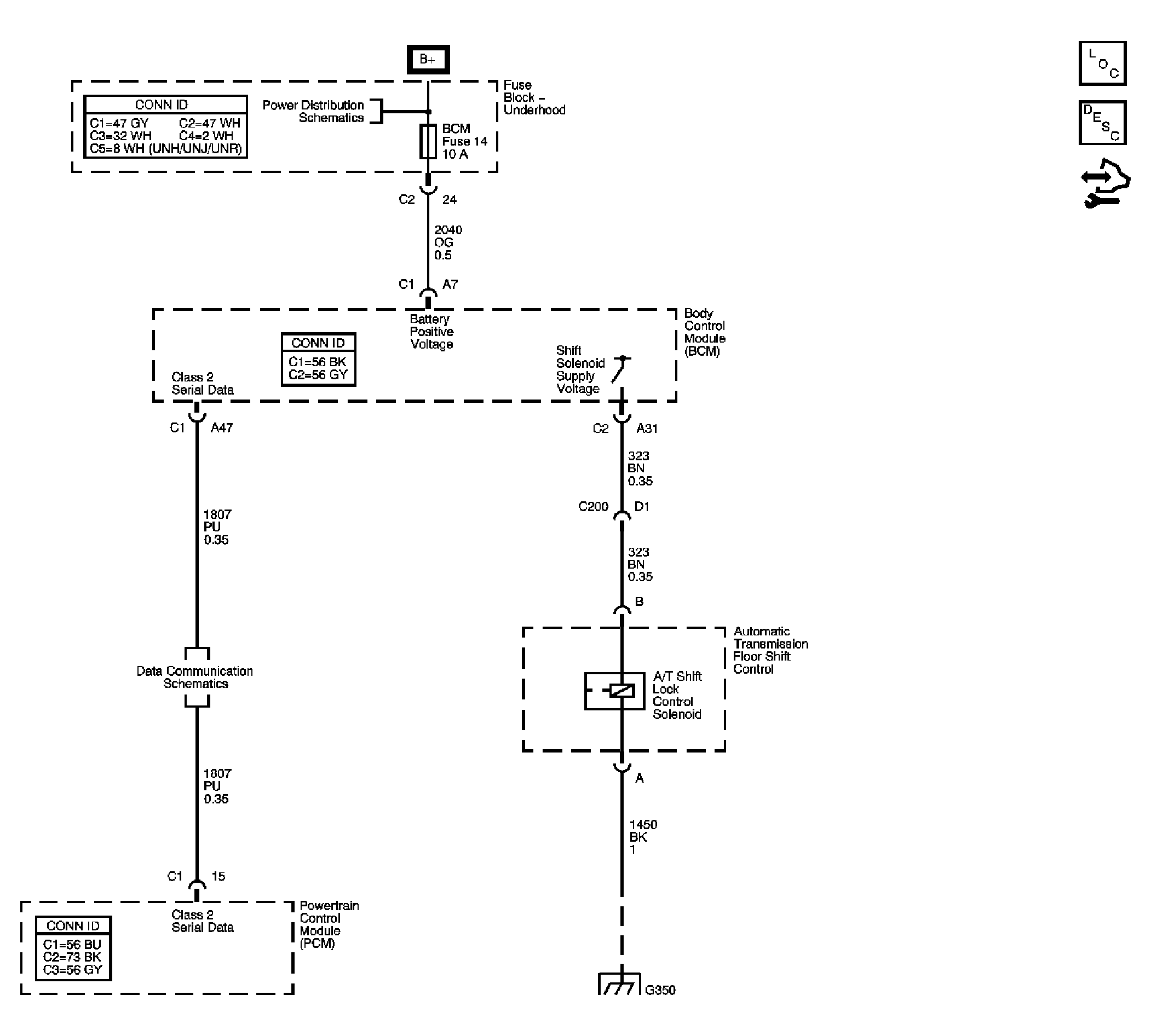
Shift Lock Control Schematics

Fig 1: Shift Lock Control Schematic
GM1778478Courtesy of GENERAL MOTORS CORP.