LEMON Manuals: Even more car manuals for everyone
Home >> Hummer >> 2007 >> H3 Automatic >> Repair and Diagnosis >> External Pages >> Different car >> Section 29 (Engine Control System - 3.5L (L52) - Introduction) >> Schematic and Routing Diagrams >> Engine Controls Schematics

Engine Controls Schematics

WARNING: This page is about a different car, the 2005 GMC Canyon and 2005 Chevrolet Colorado. However, it is still accessible from the selected car via links, so may be relevant.
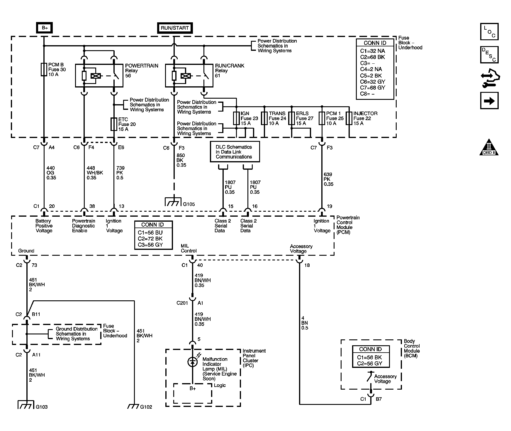
Fig 1: Module Power, Ground, Serial Data & MIL Schematic
GM1473195Courtesy of GENERAL MOTORS CORP.
Fig 2: Engine Data Sensors - 5-Volt & Low Reference Schematic
GM1473196Courtesy of GENERAL MOTORS CORP.
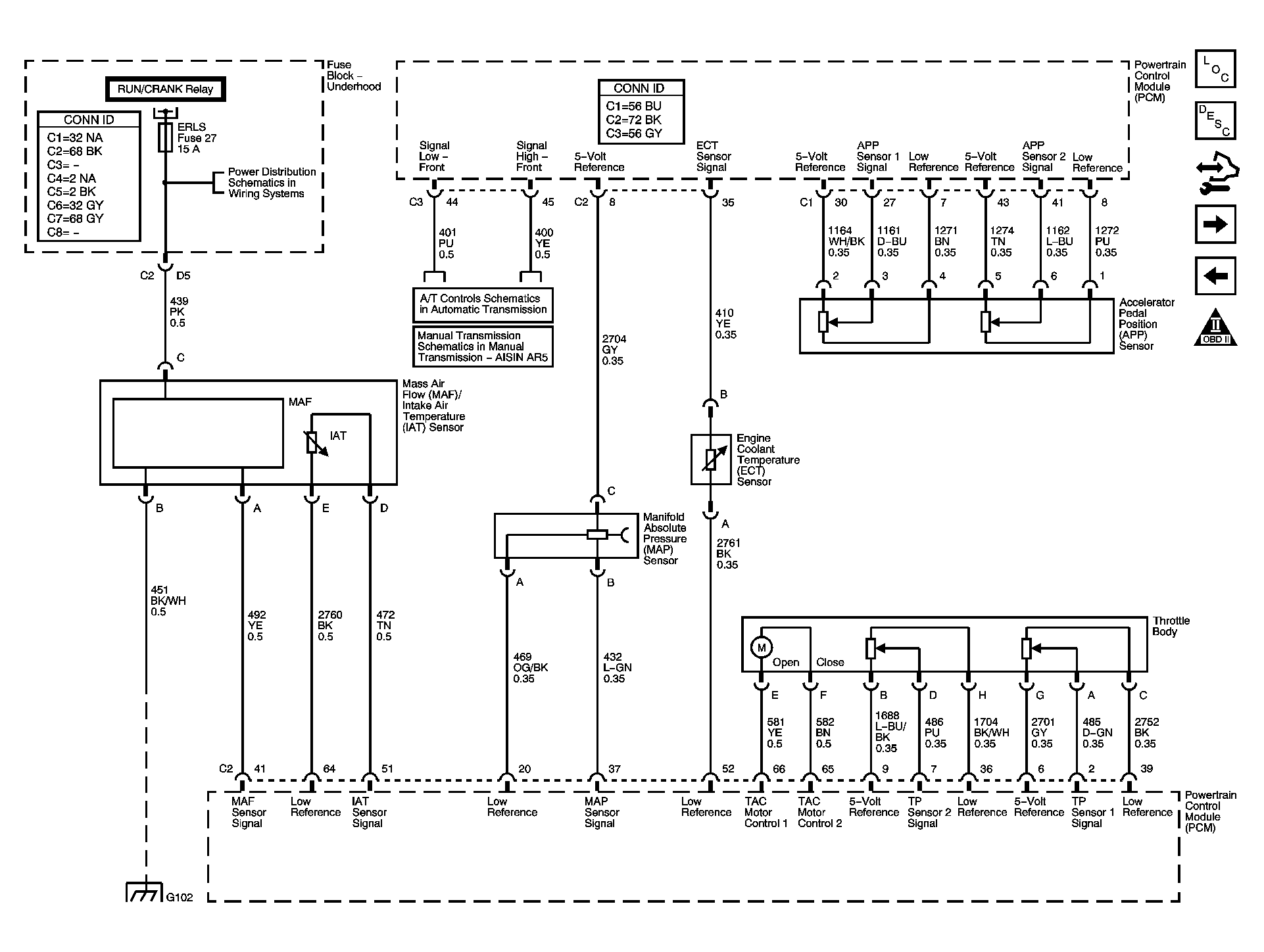
Fig 3: Engine Data Sensors - Electronic Throttle Controls, MAF, Pressure & Temperature Schematic
GM1473197Courtesy of GENERAL MOTORS CORP.
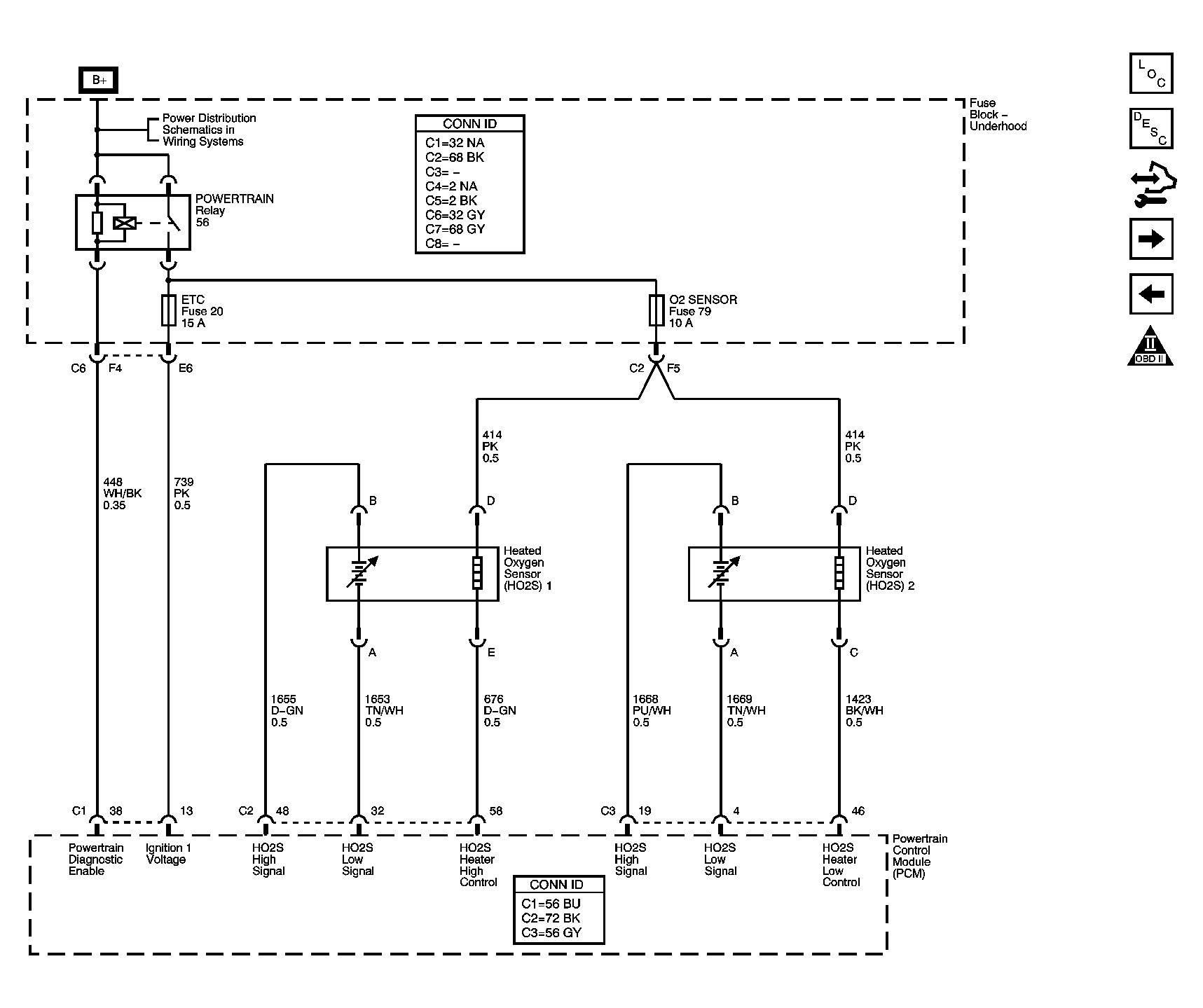
Fig 4: Engine Data Sensors - Oxygen Sensors Schematic
GM1473198Courtesy of GENERAL MOTORS CORP.
Fig 5: Ignition Controls - Sensors Schematic
GM1473199Courtesy of GENERAL MOTORS CORP.
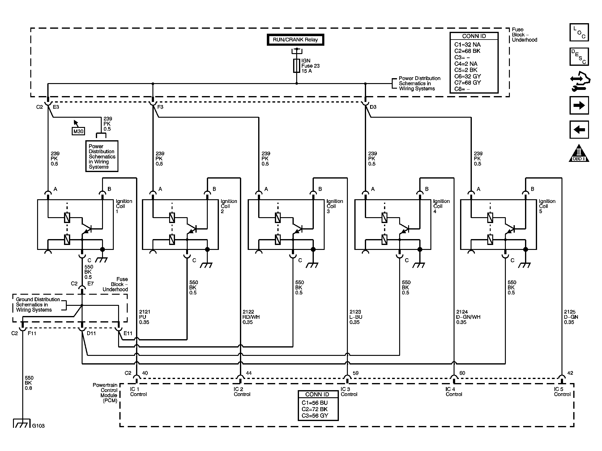
Fig 6: Ignition Controls - Ignition System Schematic
GM1473203Courtesy of GENERAL MOTORS CORP.
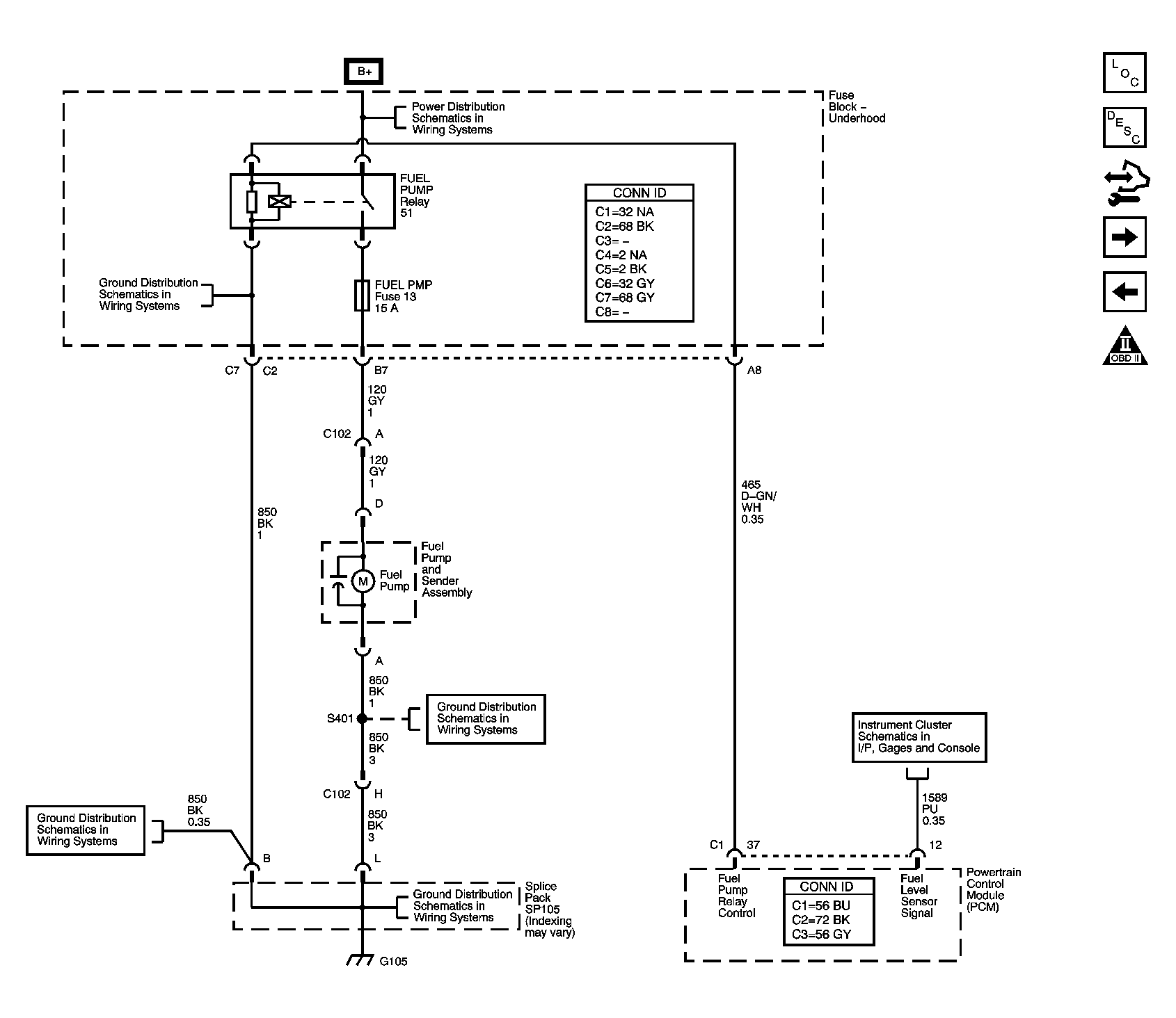
Fig 7: Fuel Controls - Fuel Pump Controls Schematic
GM1473206Courtesy of GENERAL MOTORS CORP.
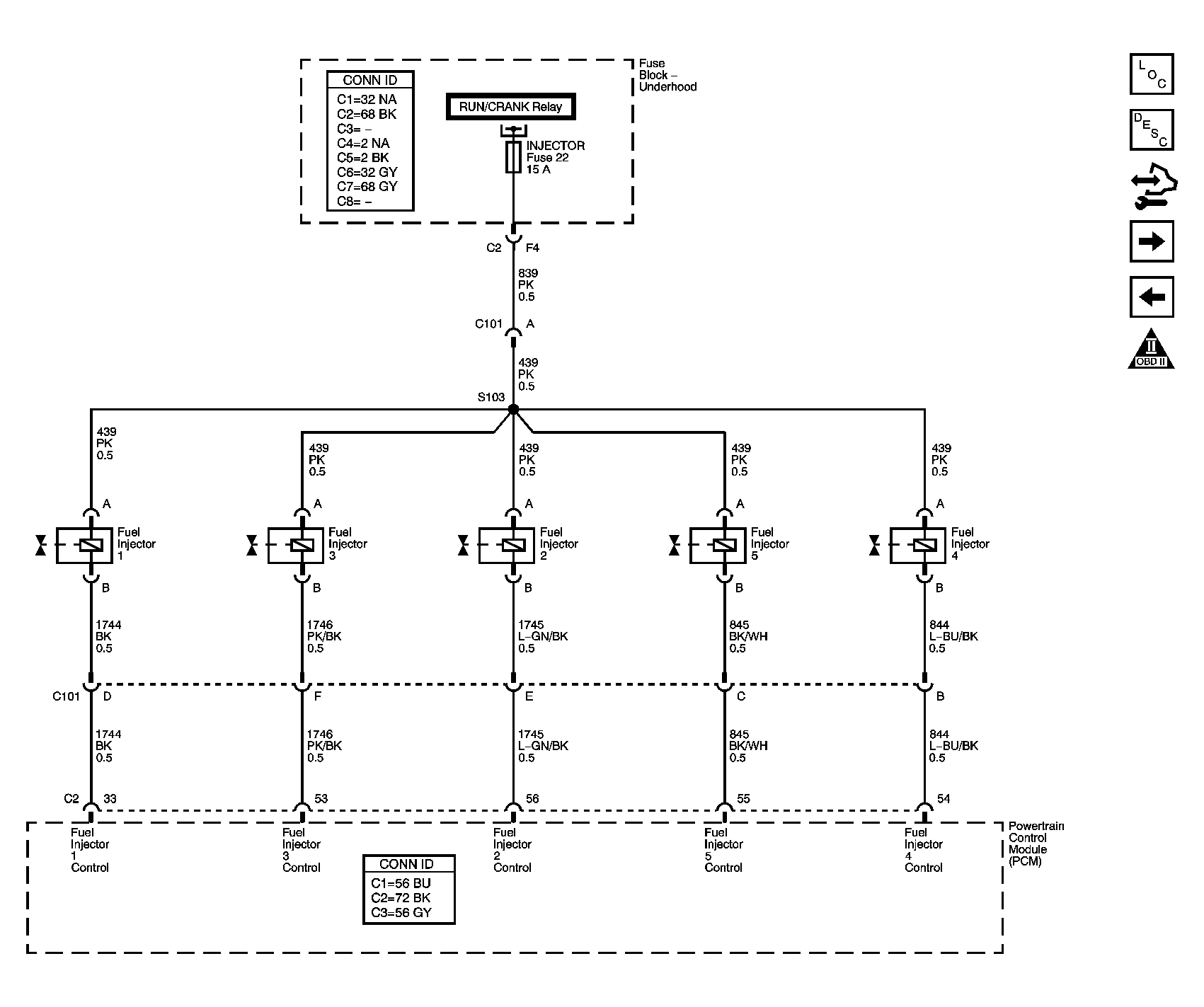
Fig 8: Fuel Controls - Fuel Injectors Schematic
GM1473208Courtesy of GENERAL MOTORS CORP.
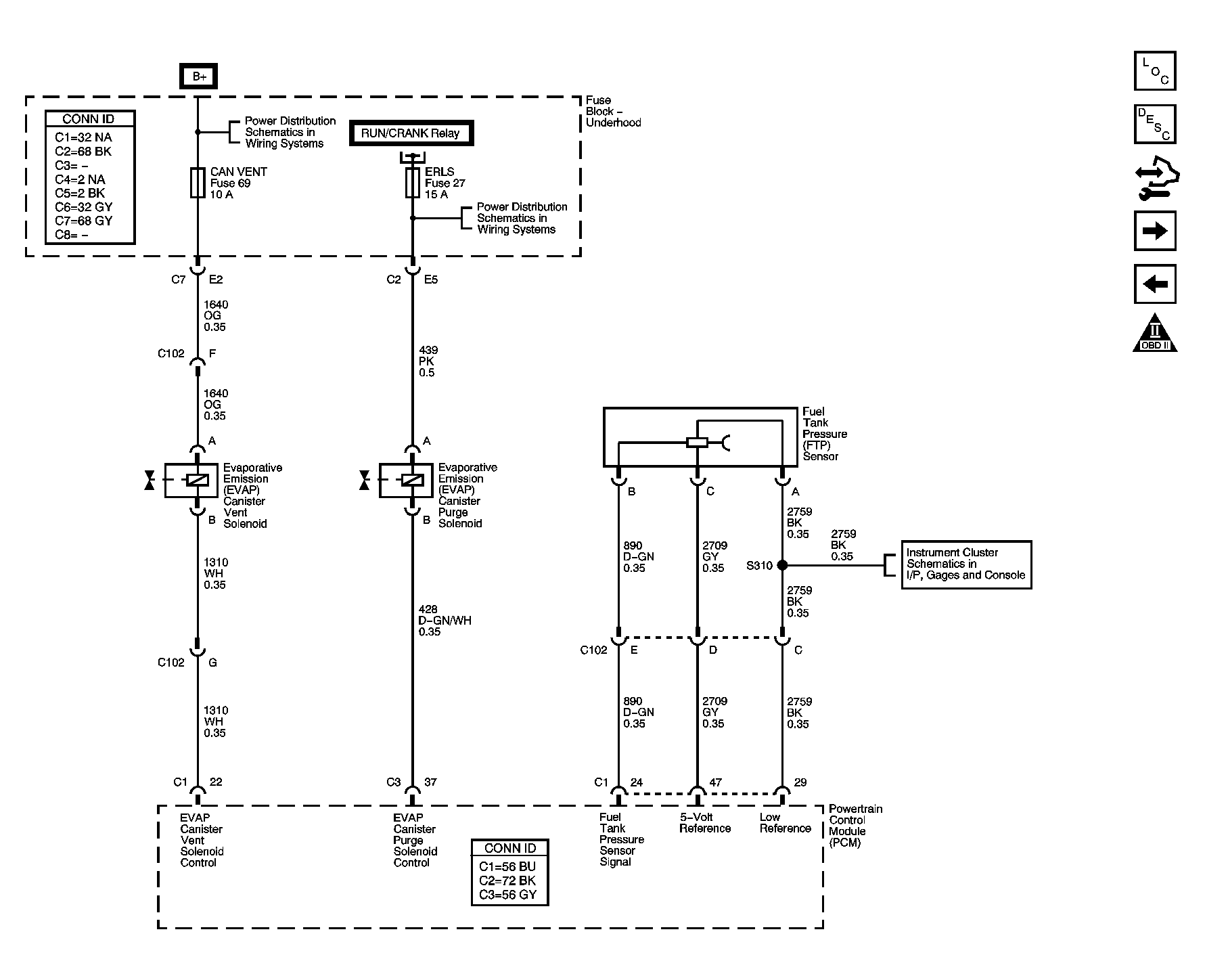
Fig 9: Fuel Controls - EVAP Controls Schematic
GM1473209Courtesy of GENERAL MOTORS CORP.
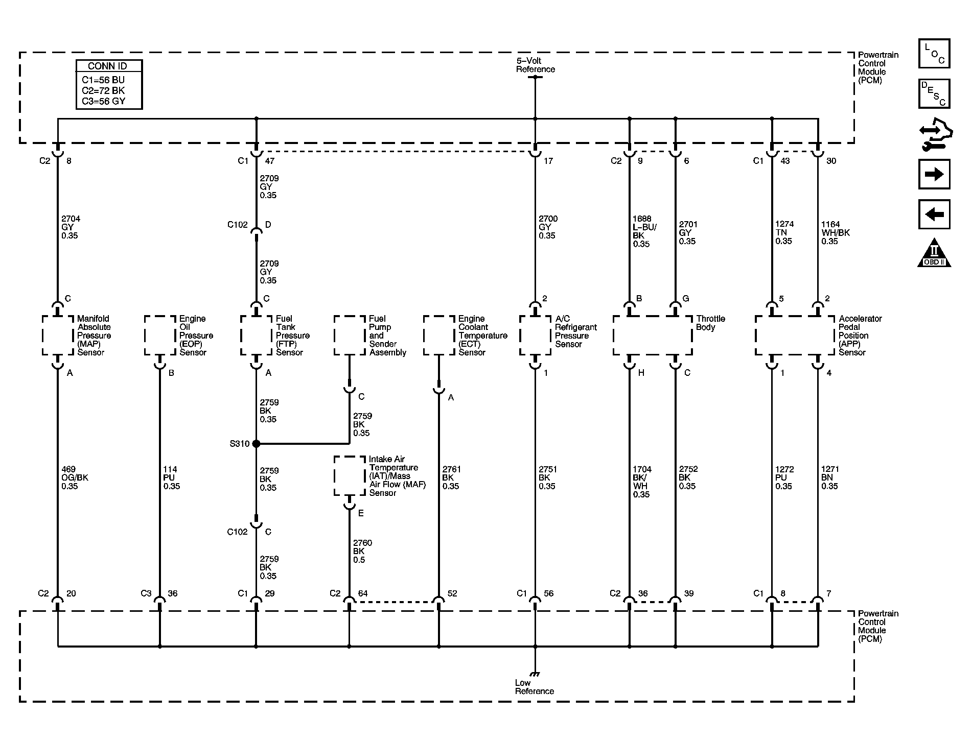
Fig 10: Controlled/Monitored Subsystem & Transmission References Schematic
GM1473211Courtesy of GENERAL MOTORS CORP.