LEMON Manuals: Even more car manuals for everyone
Home >> Hummer >> 2007 >> H2 4D Utility Pickup >> Repair and Diagnosis >> Transmission >> Automatic Trans >> Shift Lock Control >> Schematic and Routing Diagrams >> Shift Lock Control Schematics

Shift Lock Control Schematics

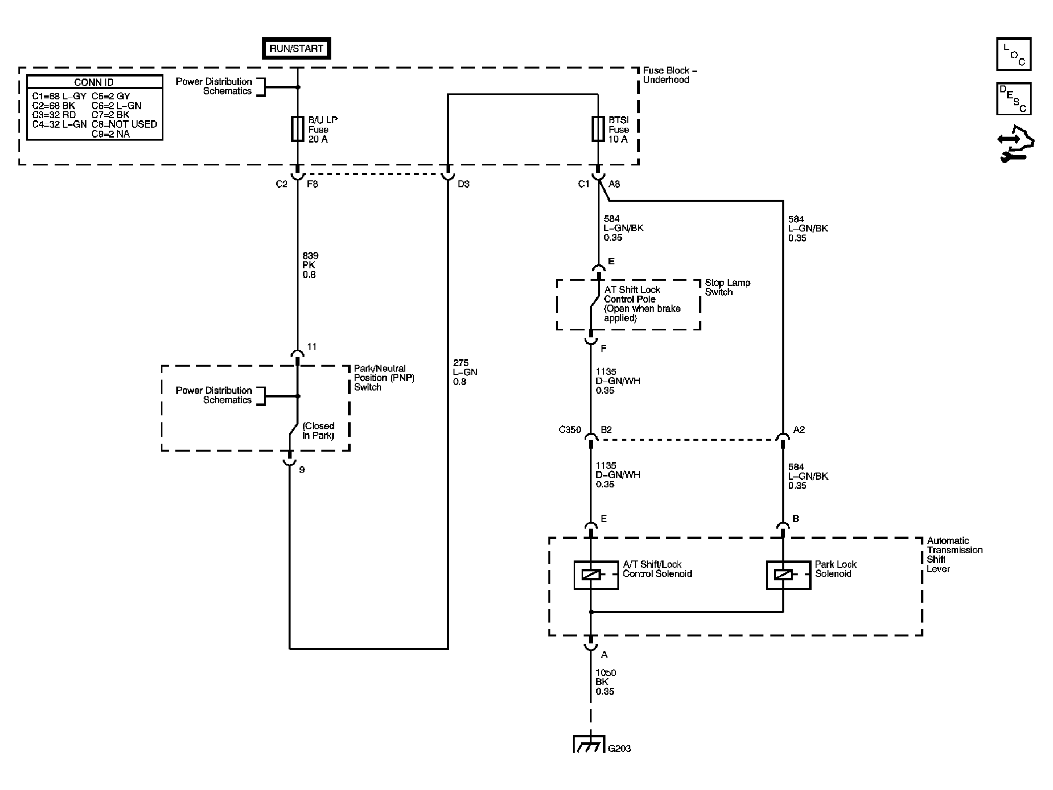
Fig 1: Shift Lock Control Schematic
GM1805238Courtesy of GENERAL MOTORS CORP.