LEMON Manuals: Even more car manuals for everyone
Home >> Hummer >> 2004 >> H2 4D Utility Pickup >> Repair and Diagnosis >> Transmission >> Automatic Trans >> Shift Lock Control System >> Schematic and Routing Diagrams >> Automatic Transmission Shift Lock Control Schematics

Automatic Transmission Shift Lock Control Schematics

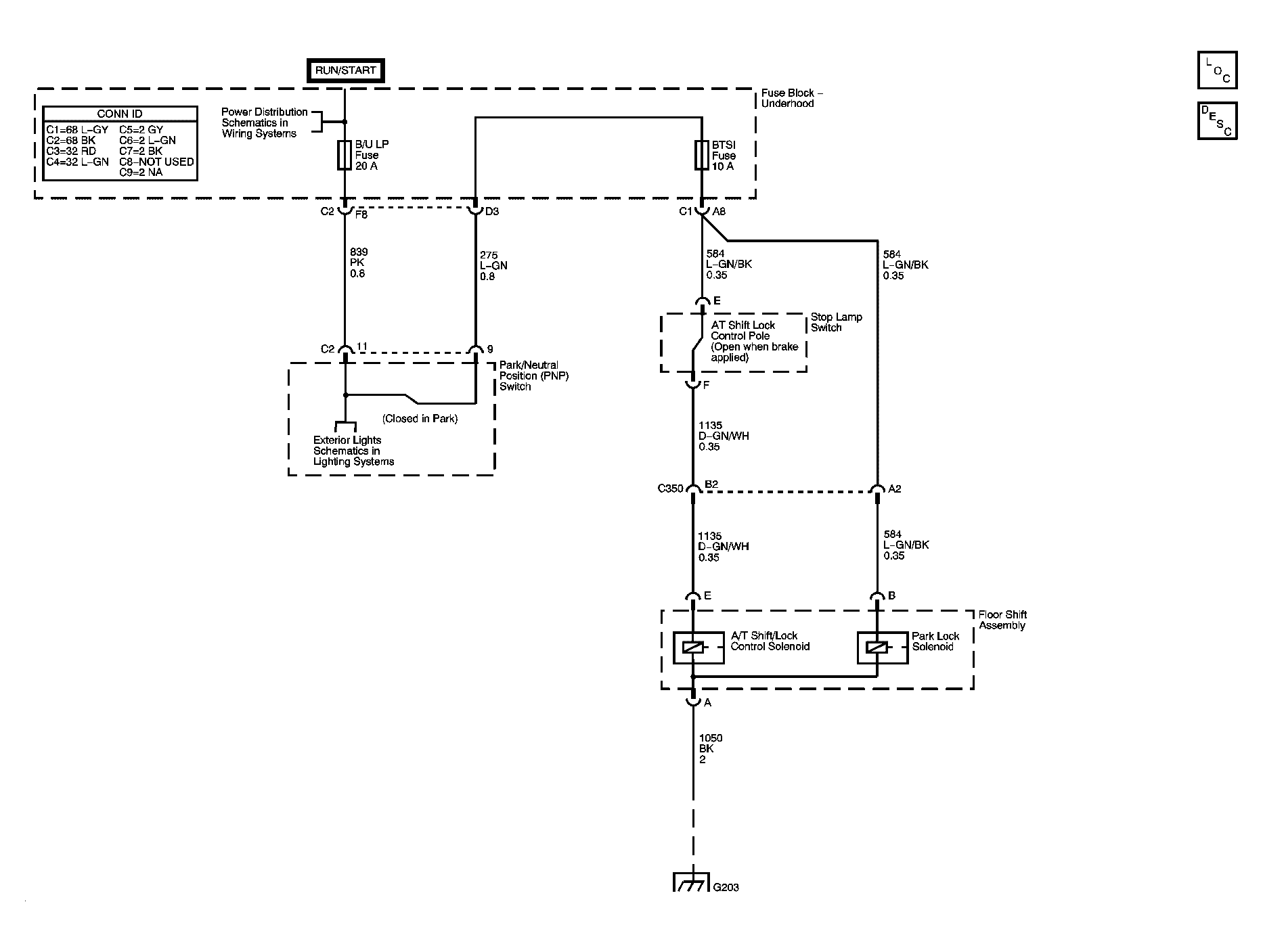
Fig 1: Automatic Transmission Shift Lock Control
GM1177399Courtesy of GENERAL MOTORS CORP.